Что такое автоматическая коробка передач
Коробка-автомат — это один из видов трансмиссии, при которой происходит автоматический выбор необходимого передаточного числа без участия водителя с учетом характера движения, скорости и других параметров.
В автомобиле с АКПП отсутствует педаль сцепления в связи с тем, что сцепление заменено гидротрансформатором, который и передает крутящий момент на колеса.
Запуск автомобиля с АКПП
Для обеспечения сохранности АКПП в автомобиле предусмотрены несколько видов защит.
Для запуска двигателя автомобиля рычаг селектора должен располагаться в положении Parking (P) или Neutral (N). При нахождении селектора в других режимах пуск мотора будет невозможен, так как или не провернется ключ или вообще ничего не произойдет.
В связи с тем, что режим «N» задуман производителем в основном для буксировки машины, то для запуска двигателя предпочтительнее использовать режим «Р», при котором ведущие колеса заблокированы, что защищает от незапланированного движения автомобиля по наклонной поверхности.
Еще одной немаловажной защитой от неправильного запуска автомобиля является необходимость выжима тормозной педали, что очень полезно при пуске машины в положении селектора на «N», так как нажатая педаль тормоза не даст покатиться автомобилю при нахождении на наклонной поверхности. В современных машинах существуют дополнительные виды защит с целью противодействия угону. Если при соблюдении всех этапов для правильного запуска мотора ключ в замке зажигания не получается повернуть и рулевое колесо также не реагирует на попытки повернуть — включилась защита от угона
Если при соблюдении всех этапов для правильного запуска мотора ключ в замке зажигания не получается повернуть и рулевое колесо также не реагирует на попытки повернуть — включилась защита от угона
В современных машинах существуют дополнительные виды защит с целью противодействия угону. Если при соблюдении всех этапов для правильного запуска мотора ключ в замке зажигания не получается повернуть и рулевое колесо также не реагирует на попытки повернуть — включилась защита от угона.
Для ее снятия необходимо аккуратно поворачивать ключ при одновременном повороте рулевого колеса в любом направлении. При согласованных действиях защита от угона выключится и будет возможен запуск автомобиля.
Как трогаться на автомате
После запуска двигателя машину необходимо снять с ручного тормоза.
Для начала движения при выжатой педали тормоза необходимо перевести селектор на одно из положений, нажав кнопку на нем:
- «D» — движение вперед в обычных условиях;
- «R» — движение задним ходом при необходимости маневра;
- «L» или «D2» — для движения по бездорожью, при нахождении автомобиля на значительном уклоне в момент начала движения, максимально разрешенная скорость для таких режимов менее 40 км/ч;
- «D3» — при необходимости тронуться с небольшой горки;
- «S», «W», «*», «Hold», «Winter» — зимний режим, для старта и движения по снегу со сниженной вероятностью пробуксовки ведущих колес.
После отпускания педали тормоза автомобиль начнет движение даже без нажимания на педаль акселератора (газа).
При сильных морозах до начала движения после длительной стоянки в холодном месте необходимо дать прогреться двигателю и трансмиссии в течение 6-10 минут.
Как тормозить двигателем на автомате
На автоматических КПП можно тормозить двигателем, только этот процесс отличается от МКПП.
Для подтормаживания двигателем в зависимости от условий необходимо выбрать следующие положения селектора:
- при наличии кнопки «O/D» на скорости ниже 110 км/ч ее можно нажать для плавного притормаживания двигателем и ограничения скорости передвижения до 80 км/ч;
- «L», «D1» или «D2» при движении по бездорожью со спусками и подъемами под большим углом, такие режимы позволяют использовать максимум мощности и ограничивают скорость до 20-50 км/ч (L, D1), 40-80 км/ч (D2);
- «D3» — движение до 3-й передачи при скорости до 100-110 км/ч;
Как пользоваться ручником
Производитель указывает, что использовать стояночный тормоз необходимо даже в положении селектора «Р»
Основными моментами для использования ручного тормоза являются:
- необходимость дополнительной фиксации машины при стоянке с работающим мотором, особенно при покидании транспорта;
- необходимость надежной фиксации машины в случае установки запаски и другого мелкого ремонта;
- при остановке на поверхности с большим углом наклона для избегания выбивания селектора с положения «Р» из-за большой нагрузки на ведущие колеса.
Перед началом движения необходимо проверять стояночный тормоз для избегания попытки начать движение при затянутом стояночном тормозе.
Как управлять машиной с АКПП
Коробка передач прослужит долго, если водитель будет правильно подбирать режимы, ориентируясь на условия езды. Правильный старт предполагает собой начало движения после толчка, сигнализирующего о том, что передача включилась. При буксовании лучше всего запустить пониженную передачу. Педалью тормоза при этом стоит корректировать вращение колес. Для того чтобы улучшить навыки вождения на автомобиле с автоматической коробкой передач, рекомендуем вопользоваться услугами автоинструктора АКПП.
При использовании разных режимов водитель сможет тормозить двигателем и ограничивать разгон. Буксировать другой транспорт не стоит, поскольку это негативно отразится на работе двигателя. Но если другого варианта нет, то буксируемая машина должна быть легче буксирующего.
Существует несколько рекомендаций, показывающих, чего не нужно делать во время управления машиной с АКПП.
Самой часто встречающейся ошибкой водителей является включение режима «D» в момент отсутствия полной остановки при движении назад.
Большим заблуждением для новичков также является использование нейтрального режима. Он создан для экстренных случаев, когда требуется разблокировка колес для перестановки авто.
Режим «нейтралки» также запрещено включать, находясь в пробках. Кратковременные перемещения провоцируют гидравлический удар. В пробках необходимо включать режим «драйв» в сочетании с тормозом.
Еще одной ошибкой считается переход на ходу из режима «драйв» на «нейтральный». Особенно это проворачивают в момент движения на большой скорости. Проделывать подобные вещи опасно. Это приводит к отключению гидроусилителя и усилителя тормозов.
Нередко неопытные водители пытаются завести автомобиль «с толкача». Это возможно сделать, но не нужно. Двигатель хоть и заводится, но очень «страдает». Если проделывать такой «трюк» часто, то автомат придет в негодность, не выработав даже половины ресурса.
Что касается эксплуатации в зимних условиях, то тут следует быть внимательнее. Чтобы машина функционировала хорошо, ей необходим прогрев коробки в течение нескольких минут после запуска. Как только водитель начал езду, ему стоит первые 10 км избегать разгона и резких движений.
Если автомобиль «увяз» в снегу, то нужно сначала включить пониженную передачу, а затем, переключая газ и тормоз, медленно выехать. Ни в коем случае нельзя раскачивать авто, поскольку от этого пострадает гидротрансформатор. Пониженная передача также должна использоваться на мокрой дороге, а в сочетании с педалью тормоза — на скользком спуске.
Система смазки и охлаждения
Очень важна для нормального функционирования коробки передач, поэтому в ней используется специальная гидравлическая жидкость ATF, именно она смазывает и охлаждает подвижные элементы. Охлаждение рабочей жидкости происходит в радиаторе охлаждения, который бывает внутренний и внешний. Внутренний радиатор (представляет собой теплообменник) располагается внутри радиатора охлаждающей жидкости двигателя. Также бывают более сложные теплообменники, которые имеют собственное жидкостное охлаждение, они устанавливаются на корпус коробки. Внешний располагается отдельно и представляет собой полноценный радиатор. На некоторых автомобилях в магистраль охлаждения от АКПП к радиатору встраивается термостат, регулирующий проходимый через него объём масла. Чтобы не допустить загрязнение каналов системы частицами, которые образуются при износе подвижных деталей устанавливается фильтр, он очищает рабочую жидкость.
![]()
АКПП с внешним радиатором охлаждения масла
![]()
АКПП со встроенным радиатором охлаждения в радиатор двигателя
![]()
Радиатор охлаждения масла АКПП с системой жидкого охлаждения
Управление коробкой передач осуществляется путём выбора необходимого режима работы рычагом селектора. На разных моделях может присутствовать разное сочетание режимов работы:
- Р (Neutral) – режим для длительной стоянки;
- N (Parking) – для кратковременной стоянки или буксировки;
- R (Reverse) – движение назад;
- L1, 2, 3 (Low) – понижающая предназначена для движения в тяжёлых дорожных условиях (пересеченная местность, крутой спуск или подъём);
- D (Drive) – движение вперёд, является главным режимом;
- D2/D3 – режимы ограничивающие переключение передач;
- S, P (Sport, Power, Shift) – спортивный режим движения;
- Е (Есоn) – обеспечивается более экономный стиль движения;
- W (Winter, Snow) – зимний режим, предусматривает мягкий старт с повышенной передачи для исключения пробуксовки, смена передачи осуществляется на пониженных оборотах;
- +/- — функция ручного переключения передач.
В некоторых моделях присутствует O/D (Overdrive) – специальная кнопка разрешающая переключаться на повышенную передачу, также бывает режим kick-down, который принудительно включает пониженную передачу при резком нажатии на педаль газа, за счёт чего обеспечивается более интенсивное ускорение.
Мы постарались наиболее подробно и доступно разобрать устройство АКП, принцип работы отдельных элементов и их взаимодействие. Но технологии не стоят на месте, возможно уже сейчас внедряют новые принципы работы, которые придутся по душе любому обывателю.
Как работает автоматическая коробка передач?
Автоматическая гидромеханическая коробка передач в классическом варианте состоит из планетарных редукторов, гидротрасформатора, обгонных и фрикционных муфт, соединительных барабанов и валов.
![]()
Не вдаваясь в дебри, тем более ремонт АКПП своими руками делать настоятельно не рекомендуется, принцип работы автоматической КПП отличается тем, что переключение передач происходит за счет взаимодействия планетарных механизмов и гидромеханического привода при помощи электронных исполнительных устройств.
![]()
Особенности эксплуатации АКПП уже освещались на страницах сайта. Но мы повторимся.
![]()
Ну вот, собственно, можно заводить, прогревать и начинать движение.
Удачи вам, любители своего автомобиля.
![]()
Гидротрансформатор Планетарный ряд
![]()
![]()
Тормозная лента Пакеты фрикционов
![]()
![]()
Гидротрансформатор (torque converter ) — предназначен для того чтобы передавать крутящий момент от двигателя к компонентам АКПП. Установлен он в кожухе расположенном между коробкой и двигателем выполняя функции сцепления. Наполненный рабочей жидкостью в процессе работы он несет высокие нагрузки вращаясь с довольно большой скоростью. Он, поглощая и сглаживая вибрации двигателя и передавая крутящий момент, приводит в действие насос для масла, который находится в коробке передач.
Планетарный ряд — в отличие от «механики», где сцепляющиеся между собой шестеренки и параллельные валы, в «автоматах» в основном используются передачи планетарные.
Составные части фрикциона — давлением масла в движение приводится поршень (piston). Поршень двигаясь под давлением масла, посредством конического диска ( dished plate) прижимает очень плотно ведомые к ведущим дискам пакета, от чего они вращаются единым целым и осуществляют передачу крутящего момента от барабана к втулке. Несколько планетарных механизмов, обеспечивающие необходимые передаточные отношения, расположены в корпусе коробки передач.
Передачу же крутящего момента от двигателя через механизмы планетарные непосредственно к колесам осуществляется при помощи фрикционных дисков, дифференциала и прочих сервисных устройств. Посредством трансмиссионной жидкости через систему контроля и управления происходит управление всеми перечисленными устройствами.
Тормозная лента — устройство посредством которого осуществляется блокировка элементов планетарного ряда.
Гидроблок — сложнейший механизм в автоматической коробке. Как мы уже писали выше, это мозги трансмиссии. Наиболее дорогстоящая по ремонту деталь.
Устройство АКПП Видео
ЭБУ — устройство, принцип работы
ЭБУ — электронный блок управления двигателем автомобиля, его другое название — контроллер. Он принимает информацию от многочисленных датчиков, обрабатывает ее по особым алгоритмам и, отталкиваясь от полученных данных, отдает команды исполнительным устройствам системы.
Обмен информацией ведется посредством CAN-шины, которая объединяет все электронные и цифровые системы современного автомобиля в одну сеть.
Благодаря такому подходу можно оптимизировать работу двигателя: расход топлива, подачу воздуха, мощность, крутящий момент и др.
Основными функциями ЭБУ являются:
- управление и контроль за впрыском топлива в инжекторных двигателях;
- контроль за зажиганием;
- управление фазами газораспределения;
- регулировка и поддержание температуры в охлаждающей системе двигателя;
- контроль за положением дроссельной заслонки;
- анализ состава выхлопных газов;
- контроль за работой системы рециркуляции отработанных газов.
Кроме того на контроллер поступает информация о положении и частоте вращения коленчатого вала, текущей скорости движения транспортного средства, о напряжении в бортовой сети автомобиля. Также ЭБУ оснащен системой диагностики и в случае обнаружения каких-либо неполадок или сбоев информирует о них владельца посредством кнопки Check-Engine.
Каждая ошибка имеет свой код и эти коды сохраняются на запоминающем устройстве.
При проведении диагностики специалисты подключают к контроллеру через разъем сканирующее устройство, на экран которого выводятся все коды ошибок, а также информация о состоянии двигателя.
Устройство электронного блока управления двигателем.
Контроллер представляет из себя электронную плату с микропроцессором и запоминающим устройством, заключенную в пластиковый или металлический корпус. На корпусе имеются разъемы для подключения к бортовой сети автомобиля и сканирующему устройству. ЭБУ обычно устанавливается либо в подкапотном пространстве, либо в переднем торпедо со стороны пассажира, за бардачком. В инструкции обязательно должно быть указано место расположения контроллера.
Для нормального функционирования в блоке управления применяется несколько типов памяти:
- ППЗУ — программируемое постоянное запоминающие устройство — здесь содержатся основные программы и параметры работы двигателя;
- ОЗУ — оперативная память, используется для обработки всего массива данных, сохранения промежуточных результатов;
- ЭРПЗУ — электрически репрограммируемое запоминающее устройство — применяется для хранения различной временной информации: коды доступа и блокировки, а также считывает информацию о пробеге, времени работы двигателя, расходе топлива.
Программное обеспечение ЭБУ состоит из двух модулей: функционального и контрольного. Первый отвечает за прием данных и их обработку, отправляет импульсы на исполняющие устройства. Контрольный модуль отвечает за корректность входящих сигналов от датчиков и в случае обнаружения каких-либо расхождений с заданными параметрами проводит корректирующие воздействия, либо полностью блокирует работу двигателя.
Внести изменения в программное обеспечение ЭБУ можно только в авторизованных сервисных центрах.
Необходимость в перепрограммировании может возникать при проведении чип-тюнинга двигателя для повышения его мощности и улучшения технических характеристик. Провести данную операцию можно только при наличии сертифицированного программного обеспечения. Однако, производители автомобилей очень неохотно делятся данной информацией, поскольку не в их интересах, чтобы пользователи самостоятельно изменяли настройки.
Ремонт и замена ЭБУ.
Если контроллер выходит из строя или работает некорректно, то прежде всего это отображается в провалах в работе двигателя, а иногда и в полной его блокировке. Check Engine может постоянно высвечивать ошибку, которую невозможно удалить. Основные причины выхода ЭБУ из строя это:
- перегрузка, воздействие короткого замыкания;
- влияние внешних факторов — влага, коррозия, удары, вибрация.
Кроме того любой микропроцессор перегревается, если система охлаждения выходит из строя.
Ремонт, равно как и замена блока управления обойдутся не дешево. Оптимальным вариантом будет приобретение нового блока. Чтобы его подобрать, нужно знать все параметры машины
Как работает гидротрансформатор?
Гидротрансформатор состоит из следующих основных элементов:
- насоса или насосного колеса;
- турбинного колеса;
- плиты блокировки;
- статора;
- обгонной муфты.
Чтобы понять, как работает автоматическая коробка передач, нужно в целом представлять ее устройство. Так, насос механическим соединением связан с двигателем. Турбинное колесо соединяется с валом КПП при помощи шлицов. При вращении насосного колеса при работающем двигателе создается поток масла, который вращает турбинное колесо гидротрансформатора.
Не помешает знать когда менять масло в автоматической коробе передач.
В этом случае гидротрансформатор выполняет роль обычный гидромуфты, посредством жидкости лишь передавая от двигателя на вал автоматической коробки крутящий момент. При увеличении оборотов двигателя сколь-нибудь существенного увеличения крутящего момента не происходит.
Для преобразования крутящего момента схема автоматической коробки включает статор. Принцип работы заключается в том, что он перенаправляет поток масла обратно на крыльчатку насоса, заставляя ее быстрей вращаться, увеличивая крутящий момент. Чем скорость вращения турбинного колеса по отношению к насосу меньше, тем большая остаточная энергия передается статором посредством возвращаемого масла на насос. Соответственно крутящий момент увеличивается.
Основы работы турбины и насоса АКПП
Турбина всегда вращается медленнее, чем насос. Максимальное соотношение скоростей вращения насоса и турбины достигается при неподвижном автомобиле, уменьшаясь при увеличении скорости транспортного средства (ТС). Связь статора с гидротрансформатором осуществляется через обгонную муфту, способную вращаться лишь в одном направлении.
Лопатки турбины и статора имеют особую форму, за счет чего поток масла перенаправляется на обратную сторону лопаток статора. При этом статор заклинивает и, оставаясь неподвижным, он передает на вход насоса наибольшую энергию масла.
За счет такого режима работы гидротрансформатора обеспечивается максимальная передача крутящего момента. Он увеличивается почти в три раза при трогании автомобиля с места.
При разгоне ТС турбина относительно насоса проскальзывает все меньше до наступления момента, когда колесо статора подхватывается потоком масла, начиная вращаться в направлении свободного хода обгонной муфты. Устройство при этом начинает работать как обычная гидромуфта, не увеличивает крутящий момент. В этом режиме КПД гидротрансформатора не превышает 85%! Такой режим работы сопровождается выделением избытка тепла и повышением расхода топлива.
Назначение блокировочной плиты
Этот недостаток устраняется при помощи специального устройства — блокировочной плиты. Несмотря на механическую связь с турбиной, конструктивно она выполнена так, что может перемещаться вправо и влево. Это устройство включается в работу при достижении автомобилем высокой скорости. По команде устройство управления поток масла меняется таким образом, чтобы он прижимал блокировочного плиту к корпусу гидротрансформатора справа.
При этом турбина и насос связываются друг с другом механически. Для повышения сцепления на внутреннюю сторону корпуса гидротрансформатора наносится специальный фрикционный слой. Таким образом двигатель связывается с выходным валом автоматической коробки. Естественно такая блокировка сразу выключается даже при незначительном торможении автомобиля.
Выше был описан лишь один из способов блокировки гидротрансформатора. Однако любой другой способ преследует ту же самую цель — предотвратить проскальзывание турбины по отношению к колесу насоса. Обычно описанный режим действия в различных источниках называется Lock-Up.
Работу гидротрансформатора для чайников будет проще понять, если вместо турбины и насоса представить два простых вентилятора, один из которых работает от сети, а другой вращается за счет создаваемого первым вентилятором потока воздуха. Только вместо воздуха здесь выступает масло, а лопасти первого вентилятора (насоса в случае АКПП) приводятся в движение не за счет электричества, а за счет механического соединения с валом двигателя автомобиля.
Устройство автоматической трансмиссии
![]()
Схема АКПП
Устройство АКПП достаточно сложное и состоит из следующих основных элементов:
- гидротрансформатор;
- планетарный механизм;
- блок управления АКПП (TCU);
- фрикционные муфты;
- обгонная муфта;
- гидроблок;
- ленточный тормоз;
- масляный насос;
- корпус.
Гидротрансформатор представляет собой корпус, заполненный специальной рабочей жидкостью ATF, и предназначен для передачи крутящего момента от двигателя к коробке передач. Фактически он заменяет сцепление. В его состав входят насосное, турбинное и реакторное колеса, блокировочная муфта и муфта свободного хода.
Колеса оснащены лопастями с каналами для прохода рабочей жидкости. Блокировочная муфта необходима для блокировки гидротрансформатора в конкретных режимах работы автомобиля. Муфта свободного хода (обгонная муфта) необходима для вращения реакторного колеса в противоположную сторону. Более подробно про гидротрансформатор можно почитать здесь.
Планетарный механизм АКП включает в себя планетарные ряды, валы, барабаны с фрикционными муфтами, а также обгонную муфту и ленточный тормоз.
Механизм переключения скоростей в АКПП достаточно сложен, и, по сути дела, работа трансмиссии состоит в выполнении некоторого алгоритма включения и выключения муфт и тормозов посредством давления жидкости.
Планетарный ряд, точнее блокировка одного из его элементов (солнечная шестерня, саттелиты, коронная шестерня, водило), обеспечивает передачу вращения и изменение крутящего момента. Элементы, входящие в планетарный ряд, блокируются при помощи обгонной муфты, ленточного тормоза и фрикционных муфт.
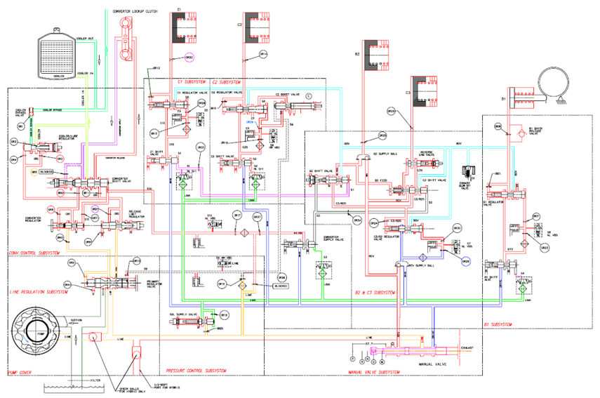
![]()
Пример гидравлической схемы АКПП
Блок управления АКПП может быть гидравлическим (уже не применяется) и электронным (ЭБУ АКПП). Современная гидромеханическая трансмиссия оснащается только электронным блоком управления. Он обрабатывает сигналы датчиков и формирует управляющие сигналы на исполнительные устройства (клапаны) гидроблока, обеспечивающие работу фрикционных муфт, а также управляющие потоками рабочей жидкости. В зависимости от этого жидкость под давлением направляется в ту или иную муфту, включая определенную передачу. TCU также управляет блокировкой гидротрансформатора. При неисправности блок TCU обеспечивает функционирование КПП в «аварийном режиме». Селектор АКПП отвечает за переключение режимов работы КПП.
В автоматической коробке применяются следующие датчики:
- датчик частоты вращения на входе;
- датчик частоты вращения на выходе;
- датчик температуры масла АКПП;
- датчик положения рычага селектора;
- датчик давления масла.
Подробнее про датчики АКПП можно почитать тут.
Что такое АКПП
АКПП – механизм, автоматически изменяющий передаточное отношение вращающего момента от двигателя, с учетом установленного водителем режима, текущей нагрузки и других условий движения.
Такая коробка – сложное конструктивное устройство. На первый взгляд непосвященному сложно определить отличия от механической трансмиссии, так как здесь нет обычных педалей газа, тормоза, селектора передач. Но отсутствие сцепления – не единственное отличие автомата.
История
Инициатор создания автоматической коробки – немецкий инженер Герман Феттингер, предложивший идею первого гидротрансформатора и разработавшего механизм в 1902 году. Изначально автоматы предназначались для водных транспортных средств.
Коробка АКПП
Устройство коробки АКПП
Автоматическая коробка состоит из:
- гидротрансформатора, передающего вращающий момент от двигателя к трансмиссии, без непосредственного кинематического контакта узлов;
- масляного насоса, нагнетающего трансмиссионную жидкость в механизм;
- планетарного редуктора;
- гидроблока, регулирующего скоростной режим.
Работой механизма, переключением соленоидов в гидравлическом блоке управляет электронный блок.
АКПП в разрезе
Устройство АКПП
Принцип работы
Принцип работы основан на изменении вращающего момента от давления масла, нагнетаемого насосом в гидротрансформатор и коробку. Положение планетарных шестерен изменяет переключение соленоидов в гидроблоке на основе команды, поданной электронным блоком управления.
Это позволяет изменить передаточное число трансмиссии без участия водителя.
Ресурс
При правильной эксплуатации автоматическая коробка может прослужить до 500 000 км пробега. Длительность службы определяется такими факторами:
- выполнение предусмотренного изготовителем режима обслуживания, со своевременной заменой трансмиссионной жидкости, заливкой специализированной марки масла;
- манера вождения владельца;
- качество механизма.
Обозначения на панели АКПП
При изучении особенностей управления коробкой автомат необходимо знать расшифровку букв и цифр, указанных на панели переключения механизма. Используют маркировки следующих позиций, с указанием таких символов:
- Р – парковочное положение, при длительной остановке автомобиля;
- R – реверс с движением задним ходом;
- N – нейтральный режим, при разблокированных колесах;
- D – драйв, для передвижения вперед;
- А – автоматический режим (еще один вариант режима D);
- L или В – переход на пониженную передачу;
- 2 или 3 – нужно двигаться на скорости, не выше указанной соответствующей цифрой;
- М – возможность перехода на способ управления, имитирующий механическую трансмиссию;
- S – активация спортивного режима;
- O/D – овердрайв, для передвижения с увеличенной скоростью;
- W – нужно тронуться и ехать далее, не выше, чем на второй скорости;
- HOLD – специализированный режим для автомобилей Мазда, который можно использовать совместно с другими.
Соответствующие обозначения наносят напротив позиции селектора.
Панель АКПП
Общие рекомендации
Управлять коробкой автомат может неопытный водитель, нижеуказанные рекомендации позволят продлить ресурс АКПП:
- Нельзя давать большие нагрузки на непрогретую коробку. Трансмиссионное масло прогревается медленнее моторной жидкости. При управлении машиной с указанным типом коробки проезжайте несколько километров на небольшой скорости.
- Избегайте пробуксовки колес: не нажимайте резко на «газ», если покрытие дороги неоднородное.
- Старайтесь не буксировать прицепы, другие авто.
- Откажитесь от включения нейтрали при движении автомобиля.
Правильная эксплуатация автоматической коробки позволяет получать удовольствие от вождения и препятствует преждевременной поломке агрегата, позволяя механизму нормально работать.
Практические занятия
Установите селектор, в необходимый режим, выполнив следующие действия:
- Запустите двигатель (переключить рычаг получится только при заведенном двигателе).
- Выжмите педаль «тормоза».
- Нажмите нужную кнопку режима, расположенную на селекторе (если в этом есть необходимость).
- Выберите положение, соответствующее необходимому направлению движения машины: «D» — транспортное средство поедет вперед, «N» — нейтраль, машина будет стоять на месте, или покатится под уклон, «R» — поедет назад. При включении выбранной водителем передачи автомобиль не начнет движение, а когда отпустите педаль «тормоза» — машина поедет. Учитывайте этот нюанс, не убирайте ногу с «тормоза» раньше времени во избежание ДТП.
Автоматические коробки распознают команды водителя по нажатию педали «газа»: плавный разгон, постепенное переключение скоростей обеспечивается нажатием с небольшим усилием. Интенсивный разгон, необходимый при обгонах, достигается выжимом педали «газа» в пол, при этом АКПП сначала включит передачу ниже, затем авто начнет разгоняться. Учитывайте: от момента выжима педали «газа» до разгона транспортного средства происходит небольшая задержка, примерно одна секунда, это время неощутимо при неспешной езде, а в условиях обгона может быть фатальным.
Решив остановить движение автомобиля, нажмите педаль «тормоза». При кратковременной остановке, на светофоре, не переводите селектор с положения «D» — продлите ресурс внутренних механизмов АКПП.
Держите педаль тормоза нажатой после остановки машины в ситуациях:
- Длительные остановки (пробки), нажатая педаль тормоза позволит мотору отдохнуть, не будет зря сжигаться горючее, используйте положение «N».
- Машина стоит на уклоне, селектор не переведен в позицию «Р».
Вышеуказанная инструкция для «чайников» позволит управлять автомобилем с коробкой автомат. Учтите: лучше сразу научиться правильному вождению, чтобы не нанести вред АКПП. Исправить вредные привычки управления транспортным средством сложно.
Об истории создания и совершенствования АКПП
Идея автоматизировать переключение передач, избавив водителя от необходимости часто выжимать педаль сцепления и «работать» рычагом переключения скоростей, не нова. Она начала внедряться и оттачиваться ещё на заре автомобильной эпохи: в начале ХХ века. Причём нельзя назвать какого-либо определённого человека или фирму единственным создателем автоматической коробки передач: к появлению классической, получившей сейчас всеобщее распространение гидромеханической АКПП привели три изначально независимые линии разработок, которые в итоге объединились в единой конструкции.
Один из основных механизмов коробки-автомата – это планетарный ряд. Первая серийная автомашина, оснащённая планетарной коробкой передач, была выпущена ещё в 1908 году, и это был «Форд Т». Хотя в целом та коробка переключения передач ещё не была полностью автоматической (от водителя «Форда Т» требовалось нажимать две ножных педали, первая из которых переводила с низшей на высшую передачу, а вторая включала задний ход), она уже позволяла значительно упростить управление, по сравнению с обычными КПП тех лет, без синхронизаторов.
Второй важный момент в становлении технологии будущих АКПП – это перевод управления сцеплением с водителя на сервопривод, воплощённый в 30-х годах ХХ века фирмой «Дженерал Моторс». Эти коробки переключения передач назывались полуавтоматическими. Первой полностью автоматической КПП стала внедрённая в производство в 30-х годах ХХ века планетарная электромеханическая коробка «Коталь». Она устанавливалась на французские автомобили забытых ныне марок «Деляж» и «Делайе» (существовали до 1953 и 1954 г. соответственно).
Автомобиль «Деляж D8» – премиум-класс довоенной эпохи.
Другие автопромышленники в Европе также разрабатывали похожие системы фрикционов и тормозных лент. Вскоре подобные АКПП были реализованы в автомобилях ещё нескольких немецких и британских марок, известной и ныне здравствующей из которых является «Майбах».
Специалисты другой известной фирмы – американской «Крайслер» продвинулись далее других автопроизводителей, внедрив гидравлические элементы в конструкцию КПП, которые заменили сервоприводы и электромеханические элементы управления. Инженеры «Крайслера» разработали первые в истории гидротрансформатор и гидромуфту, которые имеются теперь в конструкции каждой автоматической коробки передач. А первая в истории гидромеханическая коробка-автомат, похожая по конструкции на современную, на серийных автомобилях была внедрена корпорацией «Дженерал Моторс».
Автоматические коробки передач тех лет были очень дорогими и технически сложными механизмами. К тому же, не всегда отличавшимися надёжной и долговечной работой. Они могли выигрышно выглядеть только в эпоху несинхронизированных механических коробок передач, управление автомобилем с которыми было достаточно тяжёлым трудом, требующим от водителя хорошо отработанного навыка. Когда широко распространились механические КПП с синхронизаторами, то по удобству и комфорту АКПП того уровня были ненамного лучше них. В то время как МКПП с синхронизаторами обладали гораздо меньшей сложностью и дороговизной.
В конце 1980/1990-х годах у всех крупных автопроизводителей происходила компьютеризация систем управления двигателем. Аналогичные им системы стали применять и для управления переключением скоростей. Если прежние решения использовали только гидравлику и механические клапаны, то теперь потоками жидкости стали управлять соленоиды, контролируемые компьютером. Это сделало переключения плавнее и комфортнее, улучшило экономичность и повысило эффективность работы трансмиссии.
Кроме того, на некоторых автомобилях были внедрены «спортивные» и другие дополнительные режимы работы, возможность вручную управлять коробкой передач («Tiptronic» и т.п. системы). Появились первые пяти- и более ступенчатые АКПП. Совершенствование расходных материалов позволило на многих коробках-автоматах отменить процедуру замены масла в процессе эксплуатации автомобиля, поскольку ресурс залитого в её картер на заводе масла стал сравнимым с ресурсом самой коробки передач.





























