Типы и конструкция фар ГАЗ
В автомобилях Горьковского автозавода используется несколько основных типов фар головного света: круглые одиночные фары ФГ-122 и ее аналоги, прямоугольные одиночные фары автомобилей «Волга» и ранних «ГАЗелей», блок-фары отечественного и зарубежного производства актуальных моделей автомобилей «ГАЗель», «ГАЗель Next», «Соболь», «Валдай» и «ГАЗон Next». Эти световые приборы имеют свои конструктивные особенности и применяемость.
Фара ФГ-122 и ее аналоги
Фары серии ФГ-122 — дальнего и ближнего света, одиночные, круглые, на 12 В. В общем случае фара состоит из металлического полусферического корпуса с выступом в задней части, оснащаются неразборным оптическим элементом. Оптический элемент состоит из параболического отражателя, в фокусе которого располагается нить накаливания лампы, и стеклянного рассеивателя с нанесенными на внутренней поверхности призматическими и линзовидными элементами. Оптический элемент в сборе прижат к корпусу с помощью ободка, который, в свою очередь, прижат наружным стальным ободком с помощью винтов. На задней части отражателя располагается установочное кольцо, имеющее амортизацию с помощью ряда витых пружин. В центре отражателя установлен патрон под лампу, подключение лампы осуществляется с помощью жгута проводов длиной 425 мм со стандартными клеммами на конце.
Данные фары представлены в нескольких модификациях под разные типы ламп:
- ФГ-122 БВ1 — под лампу накаливания типа А12-45+40;
- ФГ-122 БВ2 — под лампу накаливания типа H4.
Широко используется два аналога данной фары, выпускаемые различными заводами: тип 40.3711 и 62.3711 (62.3711-23 — аналог ФГ-122 БВ1, 62.3711-11 — аналог ФГ-122 БВ2).
Фары данного типа применяются на грузовых автомобилях ГАЗ ранних (ГАЗ-53) и актуальных (ГАЗ-3307/3309, 3308 и некоторые другие) модельных рядов.
Следует отметить, что в разное время фары ФГ-122 оснащались оптическими элементами ФГ-105 и ФГ-140, в настоящее время применяются только элементы типа ФГ-140, имеющие соответствие международным стандартам. Данные оптические элементы используются и в качестве фар на некоторых ранних моделях автомобилей ГАЗ, в частности — на ГАЗ-24 различных модификаций.
Прямоугольные фары ГАЗ
К данной группе относятся прямоугольные фары дальнего и ближнего света, используемые на легковых автомобилях ГАЗ модельного ряда «Волга» (ГАЗ-31029 и 3110) и ранних коммерческих автомобилях «ГАЗель» (ГАЗ-3302). Фары предназначены под несимметричную установку на лицевой панели автомобиля, что обуславливает их конструкцию. Основу прибора составляет треугольный в плане корпус, внутри которого под углом располагается овальный отражатель с установленной в фокусе лампой. Фара закрыта стеклянным или пластиковым рассеивателем. В задней части установлен электрический разъем для подключения лампы. Сверху и снизу на фаре расположены кронштейны с отверстиями для монтажа прибора на автомобиль.
Выпускается несколько типов фар данной группы:
- Каталожные номера 6002.3711 и 112.08.79 — фара правая;
- Каталожные номера 6012.3711 и 112.08.79-01 — фара левая.
Правые и левые фары не взаимозаменяемы, что всегда следует учитывать при их ремонте.
Блок-фары ГАЗ
Фары-блок — современные световые приборы, которые применяются на актуальных моделях автомобилей «ГАЗель» («Бизнес», Next), «Соболь», «Валдай» и ГАЗон Next. Данные фары имеют каплевидную форму, внутри корпуса располагается разделенный на секторы отражатель, закрытый пластиковым рассеивателем. В фаре применяется четыре лампы: дальнего света, ближнего света, указателя поворота и габаритного огня. Лампы устанавливаются на свои места через заднюю часть корпуса фары, для защиты от пыли и воды патроны закрыты пластиковыми крышками. Монтаж фары выполняется с помощью трех винтов, вворачиваемых в верхней и нижней части прибора.
На автомобилях «ГАЗель», «Соболь» и «Валдай» применяются следующие типы блок-фар:
- 1512.3775 (23.3775), 676.512.114 (производства Bosch) — правая;
- 1502.3775 (231.3775), 676.512.113 (производства Bosch) — левая.
Актуальные модификации автомобилей ГАЗель Next комплектуются блок-фарами производства Bosch каталожных номеров 676.512.126/124 (правая) и 676.512.125/123 (левая), однако на замену могут устанавливаться и приборы сторонних производителей. А новые модели ГАЗон Nextоснащаются фарами той же фирмы типов 676.512.144 (правая) и 676.512.143 (левая).
Блок-фары также применялись на выпускавшемся с 2003 по 2009 годы автомобиле ГАЗ-31105 «Волга», фары имеют каталожные номера 1712.3775 (правая) и 1702.3775 (левая), и аналоги производства Bosch (каталожные номера 676.512.060 и 676.512.059).
Проблемы с генератором
Не работающие фары на ГАЗ 3110 могут быть связаны с проблемами генератора, который отвечает за подачу электричества на фары. Возможные причины и решения при проблемах с генератором могут быть следующими:
| Причина | Решение |
|---|---|
| Износился регулятор напряжения | Заменить регулятор напряжения на новый. Это можно сделать самостоятельно, следуя инструкции в руководстве пользователя или обратившись к специалисту. |
| Неисправность диодного моста | Заменить диодный мост на новый. Если у вас есть навыки работы с электричеством, вы можете сделать это самостоятельно. В противном случае, обратитесь к автомобильному мастеру. |
| Обрыв или окисление проводов | Проверьте состояние проводов, и если обнаружена проблема, замените или почистите соединения проводов. Если проблему найти или устранить самостоятельно не получается, обратитесь к автомобильному специалисту. |
| Неисправность статора генератора | Неисправность статора генератора самостоятельно устранить не получится. Обратитесь к специалисту для диагностики и ремонта данной детали. |
Если после проверки и решения вышеуказанных проблем, фары на ГАЗ 3110 по-прежнему не работают, рекомендуется обратиться к квалифицированному автомобильному специалисту для более глубокой диагностики и поиска неисправности.
Замена лампы фары
- 1. Отсоединить провод от «минусовой» клеммы аккумуляторной батареи.
- 2. Повернуть в любую сторону и снять крышку 1 корпуса фары.


- 3. Отсоединить колодку с проводами от патрона лампы.
- 4. Отжать пружинную скобу

- 2. Вынуть патрон 1 с лампой.
- 5. Заменить лампу, вставить патрон на место и зафиксировать его пружинной скобой.
При установке галогеновой лампы, чтобы продлить ее срок службы, нельзя касаться пальцами колбы, брать лампу за колбу необходимо только в чистых перчатках или с помощью чистой тряпки.
6. Подсоединить к патрону колодку с проводами и установить крышку корпуса фары.
Замена лампы габарита
- 1. Отсоединить провод от «минусовой» клеммы аккумуляторной батареи.
- 2. Повернуть в любую сторону и снять крышку корпуса фары.

3. Вынуть патрон, повернув его на 90°. Заменить лампу, вставить патрон на место и повернуть на 90°. Установить крышку корпуса фары.
Снятие фары
1. Отсоединить провод от «минусовой» клеммы аккумуляторной батареи.

2. Отсоединить колодки с проводами от разъема 1 на корпусе фары и от корректора 2.

3. Отвернуть болт 1 крепления кронштейна фары к кузову, отвернуть два болта 2 верхнего крепления фары и снять фару
Регулировка света
Разметка экрана для регулировки фар.
1. Разметить экран, как показано на рисунке. При этом линию центров фар M наносить на экране на расстоянии h, равном высоте расположения центров фар над уровнем пола.
Расстояние h необходимо измерять на снаряженном автомобиле с дополнительной массой, равной 75 кг на месте водителя.

- 2. Проверить и при необходимости довести до нормы давление в шинах.
- 3. Установить автомобиль на горизонтальную площадку перпендикулярно экрану на расстоянии 5 м. При этом продольная плоскость симметрии автомобиля должна проходить по линии 0 на экране.
- 4. Установить ручку корректора фар, расположенную в комбинации приборов, в положении «0».
- 5. Включить ближний свет.
- 6. Направление светового пятна рекомендуется регулировать для каждой фары отдельно. Вторую фару во время регулировки закрыть непрозрачным материалом.

- 7. Отрегулировать винтами 1 (в горизонтальной плоскости) и 2 ( в вертикальной плоскости) ручной регулировки пучка света положение светового пятна для каждой фары на экране, если расположение световых пятен на экране не соответствует рисунку.
- 8. Фары считаются отрегулированными тогда, когда верхние границы левых частей световых пятен совпадают с линией N, а вертикальные линии А и В проходят через точки С1 и С2 пересечения горизонтальных и наклонных участков световых пятен.

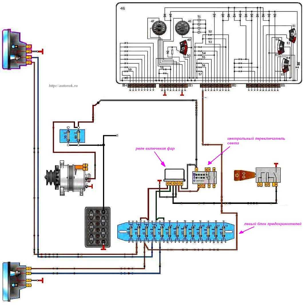
Электрическая схема ближнего и дальнего света
Проблемы с ЦПС
К сожалению, это у Волги и Победы — очень больное место. Переключатель коммутирует нагрузку напрямую, и так как она не такая уж и маленькая, он закономерно подгорает.
К слову, аналогичная проблема есть и у подавляющего большинства американских автомобилей выпуска вплоть до 2000 года, так что не нужно думать, что наши инженеры дураки, просто так строились все машины того времени.
К счастью, доступ к ЦПС вполне удобен, и обслуживать его не сложно.
- Найдите фиксирующий винтик на ручке переключателя, ослабьте его и снимите саму ручку.
- Скрутите декоративную гайку и извлеките ЦПС из-под торпеды. Провода не особенно длинные, и работать с ним будет удобнее, если вы совсем снимите его с машины. Обязательно промаркируйте все провода, а еще лучше дополнительно сфотографируйте все до разборки.
- Теперь можно спокойно разобрать переключатель, зачистить его контакты, придав им совершенно плоскую форму. Смажьте контакты токопроводящей смазкой или просто литолом и соберите все в обратном порядке.
- Дополнительно проверьте состояние ножного или подрулевого (в зависимости от модели) переключателя ближний/дальний.
Добавьте фары в список приоритетов тюнинга вашей Волги
Тюнинг фар является одним из ключевых этапов модернизации вашего автомобиля Волга ГАЗ 3110. Зачастую фары являются одной из первых деталей, которые владельцы автомобилей решают улучшить. Они не только играют важную роль в пассивной безопасности, но и могут значительно изменить внешний вид вашей машины.
Чтобы сделать правильный выбор фар для вашей Волги, вам стоит обратить внимание на следующие параметры:
Тип фар – на рынке представлены различные типы фар, такие как галогеновые, ксеноновые и светодиодные. Каждый из этих типов имеет свои преимущества и недостатки, поэтому стоит оценить их отличия и выбрать наиболее подходящий вариант для своих потребностей.
Яркость фар – яркие фары помогут улучшить видимость дороги в темное время суток и при плохой погоде
Если вы часто ездите по ночам или в условиях ограниченной видимости, стоит обратить внимание на фары с высокой яркостью.
Дизайн фар – помимо функциональности, фары также могут быть элементом стилизации вашей машины. Вы можете выбрать фары с различными дизайнерскими решениями, чтобы подчеркнуть индивидуальность вашего автомобиля.
Качество и надежность – при выборе фар рекомендуется обратить внимание на компании-производителей, имеющие хорошую репутацию
Надежные фары будут служить вам долгое время и не подведут в самый нужный момент.
Помните, что при замене фары обязательно следует проверить и отрегулировать их позицию для обеспечения оптимальной видимости на дороге.
Не забывайте о законодательных ограничениях в вашем регионе, касающихся тюнинга фар. Обязательно узнайте, какие изменения разрешены законом и соблюдайте их.
Тюнинг фар ГАЗ 3110 Волга является прекрасным способом улучшить функциональность и стиль вашей машины. Выбирайте фары, отвечающие вашим потребностям и предпочтениям, и наслаждайтесь безопасной и комфортной ездой даже в условиях низкой видимости.
Проверка и завершение настройки
1. После завершения настройки фар необходимо проверить работу осветительных приборов.
2. Включите передние и задние фары автомобиля и убедитесь, что они включаются и выключаются без перебоев.
3. Проверьте положение головки блока регулировки по выдаваемым отметкам на стене. Проекторы фар должны быть заправлены светом на несколько миллиметров ниже или на уровне целевого знака.
4. Проверьте возможность включения и выключения дальнего света, а также корректность его работы.
5. Проверьте работу автоматического уровня фар при перепаде нагрузки: включите крутящую на сильную полную нагрузку, в процессе проверки осветительных приборов уровень света должен сохраняться на нужном уровне.
6. Проверьте работу датчика дождя и автоматического включения фар: убедитесь, что фары автоматически включаются при наличии осадков и при недостаточной освещенности дороги.
7. Проверьте работу поворотных сигналов и задних фонарей, убедитесь, что они работают корректно и показывают необходимые сигналы.
8. По завершении проверки, закрепите блок регулировки фары на его месте и установите все защитные кожухи и крышки.
Настройка высоты засветки
Настройка высоты засветки фар очень важна для обеспечения безопасности на дороге. Засветка фар должна быть настроена таким образом, чтобы не ослеплять других водителей и обеспечивать хорошую видимость дороги.
Вот пошаговая инструкция, как правильно настроить высоту засветки фар на газ 3110:
- Подготовьте автомобиль. Убедитесь, что ваш автомобиль находится на ровной поверхности и находится включенный режим фар (ближний свет). Также убедитесь, что в автомобиле нет никаких нагрузок и пассажиров.
- Отметьте место на стене. Припаркуйте автомобиль так, чтобы фары были уровнем с рабочей поверхностью стены. Отметьте на стене вертикальную линию, четко видимую от фар.
- Подготовьте прибор для измерений. Вам потребуется специальный дальномер. Следуйте инструкции по его установке и калибровке.
- Измерьте высоту засветки. Включите фары на ближнем свете и направьте их на отмеченную линию на стене. С помощью дальномера измерьте расстояние от центра фары до линии на стене. Запишите это значение.
- Сравните с рекомендуемыми значениями. Найдите в руководстве вашего автомобиля рекомендуемые значения высоты засветки для вашей модели автомобиля. Сравните измеренное значение с рекомендуемыми значениями. Если измеренное значение отличается от рекомендуемого, вам нужно отрегулировать высоту засветки.
- Отрегулируйте высоту засветки. В специальном отсеке под капотом найдите регулировочные винты для фары. Поворачивайте винты, чтобы поднять или опустить фару, пока измеренное значение полностью совпадет с рекомендуемым значением. После регулировки убедитесь, что фары работают правильно и не ослепляют других водителей.
Правильная настройка высоты засветки фар газ 3110 поможет вам безопасно передвигаться на дороге и избежать возможных проблем с другими водителями. Пользуйтесь этой инструкцией для настройки фар и не забывайте проверять их регулярно.
Вопросы выбора, ремонта и замены фар ГАЗ
Для фар автомобилей ГАЗ характерны типичные неисправности любых других фар — перегорание ламп, повреждение рассеивателя (особенно остро эта проблема стоит для фар грузовикови автомобилей «Волга» со стеклянным рассеивателем), трещины на отражателе и ухудшение отражающих свойств этой детали, поломка патрона для ламп и другие. При любой неисправности следует менять деталь или всю фару в сборе.
На замену нужно брать компоненты или фары того же типа, что были установлены на автомобиле ранее. Наиболее просто замену сделать для фар типа ФГ-122 — для них есть и оптические элементы (которые нужно менять в сборе при повреждении только одного рассеивателя или отражателя), и ободки, и облицовка, и другие детали. Что касается блок-фар актуальных моделей автомобилей «ГАЗель», «Соболь» и «Валдай», то при большинстве неисправностей такие фары меняются в сборе, хотя при некотором желании можно заменить только стекло, которое монтируется с помощью герметика.
Замену фар и ламп в них следует выполнять по инструкции к данному конкретному автомобилю. Демонтаж и монтаж фар зависит от модели автомобиля:
- Грузовые автомобили ГАЗ с фарами ФГ-122: обесточить автомобиль, вывернуть винты крепления ободка, вывернуть винты крепления фары к кузову (крылу), вынуть фару, отсоединить провод, установить фару в обратном порядке. При необходимости замены только лампы нужно вывернуть винты крепления ободка, вынуть оптический элемент, снять патрон, заменить лампу и выполнить сборку в обратном порядке;
- «Волга» и «ГАЗель» с прямоугольными фарами: отсоединить клеммы, вывернуть один винт в нижней части фары со стороны моторного отсека, вывернуть два верхних винта с наружной стороны (при открытом капоте), вынуть фару и установить новую деталь в обратном порядке;
- Актуальные модели с блок-фарами: снять бампер или радиаторную решетку (в зависимости от конструкции передка), отсоединить клеммы, вывернуть два винта под фарой снаружи, вывернуть один винт со стороны моторного отсека (при открытом капоте), вынуть фару и установить новую фару в обратном порядке. Замена ламп выполняется без демонтажа фары через крышки, выведенные в моторный отсек.
После установки новой фары (или обеих фар) следует выполнить регулировку оптики в соответствии с инструкцией. Круглые фары ФГ-122 и ранние модификации прямоугольных фар устанавливаются вручную с помощью винтов, блок-фары обычно имеют электрокорректор, управляемый из салона автомобиля.
При правильном подборе, замене и регулировке фар эксплуатация автомобиля ГАЗ будет безопасной в любое время суток.
Проверка фары в дневное время
Дневное время — это период солнечного дня, когда естественное освещение достаточно сильное, чтобы население не нуждалось в использовании фар на автомобиле для обеспечения видимости на дороге. Однако, существует несколько важных шагов, которые можно предпринять для проверки работоспособности фары в дневное время:
-
Включите фары автомобиля. Включите фары вашего автомобиля, чтобы убедиться, что они функционируют в правильном режиме.
- Если фары включаются и светятся ярко без каких-либо проблем, значит они работают нормально.
- Если фары не включаются, возможно, причина в плохой электрической связи, перегоревших предохранителях или сгоревшей лампе.
-
Проверьте фокусировку света. Дневное время позволяет лучше увидеть, как свет от фар распределяется на дорогу.
- Убедитесь, что свет от фары не рассеивается или не искажается и является ровным и равномерным.
- Если свет фары не фокусируется должным образом, возможно, необходимо отрегулировать фару.
-
Оцените видимость фар в дневное время. В некоторых случаях, как на дороге, так и вне дороги, может быть трудно оценить видимость фар в дневное время.
- Попросите кого-то проверить видимость фар с различных дистанций и углов обзора.
- На основании этой информации вы можете решить, нужно ли заменить лампы фар или чистить фары для улучшения видимости.
Проверка фары в дневное время является важной процедурой для обеспечения безопасности и видимости на дороге. Убедитесь, что ваши фары функционируют должным образом и не препятствуют вашей видимости
Отсутствие массы
Это весьма частая проблема. Дело в том, что минус у Волги, как и большинства других машин, идет по корпусу (некоторые машины до 1960 г.в. имеют на кузове плюс), соответственно, к фарам минус приходит по крыльям, а они на Волгах не приварные, а съемные, и крепятся на болтах. С годами коррозия нарушает контакт между кузовом и крылом, и в цепи фар возникают потери. Именно поэтому у некоторых Волг фары не горят, а тлеют. Кстати, иногда после серьезного кузовного ремонта, свет может и вовсе пропасть. Мастер из лучших побуждений добротно обработал крылья, снятые с машины, отгрунтовал их, покрасил и даже покрыл с обратной стороны мастикой. Разумеется, контакт пропал.
Лучше всего, конечно, не заниматься процарапыванием грунта под болтами до чистого металла. Просто проложите к фарам отдельные минусовые провода, взяв массу или с кузова, или с двигателя. Кабель используйте сечением 1,5 мм. Этого более чем достаточно, нагрузка всего 120-140 Вт.
Кстати, эта же причина, скорее всего, создает вам проблемы с корректностью работы указателей поворотов. Проложите минус и к поворотникам.
Нарушена проводка
К сожалению, стареет все, а особенно быстро это происходит с теми вещами, которые подвергаются воздействию агрессивных факторов.
Проводка автомобилей ГАЗ выполнена предельно просто, и разобраться в ней труда не составит. Смонтирована она на виду, гофрами не закрыта, и наша задача сводится к отслеживанию проводов нужного цвета и их прозвонке на предмет слишком высокого сопротивления.
- Открываем капот и находим на переднем брызговике (телевизоре) распределительные колодки.
- Ставим мультиметр в режим измерения сопротивления и начинаем прозванивать провода (для определения нужных, удобно воспользоваться цветными схемами электрооборудования). Сопротивление во всех случаях должно быть близким к нулю. Если на каком-то из проводов оно сколь-нибудь значительное, значит, провод или имеет разрыв, или за годы эксплуатации его съели окислы.
Далее поочередно отпустим винты на распределительных колодках и очень хорошо зачистим зажимаемые ими клеммы. Смажем их литолом и аккуратно все соберем обратно.
Также имеет смысл провести ревизию разъемов ламп. Бывает, что подгорают и они.
Для ГАЗ 31105, характерная проблема — подгорание патрона лампы габарита. От температуры патрон разрушается и не держит лампу. Как вариант решения проблемы — замена лампы габарита на светодиодную.
Тюнинг фар ГАЗ 3110 Волга: советы и рекомендации
Фары являются важной частью внешнего вида автомобиля, а также играют важную роль в обеспечении безопасности во время вождения. Тюнинг фар ГАЗ 3110 Волга может значительно улучшить внешний вид вашего автомобиля, сделать его ярче и более выразительным
Ниже представлены некоторые советы и рекомендации по тюнингу фар ГАЗ 3110 Волга.
1. Установка светодиодных ламп
Светодиодные лампы являются одним из самых популярных элементов тюнинга фар. Они обладают высокой яркостью и долгим сроком службы. Установка светодиодных ламп позволит значительно повысить яркость и интенсивность света фар, что улучшит видимость на дороге и повысит безопасность вождения.
2. Затемнение фар
Затемнение фар — это еще одно популярное решение для тюнинга фар ГАЗ 3110 Волга. Это процесс нанесения тонировочной пленки на фары для создания эффекта темных, агрессивных фар. Затемнение фар не только изменит внешний вид автомобиля, но и улучшит его стиль и привлекательность.
3. Установка ангельских глаз
Установка ангельских глаз – это один из самых популярных способов тюнинга фар ГАЗ 3110 Волга. Ангельские глазки представляют собой светодиодные кольца, устанавливаемые вокруг проекционных линз фары. Они не только придают автомобилю индивидуальный стиль и уникальный внешний вид, но и делают фары более яркими и заметными на дороге.
4. Установка хрустальных линз
Установка хрустальных линз позволяет повысить качество и яркость света фар ГАЗ 3110 Волга. Хрустальные линзы позволяют сфокусировать свет и увеличить его интенсивность, что заметно улучшит видимость на дороге и повысит безопасность вождения. Установка хрустальных линз является более сложным и затратным процессом, но результат стоит затраченных усилий.
5. Покраска ободков фары
Покраска ободков фары – это простой и доступный способ изменить внешний вид фар ГАЗ 3110 Волга. Вы можете выбрать любой цвет для покраски ободков фары, в соответствии с вашими предпочтениями и стилем автомобиля. Это простой способ сделать вашу Волгу уникальной и выделяющейся на дороге.
Тюнинг фар ГАЗ 3110 Волга – это отличный способ придать вашему автомобилю индивидуальность и уникальный внешний вид. Выберите подходящий для вас вариант тюнинга фар и преобразите свою Волгу в стильное и яркое авто.
Замените обычные лампы на светодиодные
Один из самых простых способов улучшить внешний вид и функциональность фар ГАЗ 3110 Волга — заменить обычные лампы на светодиодные. Светодиодные лампы имеют несколько преимуществ перед обычными:
- Яркость: Светодиодные лампы обеспечивают более яркое освещение дороги, что повышает безопасность вождения и делает вашу Волгу более заметной на дороге.
- Долговечность: Светодиодные лампы обладают значительно большим сроком службы по сравнению с обычными лампами. Они прослужат гораздо дольше, что экономит ваши деньги и время, затраченные на замену.
- Энергоэффективность: Светодиодные лампы потребляют меньше энергии, чем обычные лампы, что улучшает эффективность работы аккумулятора вашей Волги.
- Стойкость к вибрациям: Светодиодные лампы обладают высокой степенью стойкости к вибрациям, что делает их идеальным выбором для тюнинга фар ГАЗ 3110 Волга, которые подвержены воздействию дорожных неровностей.
При замене обычных ламп на светодиодные обратите внимание на их характеристики, такие как цветовая температура и мощность. Выберите лампы, которые соответствуют вашим предпочтениям и требованиям
Не забывайте, что замена ламп требует некоторых навыков и инструментов, поэтому, если вы не уверены в своих способностях, лучше обратиться к профессионалам. Они смогут выполнить замену качественно и безопасно.
В итоге, замена обычных ламп на светодиодные позволит вам получить более яркое и стильное освещение фар ГАЗ 3110 Волга, что подчеркнет ее индивидуальность и привлечет внимание на дороге
Назначение и функции фары ГАЗ
Фара ГАЗ — внешний световой прибор автомобилей ГАЗ, обеспечивающий освещение дорожного покрытия и окружающей местности в темное время суток или в условиях недостаточной освещенности.
Все автомобили производства ГАЗ оснащаются фарами головного света, которые выполняют несколько основных функций:
- Освещение дорожного полотна и окружающей местности;
- В блок-фарах — подача сигнала о маневрировании (посредством указателей поворота) и обозначение габаритов автомобиля (посредством габаритных огней);
- Формирование привлекательного внешнего вида автомобиля.
Автомобили Горьковского автозавода — это, в массе своей, «рабочие лошадки», которые эксплуатируются в сложных условиях при перевозке людей и грузов, выполнении различных работ, и т.д. Такие работы связаны с повышенным риском контакта с посторонними предметами, механизмами и другими транспортными средствами, что часто выливается в разнообразные повреждения фар. Эксплуатация автомобиля с неисправными фарами запрещена действующими ПДД, поэтому осветительные приборы необходимо как можно скорее менять. Но прежде, чем приступать к ремонту, следует разобраться в существующих типах фар ГАЗ, их конструктивных особенностях и применяемости.
Подключение проводки к фаре
Для корректной работы фары ГАЗ 3110 необходимо правильно подключить проводку. Для этого следуйте инструкциям:
- Подготовьте необходимые инструменты: отвертку, кусачки, электрический скотч.
- Откройте капот автомобиля и найдите фару, к которой необходимо подключить проводку.
- В зависимости от модели и комплектации автомобиля, проводка может быть различной. Обычно она представляет собой несколько проводов разного цвета.
- С помощью кусачек обрежьте изоляцию на концах проводов на несколько сантиметров.
- Проверьте консистентность проводов в соответствии с инструкцией автомобиля. Она может быть представлена в руководстве по эксплуатации или находиться на наклейке в моторном отсеке.
- Соедините провода с соответствующими контактами фары. Для этого открутите клемму фары, вставьте концы проводов в контактные отверстия и закрутите клемму. Убедитесь, что соединение прочное и надежное.
- Зафиксируйте провода с помощью электрического скотча или специальных скрепок для проводки. Убедитесь, что провода не мешают работе других элементов автомобиля и при необходимости закрепите их так, чтобы они не провисали и не спускались.
- Проверьте работоспособность фары, включив ее после завершения подключения проводки.
Если вы не уверены в своих навыках или не имеете достаточного опыта, рекомендуется обратиться к специалисту.
Фиксация проводки
После того, как провода подключены к фарам и проверена правильность их подключения, необходимо обеспечить их надежную фиксацию.
Для этого можно использовать различные методы и инструменты:
- Скобки-зажимы: их можно прикрепить к кузову автомобиля, они обеспечат надежную фиксацию проводов.
- Самоклеящаяся лента: можно обмотать провода лентой, чтобы они не провисали и не мешали при движении автомобиля.
- Пластиковые фиксаторы: они представляют собой специальные клипсы, которые закрепляются на кузове автомобиля и позволяют фиксировать провода в нужном положении.
Необходимо также убедиться, что провода не перекручены и не проводятся по транспортному мешку, чтобы избежать короткого замыкания и повреждения проводки.
После установки и фиксации проводки следует еще раз проверить работоспособность фар и их правильное включение. В случае, если фары не работают, необходимо проверить соединение проводов и повторно провести проверку.
Фиксация проводки играет важную роль в обеспечении надежности и безопасности работы фар автомобиля. Правильно выполненная фиксация поможет избежать поломок и отключения фар при движении, а также предотвратит повреждение проводки.























