Работа барабанного тормоза
В исходном состоянии колодки плотно прижаты стяжными пружинами к упорам щитов и прорезям в поршнях рабочих цилиндров. Между колодками и внутренней поверхностью барабана имеется зазор, который поддерживается минимальным при помощи механизмов регулировки, автоматически или с ручным подводом при каждом техническом обслуживании. Автоматика удержания рабочего зазора имеет или отдельный механизм храповикового типа, или заключена в гидроцилиндрах, имеющих встроенные распорные кольца, ограничивающие обратный ход поршней.
После нажатия на педаль давление в цилиндрах растёт, поршни выдвигаются и распирают колодки внутри барабанов. Когда будет выбран зазор, фрикционные накладки плотно прижмутся к поверхности. Трение возрастёт, и автомобиль начнёт замедление.

После отпускания педали колодки вернутся на место под воздействием пружин. При этом величина обратного хода лимитируется механизмами поддержания зазора. Излишне большая его величина приведёт к росту свободного хода и снижению эффективности торможения, а отсутствие вызовет постоянное трение, перегрев, расход топлива и материала накладок. Работает самоподвод за счёт перемещения втулки в цилиндре, для чего требуется усилие большее, чем могут развить стяжные пружины, но оно легко преодолевается давлением жидкости на поршень. В результате ход колодок ограничен шириной прорези под кольцо в поршне.
Ручной тормоз обычно имеет механический привод от оболочечного троса. Усилие передаётся через рычаг к одной из колодок, а вторая будет отведена через распорную планку.
Выход из ситуации: какие детали следует проверить и заменить
Чтобы решить проблему жесткости педали тормоза на Газели, следует провести проверку и замену некоторых деталей.
- Тормозные колодки – если колодки изношены или повреждены, они могут стать причиной трудностей при нажатии педали тормоза. Рекомендуется заменять колодки сразу же, как только обнаружены признаки износа.
- Тормозные диски – если диски имеют сильный износ или повреждения, это может привести к тому, что педаль тормоза станет жесткой. Если поверхность дисков имеет риски или царапины, рекомендуется заменить диски.
- Тормозные шланги – если шланги изношены или повреждены, они могут ограничивать поток тормозной жидкости и приводить к трудностям при нажатии педали тормоза. Рекомендуется заменить шланги через каждые 2-3 года.
- Тормозной бак и жидкость – если в баке недостаточно тормозной жидкости или она загрязнена, это может препятствовать нормальному функционированию тормозов. Рекомендуется проводить регулярные проверки и замену жидкости каждый год.
После замены деталей рекомендуется провести тест-драйв, чтобы убедиться, что проблема жесткости педали тормоза была решена. Если проблема остается, рекомендуется обратиться за помощью к специалистам для дополнительной диагностики и решения проблемы.
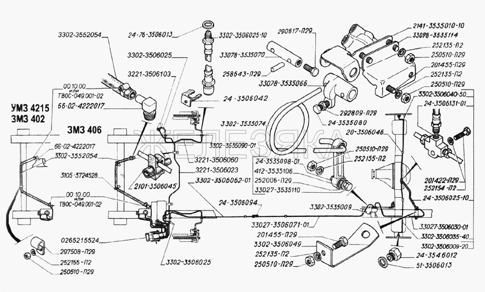
Конструкция тормозной системы автомобиля Соболь
Автомобиль Соболь имеет рабочую и стояночную тормозные системы. Рабочая тормозная система гидравлическая, двухконтурная (разделена на передний и задний контуры), с вакуумным усилителем, регулятором давления в приводе задних тормозов и датчиком аварийного падения уровня тормозной жидкости в бачке.
При отказе одного из контуров рабочей тормозной системы второй контур обеспечивает торможение автомобиля, хотя и с меньшей эффективностью.
Тормозные механизмы передних колес дисковые, с однопоршневой плавающей скобой (при торможении поршень прижимает внутреннюю колодку к диску, а скоба, смещаясь в противоположном направлении, прижимает к нему наружную колодку).
Минимально допустимая толщина накладок передних тормозных колодок — 3 мм.

Тормозные диски вентилируемые, установлены на ступицах, и каждый крепится к ним тремя винтами с потайной головкой. Минимально допустимая толщина диска — 19 мм.
Скоба состоит из основания, которое крепится двумя болтами к стойке подвески, и корпуса, связанного с основанием через направляющие пальцы.
Тормозной цилиндр выполнен в корпусе скобы и защищен от грязи резиновым чехлом (пыльником). Внутри цилиндра выполнена проточка, в которую вставлено уплотнительное кольцо (манжета).
Когда при торможении поршень выдвигается из цилиндра, это кольцо слегка скручивается и после окончания торможения стремится вернуть поршень в исходное положение. За счет этого поддерживается постоянный минимальный зазор между диском и тормозными колодками.
Тормозные механизмы задних колес барабанные, с двухпоршневыми цилиндрами и автоматической регулировкой зазоров между колодками и барабаном.
В цилиндр с натягом вставлены упорные кольца, ограничивающие свободный ход поршней после окончания торможения.
По мере износа колодок кольца сдвигаются на величину износа, за счет чего поддерживается постоянный зазор между колодками и барабаном. В верхней части тормозных колодок расположены эксцентрики для регулировки привода стояночного тормоза.
Минимально допустимая остаточная толщина накладок задних тормозных колодок – 1 мм. Максимально допустимый внутренний диаметр тормозного барабана – 283 мм.
Главный тормозной цилиндр с двухсекционным бачком и датчиком аварийного падения уровня тормозной жидкости крепится к вакуумному усилителю.
Поршни в цилиндре расположены последовательно, ближайший к вакуумному усилителю приводит в действие тормозные механизмы задних колес, другой поршень – передних.
При отсутствии утечек жидкости ее уровень в бачке главного тормозного цилиндра должен находиться между метками МАХ и MIN.
По мере износа тормозных накладок уровень понижается. В случае сильного падения уровня в результате нарушения герметичности тормозной системы срабатывает датчик и в комбинации приборов загорается лампа красного цвета.
В этом случае доливать жидкость можно только после устранения неисправности.
Вакуумный усилитель расположен между педальным узлом и главным тормозным цилиндром и крепится к кронштейну на четырех шпильках.
Для увеличения тормозного усилия используется разрежение во впускном трубопроводе двигателя, с которым усилитель соединен шлангом.
Усилитель неразборной конструкции, при выходе из строя он заменяется целиком.
На автомобилях с двигателем ГАЗ-560 разрежение для работы вакуумного усилителя создается специальным вакуумным насосом, закрепленным на задней крышке генератора.
Регулятор давления крепится к левому лонжерону рамы.
Он корректирует давление тормозной жидкости в контуре тормозов задних колес в зависимости от загрузки автомобиля, что повышает курсовую устойчивость при торможении.
При выходе из строя регулятор заменяют новым. После замены регулятора или элементов задней подвески необходимо отрегулировать положение нагрузочной пружины относительно балки заднего моста.
Регулятор давления, а также цилиндры тормозных механизмов передних и задних колес имеют штуцеры для прокачки контуров тормозной системы.
Узлы и агрегаты тормозной системы соединены между собой стальными трубками и резиновыми шлангами.
Руководство по эксплуатации на Газель Бизнес ГАЗ-3302, ГАЗ-2705, ГАЗ-3221 с двигателями УМЗ-4216, УМЗ-42164, УМЗ-42165, Evotech А274, Evotech А275, 3302-3902010-20 РЭ.
О книге:Издание:Формат книги:Страниц:Язык:Размер:Скачать книгу:
1. ПАСПОРТНЫЕ ДАННЫЕ2. ВАШЕМУ ВНИМАНИЮ3. ПРАВИЛА ТЕХНИКИ БЕЗОПАСНОСТИ4. ТЕХНИЧЕСКАЯ ХАРАКТЕРИСТИКА5. ОРГАНЫ УПРАВЛЕНИЯ И ПРИБОРЫ6. ДВЕРИ, СИДЕНЬЯ И РЕМНИ БЕЗОПАСНОСТИ7. ОБКАТКА НОВОГО АВТОМОБИЛЯ
8. ЭКСПЛУАТАЦИЯ АВТОМОБИЛЯ
8.1. Пуск двигателя 8.2.Движение автомобиля 8.3. Торможение и стоянка 8.4. Буксирные приспособления 8.5. Отопление, вентиляция и кондиционирование кабины (салона) 8.6. Приборы освещения и световой сигнализации 8.7. Стеклоочиститель и стеклоомыватель 8.8. Предохранители 8.9. Система управления двигателем 8.10. Генераторная установка 8.11. Стартер 8.12. Антиблокировочная система тормозов
9. ТЕХНИЧЕСКОЕ ОБСЛУЖИВАНИЕ АВТОМОБИЛЯ
9.1. Проверка уровня масла в картере двигателя 9.2. Проверка уровня масла в коробке передач, в раздаточной коробке (для автомобилей с колесной формулой 4×4), в переднем (для автомобилей с колесной формулой 4×4) и в заднем мостах 9.3. Проверка уровня охлаждающей жидкости 9.4. Проверка уровня тормозной жидкости в бачке главного тормозного цилиндра 9.5.Проверка уровня электролита в аккумуляторной батарее 9.6. Проверка уровня масла в бачке системы гидроусилителя руля 9.7. Натяжение ремней привода агрегатов 9.8. Регулятор давления 9.9. Свечи зажигания 9.10. Уход за колесами и шинами 9.11. Замена колес 9.12. Уход за кабиной, кузовом 9.13. Инструмент и принадлежности 9.14. Виды технического обслуживания автомобиля
9.15. Работы, выполняемые при техническом обслуживании
9.15.1 Ежедневное техническое обслуживание (ЕО) 9.15.2 Периодическое техническое обслуживание (ТО) 9.15.3 Смазка автомобиля 9.15.4. Карта смазки 9.15.5. Зарубежные аналоги смазочных материалов и эксплуатационных жидкостей 9.15.6. Топливо, применяемое на автомобиле
10. ПРАВИЛА ХРАНЕНИЯ И ТРАНСПОРТИРОВАНИЯ АВТОМОБИЛЯ11. УТИЛИЗАЦИЯ
12. ПРИЛОЖЕНИЯ
12.1. Радиооборудование 12.2. Тахограф 12.3. Установка каркаса тента на платформу автомобиля 12.4. Заправочные объемы 12.5. Лампы, применяемые на автомобиле 12.6. Подшипники качения, применяемые на автомобиле 12.7. Манжеты, применяемые на автомобиле 12.8. Моменты затяжки ответственных резьбовых соединений 12.9. Эксплуатационные материалы 12.10. Перечень изделий, содержащих драгоценные металлы
Предупреждение!
Электронная версия данной книги создана исключительно для ознакомления только на локальном компьютере. Скачав файл, вы берете на себя полную ответственность за его дальнейшее использование и распространение. Начиная загрузку книги, вы подтверждаете свое согласие с данными утверждениями.
Реализация данной электронной книги с целью получения прибыли незаконна и запрещена. По вопросам приобретения данной книги обращайтесь непосредственно к законным издателям или их представителям.
Руководство по эксплуатации на Газель Бизнес ГАЗ-3302, ГАЗ-2705, ГАЗ-3221 с двигателями УМЗ-4216, УМЗ-42164, УМЗ-42165, Evotech А274, Evotech А275, 3302-3902010-20 РЭ — СКАЧАТЬ КНИГУ >>>
Регулировка стояночного тормоза своими руками
Перед тем как отрегулировать ручник на «Газели», поднимите заднюю часть автомобиля и установите на опоры. После этого демонтируйте колёса, чтобы получить доступ к щитку тормозного механизма. И также следует знать, что регулировочные процедуры проводятся с установленным в нерабочее положение рычагом (опущенным до упора).
Следите за натяжением троса – это важно для вашей безопасности
Для работы вам понадобится гаечный ключ на «17», два ключа на «22», трубчатый ключ на «9» и отвёртка с плоским лезвием. Подготовив необходимый набор инструментов, приступайте к регулировке ручного тормоза в соответствии со следующим перечнем действий:
- Итак, сначала нужно добраться до тормозного механизма — для этого воспользуйтесь отвёрткой и извлеките на тормозном щите верхнюю и нижнюю пластиковые заглушки.
- Далее, ключом на «17» ослабьте на два оборота (не более) гайку эксцентрика и, сдвинув колодки, разблокируйте тормозной барабан. Для этого нужно при помощи трубчатого ключа вращать болт эксцентрика в обратную сторону. Если колодки слегка касаются барабана, это допустимо. Контролировать весь процесс вы можете через специальные смотровые окна, которые расположены в нижней части щитка тормозного механизма.
- После этого гайку эксцентрика необходимо затянуть с моментом 2,4–3,5 кгс/м. Если у вас под рукой нет динамометрического ключа, производите затяжку от руки с разумным усилием. При этом поворот самого эксцентрика недопустим.
- На этом первый этап регулировки ручника на автомобиле «Газель» завершён, поэтому установите заглушки на место и проделайте аналогичные действия на втором колесе.
Теперь необходимо установить уравнитель троса в перпендикулярное положение по отношению к оси транспортного средства. Достигается это путём ослабления затяжки гаек крепления тросов. Перемещая гайки по резьбе, вы установите уравнитель в нужное положение, одновременно устранив люфт между ним и наконечниками тросов. После этого контргайки необходимо затянуть.
С завершением описанной процедуры процесс настройки стояночного тормоза ещё не окончен, поскольку необходимо отрегулировать натяжение центрального троса. Для начала поднимите рычаг ручника на один щелчок и вращением регулировочной гайки в месте крепления заднего наконечника троса к уравнителю (предварительно отпустив контргайку) производите натяжку до момента, пока колёса не начнут слегка затормаживаться. После этого опустите рычаг ручного тормоза вниз до упора и от руки покрутите каждое заднее колесо. Правильно отрегулированный ручник не должен препятствовать вращению. Кроме того, при установке автомобиля на стояночный тормоз ход рычага должен составлять 15 щелчков храпового механизма.
Из этого руководства вы узнали, как подтянуть ручник на «Газели» без посторонней помощи. Но иногда после правильно выполненной регулировки получить ожидаемый результат не удаётся по причине критического износа или растяжения тросов. В этом случае трос ручника придётся заменить, о чём и пойдёт речь ниже.
Тормосин
Ферма Tormosin расположен в Чернышковском районе Волгоградской области в 47 километрах от районного центра р. п. Чернышковской административный центр поселок Совхоза тимошенковского. сельские, извиваясь, тянется на несколько километров вдоль реки Аксенными. С юга, юго-запада Tormosina начать Цимлянские пески газонами и деревьями. На другой стороны поля, степи, перемежаемые лесополосами, много оврагов. В 20 километрах к юго – Цимлянское водохранилище Высота. моря 47 метров. На ферме проживает около 1350 люди больше чем 500 семей. одноэтажные дома, в основном из дерева и кирпича.
Ответы на вопросы
Как часто нужно производить ремонт тормозной системы Газели?
Рекомендуется проверять состояние тормозов и заменять детали раз в год или каждые 15-20 тысяч км пробега. Однако, если вы заметили какие-то неисправности, то нужно обратиться к механику как можно скорее.
Какие детали тормозной системы Газели требуют чаще всего замены?
Нужно заменять тормозные колодки и диски, тормозные шланги и магистральные трубы, а также комплект регулировки тормозов.
Какие признаки указывают на неисправность тормозов?
Запах горящего пластика, сильные вибрации и шумы при торможении, длинный путь торможения, перекос машины в сторону при торможении и ухудшение контроля над автомобилем.
Какие дополнительные инструменты могут понадобиться для ремонта тормозной системы Газели?
В зависимости от специфики ремонта, могут понадобиться гидравлический пресс, скобозабивной инструмент, трубогибы и комплект калибровочных винтов.
Как заменить тормозные колодки на Газели?
Сначала нужно снять колесо с тормозом, затем снять крепления колодок, аварийную пружину и надавить на поршень. После этого можно снять старые колодки и установить новые, затем привести всё в исходное положение.
Как заменить тормозные диски на Газели?
Сначала нужно снять колесо с тормозом и шпильку, затем снять старый диск и установить новый. После этого нужно прокрутить колесо, чтобы проверить, что всё работает правильно.
Как заменить тормозные шланги на Газели?
Сначала нужно снять колесо с тормозом и старый шланг, затем установить новый шланг и подключить его к тормозной системе. Не забудьте проверить утечки гидравлической жидкости.
Как произвести замену магистральных труб на Газели?
Сначала нужно снять колесо с тормозом и снять старые трубы. Затем нужно установить новые трубы и подключить их к тормозной системе
Важно правильно затянуть гайки и проверить на наличие утечек
Как понять, когда нужно регулировать тормоза?
Если вы заметили, что путь торможения увеличился, а педаль стала мягче, значит, нужно произвести регулировку тормозов. Обычно такие признаки возникают в результате износа тормозных колодок.
Как произвести регулировку тормозов на Газели?
Сначала нужно отрегулировать основные тормоза, затем отрегулировать ручник. Для этого нужно открыть люк в кабине, поднять заднее колесо и регулировать рейку ручника до тех пор, пока колесо не начнёт крутиться свободно.
Тюнинг тормозов Газель 3302: как повысить эффективность и безопасность торможения
Тормозная система является одной из самых важных частей автомобиля, особенно для коммерческого транспорта, такого как Газель 3302. Надежные и эффективные тормоза обеспечивают безопасность вождения и увеличивают срок службы автомобиля.
Существует несколько способов улучшить эффективность и безопасность торможения Газели 3302:
Замена тормозных колодок
Регулярная замена изношенных колодок является важной профилактической мерой. Использование качественных и соответствующих типу транспортного средства колодок поможет повысить тормозные свойства и уменьшить риск аварий.
Обслуживание тормозных дисков
Проверка толщины дисков, их плоскости и состояния поверхности поможет избежать неоднородного износа колодок и дополнительно обеспечит надежность тормозной системы.
Использование качественной тормозной жидкости. Проверка и обновление тормозной жидкости регулярно поможет поддерживать эффективность работы тормозов и избегать проблем с их неправильной работой.
Установка ABS. Антиблокировочная система(ABS) повышает безопасность торможения путем предотвращения блокировки колес во время торможения. Установка ABS на Газель 3302 поможет сократить тормозной путь и повысить управляемость автомобиля в экстремальных ситуациях.
Тюнинг тормозных механизмов. Оптимизация работы тормозной системы может включать в себя изменение диаметра тормозных дисков, замену тормозных суппортов, установку спортивных тормозных трубок и др. Такой тюнинг может улучшить эффективность торможения, особенно при экстремальной езде.
Помните, что любые изменения и доработки тормозной системы Газели 3302 должны выполняться профессионалами и соблюдать все требования безопасности и нормы законодательства.
Выбор необходимых инструментов и комплектующих
Для осуществления процесса установки новых тормозных механизмов на Газель, вам понадобятся следующие инструменты и комплектующие:
1. Набор гаечных и ключевых инструментов: для демонтажа и монтажа тормозных деталей и соединений.
2. Монтажный станок: позволяет устанавливать и крепить тормозные диски и колодки на передние и задние колеса Газели.
3. Тормозные диски и колодки: выбрать и купить подходящие запчасти в соответствии с моделью и годом выпуска Газели.
4. Гидравлические трубки и шланги: для соединения тормозных механизмов с главным тормозным цилиндром и задними тормозными цилиндрами.
5. Главный тормозной цилиндр: генерирует давление в гидравлической системе тормозов и передает его по трубкам.
6. Уплотнительные кольца: для обеспечения герметичности соединений трубок с цилиндрами и узлами тормозной системы.
При выборе инструментов и комплектующих необходимо учитывать модель и год выпуска вашей Газели, а также особенности ее тормозной системы. Рекомендуется использовать оригинальные запчасти или проверенные производители для обеспечения надежной и безопасной работы тормозов.
По какому принципу работают барабанные тормоза?
Рабочий процесс начинается точно так же, как на дисковых механизмах, – с жидкости, передающей давление от главного тормозного цилиндра к исполнительному механизму тормозов. С этого момента и появляются все главные отличия.
Вместо тормозного суппорта, как у дискового тормоза, в барабанных тормозах жидкость попадает в так называемый рабочий тормозной цилиндр, установленный внутри чугунного тормозного барабана.
Жидкость выталкивает два поршня из корпуса рабочего тормозного цилиндра наружу, в результате чего тормозные колодки расходятся, прилегая к внутренней обшивке тормозного барабана. Так как барабан крепится к ступице, вызываемое трение начинает замедлять вращение колеса.
Также в функциональной части тормозного механизма важную роль играют так называемые стяжные пружины. Две пружины установлены по обоим концам двух колодок. Как ясно из названия, эти пружины возвращают тормозные колодки в исходное положение после отпуска тормозной педали.
По мере износа колодок специальная система подвода будет выбирать лишнее расстояние между барабаном и колодками, что позволит не снижать КПД и скорость работы тормозной системы с течением времени и естественным износом компонентов. Тем не менее – об этом говорят знатоки – передние колодки в барабанных тормозах прижимаются к поверхности с большей силой, что увеличивает их износ.
Как устроена тормозная система в Газели?
Каждый водитель должен иметь минимальный набор знаний, о важнейших системах своего автомобиля. Одной из таких систем является тормозная и имея представление о ее работе, можно правильно реагировать на различные ситуации.
Как бы удивительно это не звучало, на самой важной системой автомобиля, а их тут находится не мало, считается именно тормозная система. Особенно если рассматривать такой автомобиль как Газель, ведь данная машина довольно тяжелая и ее часто используют для перевозки большого количества людей или грузов
Но ведь действительно, поехать-то машина поедет, а как ее остановить?
Тут-то в работу и включается обсуждаемый механизм торможения.![]()
Что такое тормозная система?
Говорить всевозможными терминами большого смысла нет, терминологию оставим профессионалам. Так что разберем этот аспект устройства авто более детально, с употреблением понятных слов.
Система, позволяющая остановиться у любого автомобиля, будь то Газель, легковая иномарка или тяжелая фура, отвечает за процесс остановки. При этом останавливаться мы должны самостоятельно, контролируя этот процесс. Другими словами, данный механизм отвечает за снижение скорости машины, ее полную остановку и сохранение стоячего положения.
При этом, сила торможения может создаваться несколькими путями:
- Непосредственно механизмом;
- Двигателем;
- Трансмиссией (ее гидравлическим или электрическим тормозом-усилителем).
Тормозной механизм газели
Автомобилем Газель используется тормозная система, называемая гидравлической.
В конструкцию гидравлической системы входят следующие элементы:
- Тормозная педаль;
- Усилитель тормозов;
- Главный цилиндр;
- Соединительные шланги;
- Трубопровод.
Выжимая педаль тормоза, водитель приводит в действие главный цилиндр. Далее в работу включается усилитель, благодаря которому усилие от нажатия ногой на педаль возрастает в десятки раз. После этого, внутри главного тормозного цилиндра резко увеличивается давление тормозной жидкости, которая устремляется к цилиндрам.![]()
Неисправности системы
Как обычно, подходя к вопросу о различных поломках и неисправностях, их насчитывается огромное количество.
Однако, существует ряд проблем, с которыми водители сталкиваются гораздо чаще, по этой причине следует знать некоторые из них, например:
- Проваливание педали тормоза;
- Ослабление тормозов или их неравномерное срабатывание;
- Увеличение остановочного пути;
- Сложность при нажатии на педаль для замедления или остановки машины;
- Крен машины при торможении;
- Срабатывание тормозов без нажатия на соответствующую педаль;
- Движение машины в положении «стоя».
Этот список можно продолжать еще довольно долго, однако, тут приведены самые распространенные примеры проблем, которые испытывает тормозная система.![]()
При любом проявлении хотя бы одной из них, следует незамедлительно обратиться к специалистам за диагностикой, иначе вы подставляете опасности не только свою Газель, но и всех ее пассажиров, в том числе и себя.
Вывод
Тормозная система любого автомобиля — это главный механизм, отвечающий за безопасность всех участников дорожного движения
Крайне важно знать принцип ее работы, ее устройство и возможные неполадки, ведь эти знания могут спасти вам жизнь
Особенности тормозов Газель
— рабочая с двухконтурным приводом (раздельным торможением осей), который действует на тормоза всех колес;
— запасная, функцию которой может выполнять каждый контур рабочей тормозной системы;
— стояночная, которая действует на тормозные механизмы задних колес.
Рабочая тормозная система гидравлическая, двухконтурная (разделена на передний и задний контуры), с вакуумным усилителем, регулятором давления и датчиком аварийного падения уровня тормозной жидкости в бачке.
Запасная система образована каждым контуром рабочей. При отказе одного из контуров тормозной системы второй контур обеспечивает торможение автомобиля, хотя и с меньшей эффективностью.
Стояночная система – механическая, с тросовым приводом от ручного рычага на тормозные колодки задних колес. Тормозные механизмы передних колес дисковые, с однопоршневой плавающей скобой (при торможении поршень прижимает внутреннюю колодку к диску, а скоба, смещаясь в противоположном направлении, прижимает наружную). Минимально допустимая остаточная толщина накладок передних тормозных колодок 3 мм. Диски вентилируемые, установлены на ступицах и крепятся к ним шестью болтами. Минимально допустимая толщина изношенного диска 19 мм. Скоба состоит из основания, которое крепится двумя болтами к поворотному кулаку и корпуса, связанного с основанием через направляющие пальцы.
| рис. 1 |
Тормозной цилиндр выполнен в корпусе скобы; с наружной стороны для защиты от грязи он закрыт резиновым чехлом (пыльником).
Внутри цилиндра имеется проточка, в которую вставлено уплотнительное кольцо (манжета). Когда при торможении поршень выдвигается из цилиндра, это кольцо слегка скручивается и после окончания торможения стремится вернуть поршень в исходное положение. За счет этого поддерживается постоянный минимальный зазор между диском и тормозными колодками. На цилиндре имеется клапан для прокачки системы. Тормозные механизмы задних колес барабанные, с двухпоршневыми колесными цилиндрами и автоматической регулировкой зазора между колодками и барабаном. В цилиндр с натягом вставлены упорные кольца, ограничивающие свободный ход поршней (после окончания торможения), за счет чего поддерживается постоянный зазор между колодками и барабаном. По мере износа колодок кольца сдвигаются на величину износа. В верхней части тормозных колодок расположены эксцентрики для регулировки положения колодок после их замены. Минимальная допустимая толщина накладок задних тормозных колодок – 1 мм. Максимально допустимый внутренний диаметр тормозного барабана – 283 мм.
Главный тормозной цилиндр с двухсекционным бачком и датчиком аварийного падения уровня тормозной жидкости крепится к вакуумному усилителю. Поршни в цилиндре расположены последовательно, ближайший к вакуумному усилителю приводит в действие тормозные механизмы задних колес, другой поршень – передних. При отсутствии утечек жидкости ее уровень в бачке главного тормозного цилиндра должен находиться между метками МАХ и MIN. По мере изнашивания тормозных накладок уровень понижается. В случае нарушения герметичности тормозной системы срабатывает датчик и на щитке приборов загорается лампа-сигнализатор красного цвета. В этом случае доливать жидкость можно только после устранения неисправности. Вакуумный усилитель расположен между педальным узлом и главным тормозным цилиндром и крепится к кронштейну на четырех шпильках. Для увеличения тормозного усилия используется разрежение во впускном трубопроводе двигателя, с которым усилитель соединен шлангом. Усилитель неразборной конструкции, при выходе из строя он заменяется. Регулятор давления крепится к левому лонжерону рамы. Он корректирует давление тормозной жидкости в контуре тормозов задних колес, в зависимости от загрузки автомобиля, что повышает курсовую устойчивость при торможении. Отслеживая через нагрузочную пружину загрузку задней оси, он ограничивает давление жидкости в заднем тормозном контуре. При выходе из строя регулятор заменяется. После замены регулятора или элементов задней подвески необходимо заново отрегулировать положение нагрузочной пружины относительно заднего моста.
Как избежать повторных сбоев в тормозной системе Газели
Тормозная система Газели является одной из самых важных систем для безопасности автомобиля
В случае повторного сбоя тормозов во время движения возможны серьезные последствия, поэтому владельцам необходимо обращать особое внимание на ее состояние и поддерживать работоспособность
Для того чтобы избежать повторных сбоев, необходимо регулярно проводить техническое обслуживание тормозной системы
Особое внимание следует уделять замене тормозных колодок и тормозных дисков в соответствии с рекомендациями производителя, а также проверке уровня тормозной жидкости
Заполнение системы тормозной жидкостью должно проводиться только квалифицированными специалистами, так как неправильный уровень жидкости может привести к сбою тормозов. Также необходимо следить за состоянием трубок и шлангов тормозной системы, проверять наличие трещин и износа, заменять их при необходимости.
Помимо регулярного технического обслуживания, важно также учитывать условия эксплуатации. Не рекомендуется перевозить грузы, превышающие установленную грузоподъемность и разрешенный вес автомобиля
Острый и частый торможение также может привести к повторному сбою тормозов, поэтому рекомендуется избегать резких маневров и предупреждать остановку заранее, особенно на скользкой дороге.
Важно помнить, что тормозная система является ключевой для безопасности водителя и пассажиров. Правильное и регулярное техническое обслуживание, учет условий эксплуатации и соблюдение правил дорожного движения помогут избежать повторных сбоев в тормозной системе Газели и обеспечить безопасность на дороге



























