Пжд камаз: предпусковой подогревател, подключение, ошибки, схема

Приборы электрооборудования предпускового подогревателя предназначены для выполнения следующих функций: индукционная катушка 2 (рисунок) с транзисторным коммутатором вырабатывает ток высокого напряжения
и создает искру в свече 3 зажигания: кнопка 6 включает нагреватель топлива в цепь питания; нагреватель 5 подогревает топливо, поступающее в форсунку; электромагнитный топливный клапан 4 включает и отключает подачу топлива к форсунке; электродвигатель 1 приводит в работу насосный агрегат.
Питание электродвигателя 1 насосного агрегата, потребляющего большой ток, осуществляется через контактор 8. Это позволяет применить слаботочный переключатель 7, имеющий относительно небольшие габаритные размеры.

Рис.1 Схема электрооборудования предпускового подогревателя:1 — электродвигатель, 2 — индукционная катушка зажигания, 3 — искровая свеча, 4 — электромагнитный клапан, 5 — электронагреватель топлива, 6 — кнопка, 7 — переключатель управления подогревателем, 8 — контактор; I — к аккумуляторным батареям
Пускают подогреватель в такой последовательности: включают аккумуляторные батареи в сеть, нажав кнопку дистанционного выключения массы, затем рукоятку переключателя 7 переводят в положение III и нажимают кнопку 6. При этом включается электродвигатель 1 (режим продувки) и подается питание на электронагреватель 5 топлива.
Питание от аккумуляторных батарей на контактор подается по цепи: «-)-» аккумуляторных батарей—клеммы AM и ВК переключателя 7—обмотка контактора 8— «—» аккумуляторных батарей.
При этом срабатывает контактор 8, обеспечивая прохождение тока через обмотки электродвигателя 1, по цепи: «+» аккумуляторных батарей — клемма AM переключателя 7— замкнутые контакты контактора 8 — обмотки электродвигателя 1 — «—» аккумуляторных батарей.
Включенный электродвигатель обеспечивает продувку котла подогревателя воздухом.
Питание на электронагреватель 5 подается по цепи: «+» аккумуляторных батарей — клемма AM переключателя 7 — замкнутые контакты контактора 8 — замкнутые контакты кнопки 6 — нагреватель 5 — «—» аккумуляторных батарей.
Кнопку 6 держат нажатой в зависимости от температуры окружающего воздуха: в течение 30 с при —30 °С, 60 с при —40 °С и до 90 с при —50 °С.
Затем рукоятку переключателя переводят в положение I (режим пуска). При этом будут включены электродвигатель 1, электромагнитный топливный клапан 4, транзисторный коммутатор 2 и свеча 3 зажигания.
Цепь питания клапана 4: «+» аккумуляторных батарей — клеммы AM и КЗ переключателя 7 — обмотка клапана 4 — « —» аккумуляторных батарей.
Клапан 4 открывается и пропускает топливо к форсунке.
Цепь питания транзисторного коммутатора 2: «+» аккумуляторных батарей — клеммы AM и СТ переключателя 7 — коммутатор 2 — «—» аккумуляторных батарей.
Коммутатор вырабатывает ток высокого напряжения, который поступает на свечу 3. В свече образуются искры
Топливный насос нагнетает топливо через открытый клапан 4 в форсунку.
Распыленное топливо смешивается с воздухом, поступающим в горелку через завихритель, и воспламеняется от свечи.
При горении топлива слышится гул.
Рукоятку переключателя 7 удерживают в положении I не более 30 с.
Как только появится в котле гул, ее отпускают и она автоматически займет положение II — основной режим работы подогревателя.
При этом будут включены электродвигатель / и клапан 4, электрические цепи которых были рассмотрены ранее.
Воспламенение горючей смеси при положении II рукоятки переключателя 7 происходит от факела пламени.
Схема электрооборудования подогревателя


Схема работы предпускового подогревателя

Техническая характеристика подогревателя
Теплопроизводительность, кДж/ч (ккал/ч): 108857(26000)
Топливо: применяемое для двигателя
Расход топлива, кг/ч: 4,5
Воспламенение топлива: электроискровой свечой от транзисторного коммутатора с катушкой зажигания ТК107
Время работы свечи, с: 30
Предпусковой нагреватель топлива: штифтовая электрическая свеча мощностью 200 Вт
Свеча высоковольтная: СН-423, электроискровая
Коммутатор высокого напряжения: ТК 107, транзисторный
Электромагнитный клапан: МКТ-4
Электродвигатель подогревателя: МЭ 252, мощностью 180 Вт
Контактор цепи электродвигателя: КТ 127
Реле нагревателя топлива: 11.3704.000
Переключатель режимов работы: ВК354
Предохранитель: один на 30 А, ПРЗ термобиметаллический. Защищает цепи питания электрооборудования предпускового подогревателя
Запуск двигателя при помощи котла подогрева 
Что такое ПЖД
Предпусковой подогреватель на КамАЗе необходим для разогрева холодного мотора, оснащенного жидкостной системой охлаждения. Также он предотвращает обледенение стекол.
Устройство
Устройство включает в себя следующие элементы:
- теплообменник;
- горелка;
- нагнетатель воздушного потока;
- свеча накаливания;
- датчик пламени;
- термический предохранительный механизм;
- индикатор температуры;
- патрубок подводящего и отводящего типа;
- завихритель пламени и электромагнитный топливный клапан;
- выхлопной патрубок;
- топливный насос высокого давления и жгут;
- стабилизатор и вентилятор;
- насосный агрегат и кран топливного бачка.

Технические характеристики предпускового предохранителя двигателя:
| Теплопроизводительность, кВт | 12+1 | 
| Расход топливной жидкости, л | Во время работы — 1,6 На холостом ходу — 0,7 | 
| Требования к дизельному топливу | ГОСТ 305-82 (50% дизеля + 50% бензина) | 
| Напряжение, В | До 30 | 
| Потребляемая электрическая мощность, Вт | 70+10 | 
| Номинальное напряжение, В | 24 | 
| Минимальное количество жидкости для разогрева, л | 10 | 
| Содержание СО газов на выходе | Не более 4 | 
| Дымность | Не более 0,2% | 
| Максимальное рабочее давление, кПа | От 40 | 
| Масса, кг | 9 | 
| Ресурс, ч | 3000 | 
Принцип работы
ПЖД подсоединяется к жидкостной системе отопительного устройства и охлаждения транспортного средства. Система должна быть заполнена охлаждающей жидкостью.
Питание подогревательного устройства происходит за счет автомобиля. Во время включения ПЖД начинается подача топлива от электромагнитного топливного насоса плунжерного типа через втулку свечи накаливания. Топливная жидкость соединяется с воздухом, который подается специальным нагнетателем. Воздушный поток проходит через патрубок. Получившаяся смесь начинает воспламеняться от раскаленной спирали свечи накаливания, после чего свеча отключается.

Процесс горения поддерживается благодаря непрерывному поступлению топливно-воздушной смеси. Раскаленные газы нагревают стенки теплообменного механизма. Отработанные газы, проходя по трубе, выбрасываются в атмосферу.
Как снять автономку на КАМАЗе
автономная печь камаз
Автономка ПЛАНАР на Зубренке
Глюк автономки Планар 44Д или как проверить свечу на отопителе Планар.
Как работают Воздушные автономные отопители
КАМАЗ 65221 ,Снимаем ПЖД или правильнее Прамотронник на ремонт )
Обслуживание, разборка/ сборка и ремонт автономного отопителя Планар.
Сброс активных ошибок предпускового подогревателя Eberspacher
Дальнобой по России, про автономку…
Дальнобой по Европе.Что за знак L на траке и как смазать седло
- Видеть аварию из КАМАЗов
- Анимация КАМАЗа 5460
- Клинят передние тормоза на КАМАЗе
- Автономка КАМАЗа 6520
- КАМАЗ с зениткой
- Как снять с ручника КАМАЗ
- Намотка спидометра КАМАЗ своими руками
- КАМАЗ самосвал 55111 ширина
- Влагомаслоотделитель КАМАЗ 53215
- Как снять помпу на КАМАЗе евро 3
- Объем масла для двигателя КАМАЗ
- Спецтехника КАМАЗ грузовики
- Супротек для двигателя КАМАЗ
- Лесовоз на базе КАМАЗ 4310
- КАМАЗ объемы гидравлики
Главная » Лучшее » Как снять автономку на КАМАЗе kamaz136.ru
Почему не запускается
Если предпусковой подогреватель не работает, то причина этого может быть в следующем:
- Не заводится электрический двигатель насосного механизма.
- Не воспламеняется топливная жидкость в котле ПЖД.
- Предохранитель был выключен.
- Неисправность реле электрического мотора или отказ переключателя.
- Обрыв цепи, которая соединяет провода между реле и электрическим двигателем.
- Неисправность самого двигателя.
- Не появляется искра между электродами свечи.
- Отказали датчики перегрева и замера температуры.
- Отключенное или пониженное напряжение в системе.
- Вышли из строя свечи зажигания.
- Был поврежден двигатель нагнетателя воздуха.
- Отсутствует связь между системами управления.
- Было исчерпано количество запусков двигателя.
- Перегрев теплообменного оборудования.
- Вышел из строя индикатор пламени.
- Был поврежден подводящий патрубок.
Коды ошибок и возможные неисправности ПЖД-14ТС
Коды ошибок связаны с миганием светодиодов. Определить ошибку можно по количеству вспышек:
- Перегрев теплообменника или большая разница температур, которую выдают датчики температуры и перегрева.
- Слишком много запусков двигателя.
- Прерывание сгорания топлива в камере сгорания ПЖД.
- Неисправна свеча зажигания или вентилятор.
- Неисправный индикатор пламени.
- Неисправен один из датчиков температуры или перегрева.
- Неисправен топливный насос.
- Отсутствует связь между блоком управления и панелью управления.
- Сбой питания.
- Превышено время вентиляции.
Конструкция и устройство
В конструкцию предпускового подогревателя КАМАЗ входит несколько основных узлов:
- бойлерная;
- горелка;
- помпа;
- устройство дистанционного управления.
Основным элементом является котельная, которая состоит из 4 прочных цилиндров, образующих теплообменник. Эта часть включает в себя 2 полости, которые способствуют беспрепятственному прохождению выхлопных газов и циркуляции охлаждающей жидкости. На внешней части подогревателя двигателя есть 3 патрубка, 2 из них предназначены для отвода или подачи антифриза, один для выхода выхлопных газов.
Выхлопные газы попадают в демпфированную часть котла, которая благодаря этому действию меняет направление и следует в выходной патрубок. При этом тепловая энергия расходуется на обогрев поддона двигателя.
Сзади, в открытом торце котельной, установлена горелка, в состав которой входят:
- свеча зажигания;
- сопло;
- клапан;
- подогреватель топлива;
- газовый обогреватель.
Насос считается отдельным агрегатом, объединяющим три основных насоса – жидкостный, топливный, воздушный. Именно в этой системе и заключается отличие от других типов подогревателей.
Например, модификация подогревателя ПЖД 30 имеет насосное устройство, которое выполнено в виде отдельного узла. Такое устройство устанавливается как над котельной, так и в любом удобном месте. При этом устройство подключается шлангами разного диаметра и длины.
Устройство подогревателя
В состав ПЖД входят следующие элементы:
В некоторых случаях на автомобили устанавливается дополнительное оборудование.
Подогреватель может занимать одну из четырех позиций. Нулевая заключается в полностью отключенном аппарате. Он никак не функционирует, не подключен и не работает.
Первое положение характеризуется подключенным оборудованием и работающим подогревом. Горючее отправляется прямиком в горелку, где и соединяется с воздухом. Полученное вещество возгорается.
Второе положение характеризуется отправкой горючего вещества в специальный отсек для возгорания. Это главный режим работы оборудования. Загорается вещество с помощью специального факела.
Третье положение характеризуется подготовительными работами подогревателя. Котел продувается обычным воздухом при одновременном нагреве горючего.
ПЖД 15.8106 для КамАЗ 65115
На примере конкретной модели обсудим требования безопасности при эксплуатации.
- Вы должны научиться пользоваться обогревателем, внимательно изучив инструкцию, и помнить: неправильная эксплуатация может привести к пожару.
- Не используйте нагреватель, если система охлаждения не соответствует требованиям.
- Не включайте обогреватель без топливной жидкости.
- Не открывайте горелку во время работы.
- Для удаления продуктов сгорания регулярно очищайте от грязи впускную трубу воздуха для горения и трубу, проходящую через котел-нагреватель.
- Если на КАМАЗе будут проводиться электротехнические работы, отсоедините шестиконтактную клемму на блоке управления LPG.
- Отрицательная клемма автономного отопителя должна быть подключена к отрицательной клемме аккумулятора, а не к клемме заземления.
- Всегда держите в кабине работающий огнетушитель.
- По окончании работы всегда перекрывайте топливный кран.
Рабочие характеристики Teplostar 14TS-10.
- Он может работать в двух режимах: «Экономичный» (ER) и «Предпусковой» (PR). В первом случае снижается энергопотребление и полный цикл может быть выполнен за 8 часов, а в режиме предпусковой подготовки время работы сокращается до 3 часов.
- Система может быть остановлена вручную на любом этапе цикла.
- Работа автономного нагревателя 14TS-10 контролируется блоком управления.
- Температура теплоносителя автономного нагревателя регулируется в соответствии с выбранной рабочей программой: «Полная» (70°C для PR и 55°C для ER), «Средняя» (70-75°C для PR и >55°C для ER) или «Низкая» (75-80°C для PR и 80°C для ER).
Автоматическое управление работой в случае возникновения нештатной ситуации.
- Если 14TS-10 не удастся запустить, блок управления автоматически перезапустится. Если вторая попытка окажется неудачной, нагреватель выключится.
- Если во время работы по какой-либо причине прекратится горение, нагреватель выключится.
- Если произойдет перегрев (прекращение циркуляции охлаждающей жидкости или образование воздушной пробки), блок управления отключит нагреватель.
- Резкое падение или скачок напряжения также приведет к отключению нагревателя.
В случае аварийного отключения дизельного предпускового подогревателя на панели управления загорается светодиод, количество вспышек которого указывает на код неисправности. Описание неисправности и способы ее устранения приведены в руководстве по эксплуатации.
Порядок пользования предпусковым подогревателем
Подогреватель двигателя У1Д6-ТК-С5 рекомендуется использовать при температуре окружающего воздуха ниже 8°С, а подогреватели для остальных двигателей — при отрицательных температурах. При отрицательных температурах для эффективного прогрева двигателя рекомендуется следующий порядок работы:
- включить подогреватель и довести температуру охлаждающей жидкости до 70°С;
- выключите обогреватель и дайте теплу распределиться по картеру и поддону двигателя;
- при снижении температуры охлаждающей жидкости до 50-60°С снова включить подогреватель и довести температуру до 80-85°С;
- выключите обогреватель и закройте кран подачи топлива к обогревателю.
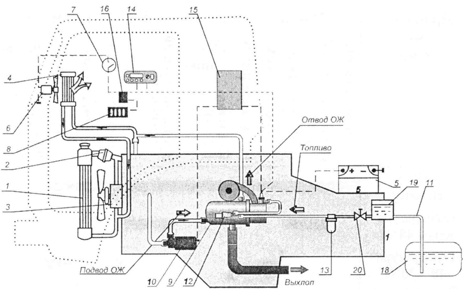
Схема подключения ПЖД на Камаз

1 — радиатор системы охлаждения автомобиля; 2 — терморегулятор охлаждающей жидкости; 3 — водяной насос автомобиля; 4 — теплообменник системы отопления; 5 — АКБ; 6 — вентилятор системы отопления; 7 — выключатель вентилятора; 8 — блок предохранителей; 9 — подогреватель; 10 — электродвигатель с насосом; 11 -топливопровод; 12 — электромагнитный топливный насос; 13 — топливный фильтр; 14 — таймер — регулятор; 15 -блок управления работой подогревателя; 16 — реле управления работой вентилятора системы отопления; 18 — топливный бак автомобиля; 19 — бачок топливный; 20 — кран питания подогревателя топливом.
Как запустить
Инструкция, как запустить предпусковой подогреватель:
- Включить выключатель аккумуляторов.
- Повернуть кран на топливном баке и заполнить систему запуска топливной жидкостью.
- Проверить работу устройства при помощи специального насоса.
- Установить рукоятку переключения ПЖД в положение III.
- Нажать на кнопку питания электрической системы нагрева.
- Если температура окружающий среды выше -40°С, то следует установить время 60 секунд, а если -50°С и ниже, то — 90 секунд.
- Перевести рукоятку переключателя в положение I.
- Удерживая рычаг управления, дождаться характерного гула в механизме теплового обмена. Этот звук сигнализирует о воспламенении горелки.
- Отпустить рычаг.
Если гул ровный, то все системы работают исправно, а если нет, то необходим ремонт обогрева двигателя.
Если запуск был неудачным, нужно перевести переключатель в положение 0 и через 1 минуту повторить процедуру заново. После 2 неудавшихся попыток рекомендуется осмотреть устройство на наличие повреждений.
Коды выдаваемых ошибок и методы их устранения
К характерной особенности устройства 14ТС-10 относится возможность самостоятельного диагностирования оператором возникающих проблем по миганию светодиода, находящегося на пульте управления.
При запуске и нормальном функционировании подогревателя светодиод горит постоянно. В отключенном состоянии светодиод не горит. Если устройство не включается, нужно проверить поступление топлива и электропитания через предохранители 5А и 25А.
При возникновении какой-либо неисправности в ходе работы устройства светодиод начинает моргать определенное количество раз. По числу вспышек (от 1 до 10) оператор может определить конкретную проблему и способы ее решения, руководствуясь следующей таблицей:
| Число вспышек светодиода | Признаки возникших неисправностей | Возможные причины и способы их устранения | 
| 1 | Теплообменник нагрелся выше допустимых пределов | 1) Температурный датчики и сигнализатор перегрева выдают показания более 102°С. Необходимо проверить насос циркуляции и целостность охлаждающей системы. 2) Показания температурного датчика и сигнализатора перегрева отличаются более чем на 20°С. В таком случае нужно проверить их исправность и поменять при необходимости. Провести проверку работоспособности насоса. | 
| 2 | Закончилось число попыток включения устройства | Провести проверку подачи топлива в устройство. Дополнительно рекомендуется осмотреть трубопроводы поступления воздуха и отвода выхлопных газов камеры сгорания. | 
| 3 | Периодическое затухание пламени | 1) Проверить поступление топлива в подогреватель, а также работоспособность воздухопроводной системы камеры сгорания. 2) Если устройство включается, следует убедиться в исправности индикатора горения и поменять неисправный. 3) Фильтр очистки топлива мог засориться. Требуется его осмотреть, прочистить или заменить. | 
| 4 | Отказ свечи накаливания или поломка мотора воздухонагнетателя | 1) Провести проверку исправности свечи накаливания, при выявлении дефектов – заменить. 2) Провести проверку исправности воздухонагнетателя и целостность его электропроводки. При выявлении дефектов требуется замена двигателя. | 
| 5 | Нарушения в работе индикатора пламени | Выполнить осмотр целостности электропроводки, замерить тестером сопротивление на контактах в разъемной колодке индикатора. Если данный параметр превышает 90 Ом – произошел обрыв, если менее 10 Ом – замыкание. В таких случаях потребуется замена индикатора. | 
| 6 | Неисправны температурный датчик или сигнализатор перегрева | Необходимо осмотреть состояние соединительных электропроводов. Замерить уровень напряжения на выходе датчиков, которое имеет прямую зависимость от величины температуры: 0°С соответствует значению напряжения на выходе 2,73В, повышение на каждый градус приводит к увеличению выходного напряжения на 10мВ. Неисправные датчики следует поменять. | 
| 7 | Не работает циркулярный насос | 1) Проверить электропровода и разъем подключения циркулярного насоса, его состояние и работоспособность. Неисправный узел сменить. 2) Провести проверку исправность реле включения насоса, при выявлении дефектов – поменять. 3) Проверить функционирование топливного насоса и его соединительные электропровода, при выявлении дефектов произвести замену. | 
| 8 | Нарушена связь управляющего блока с выносным пультом | Осмотреть состояние разъемов и целостности электропроводов, соединяющих управляющий блок с пультом. Нарушения в соединениях исправить. | 
| 9 | Повышенный или пониженный уровень отключающего напряжения | Проверить состояние аккумулятора, регулятора напряжения и электропроводов бортовой сети автомобиля. Замерить напряжение на входе в устройство, уровень которого должен показывать не ниже 20В и не превышать 30,8В. | 
| 10 | Превышение времени на включение работы вентиляции | Устройство плохо охлаждается за установленное время. Требуется проверить достаточное поступление воздуха в камеру, а также исправность индикатора горения. При выявлении дефектов провести замену. | 
Коды ошибок ПЖД 14ТС-10: описание, решение проблем
ПЖД 14ТС-10 — агрегат подогрева дизельного двигателя, работающий за счет жидкостной системы охлаждения. Устройство отличается от других моделей жидкостной системой охлаждения, что позволяет устройству работать при низких температурах. Довольно часто при работе системы ПЖД возникает ряд ошибок, которые зачастую можно устранить в домашних условиях. В этом материале мы рассмотрим описание блока ПЖД и наиболее важные коды ошибок.
Описание прибора
Предпусковой подогрев дизеля обусловлен наличием жидкостной системы охлаждения. Блок предназначен для установки непосредственно в саму систему охлаждения автомобиля. Сам нагрев происходит в результате сгорания топливовоздушной смеси, которая поступает из топливной системы автомобиля. Устройство работает от штатной системы электропитания. Для перекачки жидкости в систему ПЖД предусмотрен специальный насос.

Как писалось ранее, основное назначение ПЖД 14ТС-10 — прогрев двигателя перед работой. Топливо, сгорая в специальном отсеке, нагревает теплообменник и отдает тепло системе охлаждения. Жидкость начинает циркулировать и постепенно нагревает весь двигатель. Эта система идеально подходит для предварительного нагрева и нагрева в экономичном режиме. Во втором случае следует учитывать, что КПД системы значительно ниже.
С помощью специальной программы сначала очищается камера сгорания. После этого начинается нагрев свечи накаливания до определенной температуры, которая воспламеняет горючую смесь. Процесс горения контролируется датчиками и блоком управления.
Что касается области применения ПЗД 14ТС-10, то к ней можно отнести: грузовой транспорт, автобусы и спецтехнику.
Основные рабочие режимы
Всего в приборе ПЗД 14ТС-10 две основные программы работы: «Предстартовая» и «Экономическая». Каждый из них выбирается оператором в зависимости от задач и температуры окружающей среды. Помимо программ, система PR предусматривает три основных режима:
- «Полный». В рамках этого режима предполагается подогрев жидкости в системе охлаждения до температуры от 60 до 70 °С;
- «Средний». В этом режиме температура нагрева жидкости варьируется от 70 до 75 °С;
- «Маленький». Этот режим позволяет нагреть жидкостную систему до 80 °C.
Как только рабочая температура системы охлаждения превышает 80°С, система автоматически прекращает сжигание топлива, при этом насос переходит в штатный режим для обогрева салона. Как только температура жидкости падает ниже 55 °С, топливовоздушная смесь снова начинает процесс горения и нагрева. Что касается продолжительности всего рабочего цикла, то в программе «Предстарт» она составляет 3 часа, а в режиме «Эконом» максимальное время вождения увеличивается до 8 часов. При этом, при необходимости, систему ПЖД можно в любой момент отключить самостоятельно.

Что делает блок управления и пульт управления прибором?
Блок управления ПЖД 14ТС-10 выполняет все основные задачи по управлению работой агрегата. Выполняет первичную диагностику неисправностей в узлах системы, обеспечивает переключение программ и режимов работы, а также непосредственно контролирует сам процесс работы.
Пульт управления необходим для ручного управления работой блока управления. С помощью пульта оператор может самостоятельно включать и выключать систему, изменять программу работы, устанавливать температуру нагрева и время работы системы. Его также можно использовать для просмотра производительности системы.
Основные ошибки и способы их решения
Отличительной особенностью системы ПЗД 14ТС-10 является то, что оператор может самостоятельно определить причину поломки. Для этого разработчик предусмотрел специальную систему идентификации светодиодов. Все, что вам нужно сделать, это подсчитать количество вспышек светодиода. Кроме того, в зависимости от числа от 1 до 10 оператор может узнать причину и способ ремонта устройства. К
Подогрев топливного фильтра тонкой очистки дизельного двигателя
Изготовленный нагреватель топливного фильтра не может быть снят и должен быть установлен на фильтр, который должен быть установлен непосредственно на транспортном средстве.
При отсутствии необходимых знаний и навыков следует доверить подключение топливного обогревателя профессиональному электрику. Неправильные изменения в электрической схеме автомобиля могут привести к пожару.
Первый способ
Основной целью этого метода является создание теплового поля вокруг внешнего контура фильтрующего устройства.
Что понадобится?
Для выполнения задания вам понадобится:
- от 7 до 10 метров медной проволоки сечением до 1 мм (можно использовать нихромовый материал);
- четырехконтактное реле;
- предохранительное устройство на 10 ампер;
- термостойкий герметик или стеклохолст;
- две ленты или сантехнических хомута;
- кнопка включения и выключения устройства;
- подключить электрические цепи подходящей длины;
- элементы для пайки кабелей — канифоль, олово и паяльник.
Алгоритм действий
Самостоятельные работы по установке и подключению жидкостного обогревателя выполняются следующим образом:
- На первом этапе необходимо промазать стеклоткань герметиком, а затем приклеить материал к внешней стороне корпуса фильтрующего устройства.
- Затем эта конструкция сушится в течение 24 часов.
- Элемент корпуса обматывается проволокой, а концы закрепляются хомутами.
- Затем изготавливается катушка, промазывается герметиком, обматывается стеклотканью.
- Полученную структуру сушат.
- К концам провода для соединения линий электропередач припаиваются клеммные зажимы.
- Устройство собирается в соответствии со схемой выше.

Второй способ
Главное отличие по сравнению с первым способом в том, что в этом случае используется уже готовое отопительное оборудование. В качестве такого устройства используется система обогрева боковых зеркал или специальный гибкий обогреватель.
Что понадобится?
Для выполнения задания вам понадобится:
- изоляция;
- проводники подходящей длины;
- кнопка включения и выключения оборудования;
- четырехконтактное реле;
- фольгированная теплоизоляция толщиной 0,5 мм;
- предохранитель на 10 ампер;
- сантехнических или пластиковых хомутов или куска проволоки.

 
            

























