Разница в цене и качестве двигателей HXDB и HXDA
Цена
Одним из главных отличий двигателей HXDB и HXDA является их цена. Общая тенденция на рынке показывает, что HXDB стоит дешевле HXDA. Это объясняется тем, что HXDB несколько уступает в качестве, что отразилось и на его стоимости.
Качество
Однако не следует считать, что HXDB является низкокачественным двигателем. Напротив, он обладает определенными преимуществами, но не достигает уровня качества HXDA. Наиболее значительным отличием в качестве двигателей является надежность и долговечность HXDA. Он более надежен в эксплуатации и имеет больший ресурс работы.
По этой причине, если использование двигателя производственных целях является основным критерием, следует обратить внимание на двигатель HXDA, как на более надежный и качественный вариант, несмотря на его более высокую стоимость
| Характеристика | HXDB | HXDA |
|---|---|---|
| Мощность, л.с. | 110 | 120 |
| Крутящий момент, Нм | 250 | 280 |
| Объем, л | 1,6 | 1,8 |
| Топливо | бензин | бензин |
Рабочие условия и применение двигателей HXDB и HXDA
Рабочие условия
Двигатель HXDB предназначен для эксплуатации в тяжелых условиях, таких как дорожные строительства, где требуются повышенные тягово-силовые характеристики и устойчивость во время маневрирования на неровном грунте. HXDA рекомендован для использования в легких и средних условиях, например, при транспортировке грузов на небольшие расстояния.
Оба двигателя могут работать при температуре до 50 °C, но HXDB обладает повышенной устойчивостью к перегреву благодаря системе охлаждения высокой эффективности.
Применение
HXDB широко применяется в грузовой технике, такой как самосвалы, бульдозеры и экскаваторы, где требуется высокая мощность и производительность. HXDA находит применение в автомобилях средней и легкой грузоподъемности, таких как фургоны и малотоннажные грузовики.
Оба двигателя отличаются высокой надежностью и долговечностью, что делает их популярными среди производителей автотранспорта. Электронная система управления дает возможность точного регулирования производительности и снижения выбросов.
| HXDB | HXDA | |
|---|---|---|
| Максимальная мощность, л.с. | 330 | 170 |
| Максимальный крутящий момент, Нм | 1400 | 450 |
| Тип топлива | Дизельное | Бензиновое |
| Объем двигателя, л | 9.7 | 2.4 |
Двигатель Ford HWDA

1.6-литровый двигатель Ford HWDA или 1.6 Duratec Sigma собирали в Уэльсе с 2003 по 2008 год и ставили на второе поколение модели Focus, аналогичный ему C-MAX и на Volvo как B4164S3. От аналогичного двс под индексом SHDA этот агрегат отличала закрытая рубашка охлаждения.
Технические характеристики мотора Ford HWDA 1.6 Duratec
| Точный объем | 1596 см³ |
| Система питания | инжектор |
| Мощность двс | 100 л.с. |
| Крутящий момент | 150 Нм |
| Блок цилиндров | алюминиевый R4 |
| Головка блока | алюминиевая 16v |
| Диаметр цилиндра | 79 мм |
| Ход поршня | 81.4 мм |
| Степень сжатия | 11 |
| Особенности двс | DOHC |
| Гидрокомпенсат. | нет |
| Привод ГРМ | ременной |
| Фазорегулятор | нет |
| Турбонаддув | нет |
| Какое масло лить | 4.1 литра 5W-30 |
| Тип топлива | АИ-95 |
| Экологическ. класс | ЕВРО 4 |
| Примерный ресурс | 320 000 км |
Вес двигателя HWDA по каталогу составляет 105 кг


Номер двигателя Ford HWDA находится спереди на стыке с коробкой
MANUAL
Мануалы для первого и второго Фокуса можно скачать тут
FORUM
Немало полезной информации собрано на сайте FF-Club.ru
На примере Ford Focus 2005 года с механической коробкой передач:
| Город | 8.7 литра |
| Трасса | 5.5 литра |
| Смешанный | 6.7 литра |

Недостатки, поломки и проблемы двс HWDA
Силовые агрегаты серии Дуратек довольно надежны, но не терпят плохого топлива
От некачественного бензина очень недолго служат свечи, порой не более 10 000 км
Ровно по этой же причине тут нередко выходит из строя дорогостоящий бензонасос
В европейских модификациях моторов Дюратек с обрывом ремня ГРМ клапана гнет
Гидрокомпенсаторов здесь нет и каждые 100 000 км клапана придется регулировать
Видео о подборе масла для Focus 2 1.6 100 л.с.

Все тексты написаны мной, имеют авторство Google, занесены в оригинальные тексты Yandex и заверены нотариально. При любом заимствовании мы сразу же пишем официальное письмо на фирменном бланке в поддержку поисковых сетей, вашего хостинга и доменного регистратора.
Далее подаем в суд. Не испытывайте удачу, у нас более тридцати успешных интернет проектов и уже дюжина выигранных судебных разбирательств.
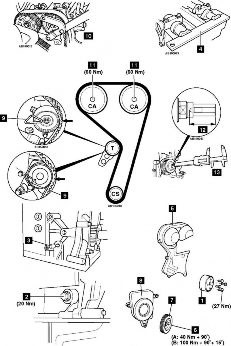
Замена ремня ГРМ на автомобие Ford Focus (’04/’08) 1,6 16V 2004-11г
Как правильно установить ремень ГРМ в автомобиле FORD FOCUS II, FIESTA, FUSION (’04/’08) моторы 1,6 16V 2004-11г. (Код двигателя: HWDA, HWDB, SHDA, SHDB, SHDC) Работа по замене такого ремня ГРМ со всеми роликами обойдется в 4 990р . Инстркуцию и метки смотрите в статье ниже: ПРЕДУПРЕЖДЕНИЕ: Е сли Вы не уверены, лучше обратитесь к специалистам.

ПРЕДУПРЕЖДЕНИЕ: если Вы не уверены, лучше обратитесь к специалистам.
Обратите внимание: Звездочка коленчатого вала НЕ ФИКСИРУЕТСЯ шпонкой. • Убедитесь, что установочный штифт коленчатого вала размещен правильно Рис.3
• Убедитесь, что установочный штифт коленчатого вала размещен правильно Рис.3.
• Убедитесь, что установочная планка распределительного вала установлена правильно Рис.4.
• Удерживайте звездочки распределительных валов Рис.10. Используйте специнструмент №205-072.
• ПРИМЕЧАНИЕ: Используйте втулки на шпильках держателя для предотвращения повреждения звездочек распределительных валов (деталь №E890438S).
• Отверните болт каждой звездочки распределительного вала Рис.11.
• Установите новые болты звездочек распределительных валов Рис.11. Затяните болты от руки.
• Убедитесь, что звездочки распределительных валов могут вращаться свободно и без перекоса.
• Наденьте ремень против часовой стрелки, начиная со звездочки коленчатого вала.
• Убедитесь, что ремень туго натянут между звездочками.
• Снимите фиксатор ролика натяжителя Рис.9.
• Удерживайте звездочки распределительных валов Рис.10.
• ПРИМЕЧАНИЕ: Используйте втулки на шпильках держателя для предотвращения повреждения звездочек распределительных валов (деталь №E890438S).
• Затяните болты звездочек распределительных валов Рис.11. Момент затяжки: 60 Нм.
• ПРИМЕЧАНИЕ: НЕ ИСПОЛЬЗУЙТЕ установочную планку для удержания распределительных валов при затяжке болтов.
• Установите нижнюю крышку ремня привода ГРМ Рис.8.
• Проверьте глубину резьбового отверстия в коленчатом валу Рис.12. Используйте подходящий измерительный инструмент Рис.13.
42 мм: Используйте новый болт шкива коленчатого вала (M12 x 29 мм).
52 мм: Используйте новый болт шкива коленчатого вала (M12 x 44,5 мм).
81 мм: Используйте новый болт шкива коленчатого вала (M14 x 80 мм).
• Установите шкив коленчатого вала Рис.7.
• Затяните болт шкива коленчатого вала Рис.6. Используйте новый болт. Момент затяжки:
• M14: 100 Нм + 90°. Подождите 10 секунд. Затяните болт шкива коленчатого вала дополнительно на 15°.
• Установочный штифт коленчатого вала Рис.3.
• Установочную планку распределительного вала Рис.4.
• Медленно проверните коленчатый вал на два оборота по часовой стрелке не доходя до ВМТ поршня первого цилиндра.
• Установите установочный штифт коленчатого вала Рис.3.
• Медленно проверните коленчатый вал по часовой стрелке до упора в установочный штифт.
• Убедитесь, что установочная планка распределительного вала может быть установлена Рис.4.
• Установочный штифт коленчатого вала Рис.3.
• Установочную планку распределительного вала Рис.4.
• Если нет: Повторите процедуру натяжения.
• Установите заглушку в блок цилиндров Рис.2. Момент затяжки: 20 Нм.
• Установите детали в порядке, обратном снятию.
• ПРИМЕЧАНИЕ: Если аккумуляторная батарея была отсоединена, необходима инициализация электроприводов стеклоподъемников.
За качественным сервисом приезжайте к нам — в Автотехцентр РЕМЗОНА.
Наш адрес : г. Москва, Красногорск, Коммунальный квартал дом 5. (м. Митино) Телефон: +7 (926) 777 23 35, +7 (926) 664 41 42 Мы работаем ежедневно с 10:00 до 21:00
ВЛАДЕЛЬЦЫ ЛЮБЫХ АВТОМОБИЛЕЙ ПОЛУЧАТ КАЧЕСТВЕННЫЙ РЕМОНТ И ТЕХНИЧЕСКОЕ ОБСЛУЖИВАНИЕ В НАШЕМ ТЕХЦЕНТРЕ РЕМЗОНА
«Техцентр РЕМЗОНА» — ремонт и техническое обслуживание автомобилей Дизайн и разработка сайта
ᑁ FORD FOCUS MK2 КОМПЛЕКТ ДВИГАТЕЛЯ 1.6 HXDA 244.000KM
Доставка осуществляется в города:
Бирмингем, Лидс, Шеффилд, Манчестер, Брэдфорд, Ливерпуль, Бристоль, Ньюкасл, Сандерленд, Вулверхэмптон, Тирана, Вена, Брюссель, Сараево, София, Загреб, Прага, Копенгаген,
Хельсинки, Париж, Берлин, Афины, Будапешт, Рейкьявик, Дублин, Рим, Вадуц, Люксембург, Валлетта, Кишинев, Монако, Подгорица, Амстердам, Скопье, Осло, Варшава, Лиссабон, Бухарест, Сан-Марино,
Белград, Братислава, Любляна, Мадрид, Стокгольм, Берн и другие.
КОМПЛЕКТ ДВИГАТЕЛЯ FORD FOCUS mk2 1.6 hxda 244.000km деталь находится на складе поставщика и продается через интернет
Обращаем Ваше внимание, что в связи с максимальной загруженностью почтовых служб возможны задержки доставки. Стоимость доставки товара Вы можете узнать, нажав кнопку КУПИТЬ на странице корзины и указав точный адрес и страну доставки
Стоимость доставки товара Вы можете узнать, нажав кнопку КУПИТЬ на странице корзины и указав точный адрес и страну доставки.
Товар доставляется по всей Литве в течение 1-2 рабочих дней (после доставки на склад в Вильнюсе).
Доставка осуществляется курьерскими службами DPD, VENIPAK и DHL.
Для получения дополнительной информации о доставке см. страницу доставки.
Мы отправляем товары по всему миру (если вашей страны нет в списке, пожалуйста, уточняйте стоимость доставки напрямую). Пожалуйста, свяжитесь с нами перед заказом, чтобы получить подтверждение того, что мы можем отправить товар на ваш адрес. За острова или труднодоступные районы может взиматься дополнительная плата. Пожалуйста, свяжитесь с нами перед покупкой, если вы находитесь в труднодоступном месте.
Заказ будет обработан в течение 1-2 рабочих дней после подтверждения оплаты. Заказ будет доставлен примерно через 2-7 дней. на склад в Вильнюсе или Польше, где вы можете забрать его БЕСПЛАТНО. Если вы не получили товар в течение 10 дней, пожалуйста, свяжитесь с нами.
Стандартное время доставки в города Литвы 1-2 рабочих дня. Стандартный срок доставки в страны Евросоюза составляет 3-10 рабочих дней. Стандартный срок доставки в другие страны составляет 7-20 рабочих дней.
На бывшие в употреблении детали распространяется 14-дневная гарантия возврата, если изделие повреждено или доставлено не так, как было заказано. Необходимо проконсультироваться с нашими консультантами, чтобы проверить, подходит ли деталь. Гарантийный срок на восстановленные детали может составлять до 4 лет в зависимости от их поставщика, а на новые детали – до 6 лет. Гарантийный срок исчисляется с даты получения детали. Согласно правилам ЕС, поставщик должен отремонтировать, заменить приобретенный вами товар, снизить его цену или вернуть деньги, если товар неисправен, выглядит не так, как указано в описании, или не работает так, как рекламируется. Следует отметить, что в некоторых странах ЕС продавец должен быть уведомлен о дефекте не позднее, чем через два месяца после его обнаружения. В противном случае вы можете потерять гарантию. Свяжитесь с консультантами Srotas24.co.
Если возврат произошел по нашей вине (если товар не работает, отличается от описанного), покупатель получит полный возврат средств. Во всех остальных случаях взимается дополнительная плата в размере 20%, и покупатель оплачивает расходы по доставке и возврату. Электронные детали (форсунки, помпы, компьютер) или аналогичные детали требуют выписки из нормального специализированного сервиса для доказательства неисправности товара.
Быстро и легко выбирайте и заказывайте детали через Srotas24.co.uk
1.
ИСПОЛЬЗУЙТЕ КАТАЛОГ ЗАПЧАСТЕЙ и выберите ПОДХОДЯЩУЮ ЗАПЧАСТЬ
2.
ПРОВЕРЬТЕ И ЗАПОЛНИТЕ ФОРМУ ПОКУПАТЕЛЯ И ДОСТАВКИ
3.
ВЫБЕРИТЕ ПОДХОДЯЩИЙ СПОСОБ ОПЛАТЫ
ОПЛАЧЕННЫЙ ЗАКАЗ БУДЕТ ПОДТВЕРЖДЕН И ДОСТАВЛЕН В ТЕЧЕНИЕ 1-2D *
* ПОДРОБНЕЕ О ДОСТАВКЕ ТОВАРА Доставка товара.
Интересует цена FORD FOCUS mk2 КОМПЛЕКТ ДВИГАТЕЛЯ 1.6 hxda 244.000км?
Перед заказом КОМПЛЕКТА ДВИГАТЕЛЯ FORD FOCUS mk2 1.6 hxda 244.000km убедитесь, что эта деталь подходит вам и совместима с вашей моделью автомобиля. Для этого сравните характеристики и оригинальные номера вашей детали и той, которую вы хотите приобрести. Также посмотрите на все предоставленные фотографии и сравните свои с той деталью, которую покупаете.
КПД и энергопотребление
КПД
КПД двигателя HXDB и HXDA зависит от многих факторов, включая конструкцию двигателя, его мощность и внутренние потери. HXDB обладает более высоким КПД по сравнению с HXDA благодаря улучшенной системе охлаждения и электрической системе управления.
На практике, КПД HXDB составляет около 90%, тогда как КПД HXDA — около 85%. Это означает, что HXDB использует энергию более эффективно, поэтому его потребление топлива ниже и мотор живет дольше.
Энергопотребление
Зависимость энергопотребления каждого двигателя от разных факторов, включая нагрузку, скорость вращения, рабочие условия и потребительские обстоятельства. Из-за высокого КПД HXDB, в среднем его потребление топлива ниже, чем у HXDA на примерно 10%. Однако, конкретная разница в потреблении топлива может отличаться в зависимости от реальных условий эксплуатации двигателя.
Принимая во внимание КПД и энергопотребление двигателей, можно сделать вывод, что HXDB предпочтительнее для экономических целей, а HXDA может быть необходимым для определенных важных задач, где требуется производительность над экономией топлива
Области применения двигателей Hxda и Hxdb
Двигатели Hxda и Hxdb разрабатываются и производятся для использования в различных сферах и обладают особыми характеристиками, что отличает их друг от друга.
Двигатель Hxda широко применяется в автомобильной промышленности. Благодаря своей надежности и высокой мощности, он используется в производстве легковых и грузовых автомобилей, а также в производстве автобусов. Hxda обладает хорошей тяговой силой и эффективностью, что делает его отличным выбором для различных типов транспортных средств.
Двигатель Hxdb, в свою очередь, применяется в других отраслях промышленности. Он часто используется в судостроении, особенно для грузовых судов и контейнеровозов, благодаря своей высокой мощности и надежности. Hxdb также находит применение в энергетике, где используется в генераторах и электростанциях.
Из-за своих особых характеристик и высокой производительности, двигатели Hxda и Hxdb могут эффективно использоваться в разных областях промышленности, обеспечивая надежность и мощность, необходимые для определенных целей.
Enginesod – двигатели 1.6 фокус
Введите РЕГИСТРАЦИЮ на ГАРАНТИРОВАННУЮ игру…
Увеличить изображение
Стоимость звонка:
473,04 фунта стерлингов
Только онлайн Цена:
453,04 фунта стерлингов
Варианты доставки — АНГЛИЯ – 3 дня (в среднем) доставка. Старый двигатель не требуется (если не указано иное) £79,00+ СЭКОНОМЬТЕ £20,00 БОЛЬШЕ – ДОСТАВКА ТОЛЬКО В АНГЛИЮ – 5 дней (в среднем) Старый двигатель не требуется (если не указано иное) – Идеально, если ваш гараж еще не готов к установке £59.
ИЛИ
ЗДЕСЬ И СЕЙЧАС…
* Заказывайте сейчас, сделки получают приоритетную отправку в более загруженное время
- Состояние: б/у + проверено…
Двигатель: 1,6 (16 В)
Топливо: бензин
Код двигателя: HXDA
Подходит лет: 2005 – 11
Миль:59 422
Полностью протестировано: ДА
Гарантийный срок: 105 ДНЕЙ (используется и тестируется)
Подходит для коробки передач: ручная и автоматическая
Поставляется: В КОМПЛЕКТЕ, за исключением турбокомпрессора и любых дефектных мелких деталей, например генератора переменного тока.
БЫСТРАЯ доставка:3 дня (в среднем) – СЭКОНОМЬТЕ £20.00 ЕЩЕ @ Варианты доставки…
ЖИВОЙ запас: 015823457
НДС: НУЛЕВОЙ НДС ДОЛЖЕН ДОБАВЛЯТЬСЯ!
ФИТИНГ:Н/Д – Доставка в местный гараж…
Примечания: ОТЛИЧНЫЙ бегун! Продам быстро…
3 Люди сэкономили эту страницу (за 7 дней), сэкономить страницу
+ Лучшие цены @ Enginesod.com (EBAY – только сборник)
+ 166 000 С 2010 года + Гарантированные match…
+ БЫСТРАЯ, ПРОСТАЯ И БЕЗОПАСНАЯ платформа для резервирования решения – сегодня!
Оплата от 60 фунтов стерлингов доступно для некоторых двигателей
Почему 97,5% выбирают Engines On Demand?
. ..Двигатели с наилучшей стоимостью, предварительно оговоренные в прямом эфире для вас (Великобритания) – 166 ‘000 Сделки с двигателями с наилучшей стоимостью завершены + БОЛЕЕ ПРОДОЛЖИТЕЛЬНАЯ ГАРАНТИЯ (поставляется поставщиками нашей механической компании – Великобритания) – 10’000+ ИСПЫТАННЫЕ Двигатели (ЖИВОЙ запас) – ГАРАНТИРОВАННО Двигатель соответствует – ‘Лучшее предложение’ (С 2010 г.) – Протестировано непосредственно каждым механиком компании-отправителя – 290HR07 7 ДНЕЙ ЛИНИЯ ЗАКАЗА – ВАШЕ ЛУЧШЕЕ ПРЕДЛОЖЕНИЕ ЗДЕСЬ И СЕЙЧАС Вариант для большинства решений Engine – Варианты ДОСТАВКИ по всей Великобритании РЕЗЕРВ любое решение Engine (с небольшим депозитом через кассу Fast с окончательным платежом, запрашиваемым компанией-механиком-отправителем, как правило, в тот же день, когда он готов к отправке) – Вопросы по электронной почте LIVE до 18:00 + БОЛЬШЕ. ..
ПОЛИТИКА ВОПРОСОВ ПОСТАВЩИКА (имеющая юридическую силу)
Компании-поставщики предлагают БЫСТРОЕ И ЧЕСТНОЕ решение любой РЕАЛЬНОЙ проблемы, о которой сообщается, в течение их гарантийного срока или ограничения пробега, если оно правильно установлено выбранным вами местным гаражом
1. По вопросам окончательной оплаты, доставки или гарантии обращайтесь напрямую к поставщику MECHANIC (используя электронную почту: Зарезервировано предложение по двигателю: данные отправителя )
любой двигатель, доставка и его гарантия
3. Поставщики механики могут запросить возврат своих товаров для проверки перед любым согласованным: исправлением, обменом, возвратом или жестом доброй воли.
* В качестве жеста доброй воли любой «депозит», уплаченный нам, может быть использован для любого другого решения Engine в течение 2 лет – по усмотрению наших менеджеров. А Юридически обязывающее соглашение об обслуживании применяется при бронировании любой сделки, сделанной онлайн.
Технические характеристики двигателя SIDA
Запасные части б/у
- При покупке в MIROMOTORS время на установку и проверку — до 60 дней
- При установке запасных частей на СТО партнеров MIROMOTORS — расширенная гарантия
- При условии доставки б/у запасных частей транспортной компанией, время на установку и проверку — считаеться со дня получения товара покупателем.
2. Возврат товара
2.1 Возврат товара надлежащего качества
Возврат товара осуществляется в подразделении, где он был приобретен.
Осуществляется при выполнении следующих условий:
- соблюдение срока возврата;
- сохранение внешнего вида товара и упаковки;
- сохранение защитных пломб;
- сохранение маркировки;
- сохранение комплектности
2.2 Сроки и условия возврата денежных средств
2.3.1. Если товар был оплачен банковской картой, возврат средств за товары или услуги, оплаченные банковской картой, производится только на карту клиента, оплатившего товар и осуществляется в срок до 3 дней.
2.3.2. В случае, если на момент возврата товара карта клиента прекратила свое действие (утрачена/ окончился срок действия/ возвращена в банк), возврат может быть произведен на другую карту того же клиента, либо на банковский счет по заявлению клиента.
2.3.3. Если товар был оплачен наличными в магазине, деньги выплачиваются из кассы магазина на основании письменного заявления покупателя с указанием фамилии, имени, отчества и только при предъявлении документа, удостоверяющего личность (паспорта или документа, его заменяющего).
Оплата
Оплата может производиться как за наличный расчет, так и безналичный расчет для организаций и юридических лиц. Для всех клиентов мы предусмотрели возможность приобретения контрактных агрегатов в кредит. Совершая и оплачивая покупку у нас, Вы можете воспользоваться Вашей банковской картой – без комиссий и потерь. Быстро, удобно, надежно.
Подробнее о способах оплаты и условиях продажи в кредит Вы можете узнать у наших специалистов
Принцип работы двигателей Hxda и Hxdb
Двигатели Hxda и Hxdb представляют собой современные разработки в области двигателестроения. Они основаны на различных принципах работы, что делает их специфичными по своим характеристикам и применению.
Двигатель Hxda работает на принципе внутреннего сгорания. Он оснащен цилиндрами и поршнями, которые совместно обеспечивают процесс сгорания топлива. Во время работы двигателя, топливо-воздушная смесь попадает в цилиндр, горит при воздействии свечи зажигания, и поршень выдвигается, передавая энергию на вал. Затем поршень возвращается в исходное положение, выполняя рабочий цикл двигателя Hxda.
С другой стороны, двигатель Hxdb работает на принципе электричества. Он оснащен электромотором, который использует электрическую энергию для преобразования ее в механическую. При подаче электрического тока на двигатель Hxdb, магнитное поле создается внутри статора, а затем ротор начинает вращаться, передавая энергию на вал двигателя. Это позволяет двигателю Hxdb работать более эффективно и экологически чисто, поскольку нет процесса сгорания топлива.
Однако, несмотря на различные принципы работы, двигатели Hxda и Hxdb имеют одну общую особенность: они способны развивать высокую мощность и обеспечивать эффективную работу в различных условиях эксплуатации. Выбор между двигателями Hxda и Hxdb зависит от конкретных задач и требований владельца.
Двигатель HXDA – MOTORTOP [Энциклопедия ДВС и КПП]
Информация для клиентов
Купить контрактный двигатель HXDA без предоплаты вы можете на нашем сайте. Для этого оставьте заявку в соответствующем разделе и дождитесь звонка менеджера. Продажа контрактных двигателей Ford осуществляется с полным пакетом документов для постановки на учет в ГИБДД. Работаем со всеми регионами России, Беларуси и Казахстана.
Технические характеристики
| Технические характеристики | |
|---|---|
| Объем (см3) | 1596 |
| Мощность (л.с.) | 115 |
| Крутящий момент | 155 Нм |
| Привод ГРМ | Ремень |
| Экологический класс | Евро 4 |
| Тип топлива | Бензин АИ-92 |
| Особенности ДВС | Нет |
| Система питания | Распр. впрыск |
| Гидрокомпенсаторы | Нет |
| Блок цилиндров | Алюминиевый R4 |
| Головка блока цилиндров | Алюминиевая 16v |
| Диаметр цилиндра | 79 мм |
| Ход поршня | 81.4 мм |
| Степень сжатия | 11 |
| Фазорегулятор | Ti-VCT |
| Турбонаддув | Нет |
| Моторное масло | 4.1 л 5W-30 |
| Средний ресурс | 300 000 км |
Применимость
- Ford: Focus (2004-2008), C-Max (2003-2007)
Описание
Описание двигателя HXDA
Двигатель HXDA — это один из двигателей, относящихся к серии Duratec (поэтому встречается еще и такое наименование — Duratec Ti-VCT 1.
Описание и главные достоинстваHXDA — атмосферный четырехцилиндровый мотор с системой водяного охлаждения. Работает он на бензине, его мощность составляет 115 л.с. А объем данного движка при этом равен 1,6 л (если точнее, 1596 см3).
К числу достоинств двигателя HXDA можно отнести его долговечность. По сведениям завода, его ресурс равен 250 000 км. Однако практика показывает, что он может надежно функционировать и после 300000 км.
По сути, HXDA является усовершенствованной версией 100-литрового движка Duratec 16V Sigma. И одно из отличий HXDA от 16V Sigma состоит в том, здесь есть система регуляции фаз газораспределения на обоих распредвалах — Ti-VCT. Кроме того, в HXDA установлен другой по конструкции впускной коллектор, что сделало подвод воздуха в камеры сгорания более эффективным.
Перспективы тюнингаМногие в курсе, что для атмосферных двигателей чип-тюнинг не имеет смысла. Однако улучшить параметры HXDA можно, к примеру, путем установки турбонагнетателя. Существуют особые кит-комплекты, способные обеспечить наддув до 0,5 бар и увеличение мощности до 150 л.с.
Также тюнинговать автомобили Ford с данным двигателем можно с помощью педали-бустера — электронного блока управления, повышающего отзывчивость двигателя. В результате уменьшается время разгона, да и в целом ДВС начинает реагировать на нажатие педали газа быстрее и четче.
Недостатки
Недостатки и проблемы двигателя HXDA
Система Ti-VCT в двигателе HXDA не слишком надежна, и может в определенный момент начать неправильно функционировать. Это, в свою очередь, становится причиной падения мощности и других проблем.
А еще замена ремня ГРМ здесь зачастую требуется раньше, чем через 160000 км (как заявлено в заводской документации).Плюс ко всему у двигателя HXDA отсутствуют гидрокомпенсаторы, а значит, примерно через каждые 100000 км водителю придется вручную регулировать зазоры клапанов.![]()
Также владельцы авто с мотором HXDA могут столкнуться с подтеканием масла через крышку клапана. Причем подтекает оно обычно с тыльной стороны, что не так-то легко заметить.
Видео
Можно ли сегодня ставить более мощный двигатель?
Можно, но сложно! Фактически в 2023 году допустимо поменять мотор на другой – с большей мощностью, но проблем у вас (а, возможно, уже и не у вас) не будет, если не внесёте такие изменения официально в ГИБДД, только до тех пор, пока никто не узнает о такой замене. А узнать могут:
- инспекторы ДПС на дороге, если заглянут под капот специально сверить номер двигателя с числящимся в базе ГИБДД,
- если решите провести регистрационные действия, когда автомобиль требуется представить на осмотр на площадку Госавтоинспекции,
- когда продадите авто, новый владелец просто не сможет поставить его на учёт (перерегистрировать) на себя.

Что запрещает?
Всё дело в том, что Приказ №399 о том, что регистрации не подлежат транспортные средства, у которых номера агрегатов не соответствуют представленным документам на них:
Вас также заинтересует:
- Замена двигателя — нужно ли оформлять в ГИБДД?
- Купил автомобиль, номер двигателя не совпадает с ПТС – что делать и поставят ли на учёт ГИБДД?
Аннулирование регистрации за заменённый двигатель
А пункт 59 Приказа №399 , что если даже во время эксплуатации автомобиля обнаружены признаки, перечисленные в цитируемом выше пункте 3 Регламента, то регистрация таких автомобилей подлежит аннулированию. Это происходит следующим образом:
- инспектор останавливает вас на дороге, проводит сверку номеров агрегатов – такое право ему даёт пункт 109 Регламента,
- обнаруживает признаки замены двигателя на более мощный, тогда как в базе значится иной (даже если модели моторов совпадают, необходимо вносить изменения в ПТС, и без таких изменений ездить нельзя),
- пишет рапорт на имя начальника о наличии оснований для прекращения регистрации в связи с заменой двигателя на более мощный – вообще замены силового агрегата,
- его начальник принимает решение о снятии машины с регистрации,
- если вас поймают в следующий раз за рулём снятого с учёта авто, то изымут свидетельство о регистрации и госномера, а машину отправят на штрафстоянку.

Но всё вышеописанное только в том случае, если вы не поменяете документы на менянный мотор. А как это сделать, давайте разбираться!
Поршни размерами (-FORD-)
- D out — наружный диаметр поршня, мм
- Авто — бренд/производитель двигателя
- Модель — название двигателя, в некоторых случаях название модели авто
- Цилиндров — количество цилиндров ДВС, количество поршней в комплекте
- К1 — толщина 1-го компрессионного кольца, мм
- К2 — толщина 2-го компрессионного кольца, мм
- К3 — толщина 3-го компрессионного кольца, мм
- М1 — толщина 1-го маслосъемного кольца, мм
- М2 — толщина 2-го маслосъемного кольца, мм
Каталог Teikin дает исчерпывающую информацию: характеристики колец, пальца, стопора, формы поверхности. Чтобы разобраться во всех аббревиатурах. Прочтите информацию-расшифровку ниже.
- Ø — диаметр поршня
- CD — расстояние от оси пальца до верхней плоскости, мм (расстояние сжатия поршня в миллиметрах — дословно из каталога)Значение плюс обозначает высоту подъема короны. Минусное значение обозначает глубину выполненной (кавитационной) короны
- TL — общая высота поршня, мм
- Surface Treatment — метод обработки поверхности
- TIN COATED — лужение
- MOLY SKIRT — покрытие оловом
- ANODIZED CROWN — анодирование
- Bore Clearance — зазор оверсия, посмотреть схему
- MRC (MINIMUM RECOMMENDED CLEARANCE.) — минимальный рекомендуемый зазор в точке измерения
- MP (MEASURING POINT HEIGHT)- высота точки измерения от низа юбки
- TEIKIN NO — номер поршней по каталогу
- суффикс «А» — поршня с усиливающей вставкой для первого компрессионного кольца
- суффикс «G» — поршня с масло охлаждающимися галереями
- суффикс «AG»- поршня с обеими модификациями Alfin и Gallery
- преффикс M — поршня для водной техники (лодки, яхты, катера)
- преффикс G — поршня для спецтехники (трактора, генератору, погрузчики)
- REFERENCE NO — оригинальные номера поршней
- PISTON RING SIZES — размеры поршневых колец, цифра — количество колец, через дефис — толщины колец. Первыми идут компрессионные кольца, через пустой интервал — маслосъемние кольца.
- суффикс «FK» — полная трапеция кольца
- суффикс «HK» — половина трапеции, только с одной поверхности кольца
- PIN — палец поршня
- Ø — номинальный диаметр пальца, мм
- TL — полная длина пальца, мм
- LINER — параметры гильза
- TL — длина гильзы, мм
- OD — наружный диаметр гильзы, мм
- FT — толщина фланца гильзы, мм
- FD — диаметр фланца гильзы, мм
- Система нумерации TEIKIN комплекта гильз:
- Prefix “LKSX” means linerkit with semi-finished and no flange liners
- Prefix “LKSF” means linerkit with semi-finished and flanged liners
- Prefix “LKFX” means linerkit with fully finished and no flange liners
- Prefix “LKFF” means linerkit with fully finished and flanged liners
- Prefix “LKCX” means linerkit with chromed and with no flange liners
- Prefix “LKCF” means linerkit with chromed and flanged liners
- Система нумерации TEIKIN гильз:
- Prefix “LSX” means liners are semi-finished and no flange
- Prefix “LSF” means liners are semi-finished and flanged
- Prefix “LFX” means liners are fully finished and no flange
- Prefix “LFF” means liners are fully finished and flanged
- Prefix “LCX” means liners are chromed and no flange
- Prefix “LCF” means liners are chromed and flanged
Оригинальное описание параметров, посмотреть
Источник статьи: http://size.name/catalog/porshnya?auto=FORD&engine=1.6+DURATEC+TI-VCT
Сравнение стоимости и надежности двигателей Hxda и Hxdb
Стоимость
Двигатель Hxda отличается более низкой стоимостью по сравнению с Hxdb. Это связано с использованием более простых и дешевых материалов при производстве. Однако, низкая стоимость не всегда означает низкое качество, поэтому необходимо учитывать и другие факторы при выборе двигателя.
Надежность
Надежность двигателя Hxda и Hxdb также отличается. Hxda обладает более высокой надежностью, что достигается за счет использования более качественных компонентов и более тщательного контроля качества на стадии производства. Hxdb, хотя и менее надежный по сравнению с Hxda, все равно является достаточно надежным двигателем для большинства требований и ежедневного использования.
В целом, при выборе между двигателями Hxda и Hxdb, следует учитывать их стоимость и надежность. Если вам важна низкая стоимость, но вы готовы пожертвовать некоторым уровнем надежности, то Hxda может быть подходящим выбором для вас. Если же вы ищете более надежный двигатель, которому вы можете доверять на долгие годы, то Hxdb стоит рассмотреть более внимательно.
Ремонт двигателя автомобиля Ford Focus CB4 | 2004–2011 | 2 поколение | 1,6 л. 115 л. с.
Автомобиль Ford Focus II выпускался с 2004 по 2011 годы. До 2008 года использовались следующие модификации силовых установок (все с передним приводом):
- ASDA, ASDB — 1,4 л, 80 л. с., бензин, МКПП;
- SHDC, HWDA, HWDB, SHDA, SHDB — 1,6 л, 100 л. с., бензин, МКПП и АКПП;
- HXDA, HXDB, SIDA — 1,6 л, 115 л. с., бензин, МКПП;
- KKDA, KKDB — 1,8 л, 115 л. с., дизель, МКПП;
- QQDB — 1,8 л, 125 л. с., бензин, МКПП;
- AODA, AODB — 2,0 л, 145 л. с., бензин, МКПП и АКПП.
Все эти двигатели устанавливались на различных комплектациях, представленных в таких кузовах, как седан, универсал, хетчбэк (3-дверный и 5-дверный), открытый кузов. Тест безопасности по EuroNCAP проходил Ford Focus Trend 1.6.
В начале 2008 года был проведён рестайлинг на основе выставочного образца конца 2007 года. Обновлённая модель Ford Focus получила исполнение в рамках концепции «Кинетический дизайн». Основные изменения коснулись световых устройств и передней части кузова (многие детали позаимствовали у Ford Mondeo), также изменился интерьер салона. По свидетельствам автомобилистов, мотор и КПП также начали работать стабильнее, хотя внесённые технические исправления, в отличие от дизайна, не афишировались.
Сам ассортимент силовых установок после рестайлинга 2008 года остался прежним. С ним выпускались всё те же комплектации Ford Focus II вплоть до 2011 года. Дальнейшие рекомендации даны для силовой установки, которая за все годы существования второго поколения зарекомендовала себя как самая надёжная. Это бензиновый 115-сильный мотор с рабочим объёмом 1,6 л — HXDA, HXDB, SIDA.
Преимущества и недостатки двигателей Hxda и Hxdb
Dвигатель Hxda:
Преимущества:
- Высокая мощность: двигатель Hxda обладает высокой мощностью, что позволяет автомобилю развивать большую скорость и обеспечивает плавное ускорение.
- Экономичность: благодаря современным технологиям и оптимизации топливной подачи, двигатель Hxda является достаточно экономичным и способен снизить расход топлива.
- Высокая надежность: компоненты двигателя Hxda изготовлены из высококачественных материалов, что обеспечивает его долговечность и устойчивость к износу.
Недостатки:
Высокая стоимость обслуживания: из-за сложной конструкции и высокотехнологичных компонентов, обслуживание двигателя Hxda требует определенных затрат.
Двигатель Hxdb:
Преимущества:
- Высокий крутящий момент: двигатель Hxdb обладает высоким крутящим моментом, что обеспечивает отличную динамику и позволяет автомобилю маневрировать на дороге.
- Низкие вибрации: благодаря оптимизации конструкции и снижению трения, двигатель Hxdb работает практически без вибраций, что улучшает комфорт во время движения.
- Более низкая стоимость: двигатель Hxdb обычно имеет более низкую стоимость как при покупке, так и при обслуживании, что делает его более доступным для широкого круга автолюбителей.
Недостатки:
Меньшая мощность: двигатель Hxdb обычно имеет меньшую мощность по сравнению с Hxda, что может ограничивать возможности автомобиля на дороге.


![Двигатель hxda: двигатель hxda - motortop [энциклопедия двс и кпп]](http://avtoexpert56.ru/wp-content/uploads/a/0/d/a0d09b4ee743e24cb5aec37d290cd2b5.jpeg)
![Двигатель hxda: двигатель hxda – motortop [энциклопедия двс и кпп]](http://avtoexpert56.ru/wp-content/uploads/6/5/d/65db3425658d6347dbc1a88d51ab44d3.jpeg)





![Двигатель hxda: двигатель hxda - motortop [энциклопедия двс и кпп]](http://avtoexpert56.ru/wp-content/uploads/0/9/1/091edcb0d03f4b2dc1d8dd2f0e837e24.jpeg)

















