Устройство и схема жидкостной (водяной) системы охлаждения двигателя

Система жидкостного охлаждения позволяет равномерно забирать тепло у всех узлов двигателя, независимо от тепловых нагрузок. Двигатель водяного охлаждения является менее шумным относительно двигателя с воздушным охлаждением, менее склонен к детонации, быстрее разогревается при запуске.
Основными элементами системы жидкостного охлаждения двигателя как бензинового, так и дизельного являются:
- «водяная рубашка» двигателя;
- радиатор системы охлаждения;
- вентилятор;
- центробежный насос (помпа);
- термостат;
- расширительный бачок;
- радиатор отопителя;
- элементы управления.
- Жидкостную;
- Воздушную;
- Комбинированную.
Элементарные правила эксплуатации СО и их соблюдение позволяет автовладельцам избегать, или минимизировать негативное воздействие неисправностей на работу машины. Следует постоянно контролировать уровень охлаждающей жидкости в системе. Её объём может меняться, а зависит это от условий эксплуатации автомобиля. Если уровень ОЖ понижается постоянно, значит, нужно искать место утечки тосола. Нередко пятна ОЖ обнаруживаются на узлах и агрегатах в моторном отсеке. Перегрев двигателя может происходить, когда:
- Заклинивает термостат,
- Засоряются каналы,
- Уровня ОЖ в системе недостаточно.
Причину же недостаточного нагрева двигателя следует искать в заклиненном термостате.
Каждый современный автомобиль обязательно имеет систему охлаждения. Она состоит из нескольких элементов: радиатор, расширительный бачок, термостат, насос, вентилятор, установленный впереди радиатора, соединительные шланги, датчик температуры, рубашка охлаждения блока цилиндров, которая изготовлена в виде полости в стенках вокруг камер сгорания, ну и, конечно же, антифриз.
Наиболее главной деталью системы охлаждения транспортного средства является радиатор охлаждения двигателя. Он необходим для поддержания рабочей температуры двигателя и предотвращения его перегрева. Если же рабочая температура двигателя превышает допустимые нормы, он может заклинить, что приводит к необходимости капитального ремонта.
Радиаторы бывают различных конструкций. Самые распространенные из них – это пластинчатые и ленточные радиаторы. Пластинчатые радиаторы постепенно уходят в прошлое, ведь они имеют больший вес и обладают худшими характеристиками теплообмена, по сравнению с ленточными.
Именно поэтому, на сегодняшний день, большинство производителей отдают свое предпочтение именно ленточным радиаторам. Как правило, для изготовления таких радиаторов применяется алюминий, ведь он обладает отличной теплопроводимостью, что существенно улучшает работу всей системы охлаждения.
Основные неисправности системы охлаждения
Внешними признаками неисправностей системы охлаждения является перегрев или переохлаждение двигателя. Перегрев двигателя возможен в результате следующих причин: недостаточное количество ОЖ, слабое натяжение или обрыв ремня насоса ОЖ, невключение муфты или электродвигателя вентилятора, заедание термостата в закрытом положении, отложение большого количества накипи, сильное загрязнение наружной поверхности радиатора, неисправность выпускного (парового) клапана пробки радиатора или расширительного бачка, неисправность насоса ОЖ.
Заедание термостата в закрытом положении прекращает циркуляцию жидкости через радиатор. В этом случае двигатель перегревается, а радиатор остается холодным. Недостаточное количество ОЖ возможно в случае ее утечки или выкипания. Если уровень ОЖ понизился в результате выкипания – следует долить дистиллированной воды, если жидкость вытекла – доливается антифриз. Открывать пробку радиатора или расширительного бачка можно только когда ОЖ достаточно остынет (10-15 минут после остановки двигателя). В противном случае находящаяся под давлением ОЖ может выплеснуться и причинить ожоги. Вытекание жидкости происходит через неплотности в соединениях патрубков, трещин в радиаторе, расширительном бачке и рубашке охлаждения, при повреждении сальника насоса ОЖ, пробки радиатора или повреждении прокладки головки блока цилиндров. При эксплуатации автомобиля необходимо следить не только за уровнем, но и за состоянием антифриза. Если его цвет становится рыже-бурым, значит, детали системы уже коррозируют. Такой антифриз подлежит немедленной замене.
Переохлаждение двигателя может происходить из-за заедания термостата в открытом положении, а также при отсутствии утеплительных чехлов в зимнее время. Если закрытая система охлаждения негерметична, то повышенное давление в ней не создается и двигатель не прогревается до рабочей температуры. А раз двигатель не прогревается, ЭБУ постоянно обогащает смесь. Таким образом, негерметичная система охлаждения увеличивает расход топлива. Систематическая работа двигателя на обогащенной смеси приводит к разжижению масла, увеличению нагарообразования, быстрому выходу из строя каталитического нейтрализатора.
Муфта привода вентилятора двигателя УМЗ-421, УМЗ-4218

Рис. 5.
- 1 – крышка;
- 2 – корпус;
- 3 – вал;
- 4 – диск ведущий;
- 5 – шпилька крепления вентилятора;
- 6 – подшипник;
- 7 – компаунд;
- 8 – жидкость полиметилсилоксановая;
- 9 – перепускное отверстие;
- 10 – клапан;
- 11 – биметаллическая пружина.
На двигатели УМЗ-421 и УМЗ-4218 автомобилей УАЗ-Хантер, УАЗ-31512, УАЗ-3303, 2206 может устанавливаться вязкостная муфта привода вентилятора (рис. 5), позволяющая снизить расход топлива, уменьшить шум вентилятора, а также способствующая прогреву холодного двигателя и поддержанию теплового режима двигателя в оптимальных пределах.
Наружную поверхность муфты привода вентилятора УМЗ-421, УМЗ-4218 следует содержать в чистоте для обеспечения отвода тепла, выделяющегося в процессе работы муфты, и нормальной работы биметаллической пружины клапана. Включение и выключение муфты происходит автоматически.
Если муфта перестает работать, отсоедините муфту от ступицы (соединение муфты со ступицей имеет левую резьбу), снимите вентилятор, выверните из корпуса муфты две шпильки крепления вентилятора, слейте рабочую жидкость через отверстия шпилек и тщательно промойте внутреннюю полость муфты бензином.
Второе отверстие должно быть открытым для выхода воздуха. После этого заверните шпильки в корпус, закрепите вентилятор и установите муфту на ступицу шкива насоса системы охлаждения.
Структура системы
Подавляющее большинство ДВС имеют жидкостную систему охлаждения (закрытого типа), использующую принцип принудительной циркуляции. Именно она, с одной стороны, способно обеспечить максимально эффективное охлаждение, а с другой, — является более эргономичным и комфортным способом отвода избыточного тепла от двигателя.
- радиатора с вентилятором (электрическим, механическим или гидравлическим);
- радиатора отопителя («печки») с электрическим вентилятором;
- рубашек охлаждения блока цилиндров и головки блока;
- термостата;
- циркуляционного (водяного) насоса («помпы»);
- расширительного бачка;
- крана радиатора «печки»;
- соединительных патрубков и шлангов.

Строй-Техника.ру
Строительные машины и оборудование, справочник
Категория:
Автомобили и трактора
Публикация:
Закрытая система охлаждения с принудительной циркуляцией воды
Читать далее:
Уход за системой охлаждения
Закрытая система охлаждения с принудительной циркуляцией воды
Наиболее распространена закрытая система охлаждения с принудительной циркуляцией жидкости. Рассмотрим ее устройство и действие на примере двигателя ЗИЛ-130.
В систему охлаждения жидкость заливают через горловину радиатора. Во время работы двигателя центробежный насос засасывает жидкость из нижнего бачка радиатора и нагнетает ее в правую и левую водяные рубашки блок-картера и далее через отверстия в блок-картере в водяные рубашки обеих головок цилиндров, охлаждая стенки камер сгорания и приливы для седел клапанов. После этого нагретая жидкость поступает в рубашку впускного трубопровода, подогревая горючую смесь. Если клапан термостата открыт, то жидкость проходит по верхнему патрубку и шлангу в верхний бачок радиатора. В радиаторе жидкость охлаждается и процесс ее циркуляции вновь повторяется по замкнутому большому кругу.
Если температура жидкости в системе ниже 67 °С, то клапан термостата 8 закрыт и жидкость следует по малому кругу циркуляции. Из рубашки впускного трубопровода, минуя радиатор, жидкость по шлангу поступает в блок цилиндров компрессора, а затем в головку цилиндров компрессора. Из последней по шлангу жидкость идет в водяной насос, который нагнетает ее в водяные рубашки блок-картера и головок цилиндров двигателя.
Дополнительные материалы по теме:

Рис. 1. Схема закрытой системы охлаждения (двигатель ЗИЛ-130):
а — схема закрытой системы охлаждения; б — схема циркуляции жидкости в системе охлаждения: 1 — жалюзи; 2 — радиатор; 3 — крышка наливной горловины; 4 — компрессор; 5 — шланг слива жидкости из головки компрессора; 6 — шланг подвода жидкости в блок цилиндров компрессора; 7 — водяной насос; 8 — термостат; 9 — рубашка подогрева впускного трубопровода; 10 — запорный кран системы отопления; 11 — трубка подачи жидкости в отопитель; 12 — трубка слива жидкости из отопителя; 13 — отопитель кабины; 14 — датчик указателя температуры жидкости; 15 — водяная рубашка головки цилиндров; 16 — водяная рубашка блок-картера; 17 — кран для слива жидкости из водяной рубашки блок-картера; 18 — кран для слива жидкости из радиатора; 19 — тяга; 20 — вентилятор; 21 — резиновые подушки; 22— рамка подвески радиатора; 23 — масляный радиатор
Крышка 3 наливной горловины герметичная с паровым и воздушным клапанами.
Паровой клапан открывается при избыточном давлении 1 кГ/см2, что обеспечивает повышение температуры кипения охлаждающей жидкости до 119 °С. При температуре жидкости 115 °С на щитке приборов загорается сигнальная лампа, соединенная с электрическим импульсным датчиком, который помещен в верхнем бачке радиатора. Датчик указателя температуры охлаждающей жидкости находится в головке цилиндров.
Температуру жидкости в системе охлаждения регулируют пластинчато-створчатыми жалюзи, управляют которыми пз кабины автомобиля.
Жидкость из системы сливают через два краника блок-картера и краник радиатора, которые открываются тягами.
Из системы охлаждения двигателя при необходимости можно снабжать горячей жидкостью по трубке отопитель кабины. Сливается жидкость по трубке в корпус водяного насоса.
Читать далее: Уход за системой охлаждения
Категория: —
Автомобили и трактора
Как циркулирует ОЖ в системе охлаждения
Схема циркуляции жидкости в системе охлаждения двигателя
Схема циркуляции охлаждающей жидкости состоит из большого и маленького круга. К малому относятся только рубашка охлаждения и радиатор, там требуется меньшее количество жидкости.
При холодном моторе циркуляция охлаждающей жидкости в двигателе происходит по малому кругу. Когда мотор нагревается, открывается термостат и пускает антифриз по большому кругу.
Вот как циркулирует охлаждающая жидкость в двигателе:
- Двигатель заводится, и антифриз начинает ходить по малому кругу. Этим процессом руководит насос.
- Проходя по цилиндрам, ОЖ нагревается от них, затем возвращается к насосу и повторяет круг.
- Когда хладагент достигает определенной температуры, термостат перекрывает малый круг и открывает большой, по которому жидкость и направляется далее.
- Насос закачивает жидкость в двигатель, она забирает тепло и попадает в радиатор, где охлаждается за счет окружающей среды и воздушной системы.
- Оставленное антифризом тепло используется для обогрева салона, если включена печка.
- Остывшая охлаждающая жидкость отправляется насосом на следующий круг.
- Если радиатора недостаточно для охлаждения антифриза до нужной температуры, включаются вентиляторы. Отключаются они по достижении ОЖ нужной температуры.
- Если же антифриз, наоборот, слишком остывает, то термостат закрывает большой круг и вновь пускает жидкость по малому.
Таким образом, антифриз нужен автомобилю для того, чтобы поддерживать внутри мотора нормальную рабочую температуру. Она должна быть одинаковой, постоянной и составляет в среднем 90 градусов Цельсия. Благодаря этому мотор способен выдавать хорошую скорость и экономно расходовать горючее.
Плохая циркуляция ОЖ: из-за чего бывает, чем опасна и как ее избежать
Если не циркулирует охлаждающая жидкость вообще или же плохо циркулирует, то у этого могут быть разные причины:
- Проблемы с насосом циркуляции охлаждающей жидкости. Поломки этого агрегата приводят к тому, что он перестает закачивать антифриз в двигатель или начинает делать это хуже.
- Забитая система. В процессе эксплуатации антифриза в системе охлаждения могут скапливаться различные отложения, осадки. Особенно, если антифриз – низкого качества. Это могут быть и примеси из самого антифриза, и частички коррозии, и частички разрушившегося в результате кавитации металла, изношенных уплотнителей и шлангов и т.д. Эти взвеси оседают везде, забивая протоки и узлы. В результате жидкость с трудом «протискивается».
- Утечки антифриза. Течь может возникнуть по причине коррозии, трещин, разрывов в расширительном бачке, шлангах и патрубках, в других элементах системы. При постоянной течи оставшегося объема ОЖ недостаточно для того, чтобы нормально циркулировать.
Нарушения движения охлаждающей жидкости в двигателе приводят к тому, что он перегревается, антифриз – тоже. Без должного остывания агрегат уже не может нормально работать, ломается и выходит из строя.
Чтобы такого не случилось, нужно придерживаться простых правил. Во-первых, использовать только качественный антифриз. Не стоит гнаться за дешевизной, лучше купить подороже, но проверенного, надежного производителя. Здесь есть другая опасность – под видом брендовых часто встречаются подделки. Поэтому покупать нужно еще и внимательно, и только при наличии у продавца необходимых сертификатов.
Во-вторых, необходимо внимательно следить за системой. Регулярно осматривать ее на предмет утечек и других неполадок. При первых же подозрения на неисправность провести более тщательный осмотр и исправлять ситуацию – самостоятельно или обратившись в автосервис.
Заключение
От системы охлаждения двигателя зависит многое. Она, как кровеносная система человека, заботится о работоспособности мотора и «здоровья» машины в целом. Поэтому внимательное к ней отношение и тщательный подбор антифриза – это гарант исправности этой системы, а значит – корректной и бесперебойной работы двигателя.
Система охлаждения
Для поддержания оптимальной температуры двигателя необходима система охлаждения.
Средняя температура двигателя 800 — 900оС, при активной работе достигает 2000оС. Но периодически необходимо отводить тепло от двигателя. Если этого не делать, двигатель может перегреться.
Но система охлаждения не только охлаждает двигатель, но и участвует в его подогреве, когда тот холодный.
В большинстве автомобилей установлена жидкостная система охлаждения закрытого типа с принудительной циркуляцией жидкости и расширительным бачком (рисунок 7.1).

Рис. 7.1. Схема системы охлаждения двигателя
а) малый круг циркуляции
б) большой круг циркуляции
1 — радиатор; 2 — патрубок для циркуляции охлаждающей жидкости; 3 — расширительный бачок; 4 — термостат; 5 — водяной насос; 6 — рубашка охлаждения блока цилиндров;
7 — рубашка охлаждения головки блока; 8 — радиатор отопителя с электровентилятором; 9 — кран радиатора отопителя; 10 — пробка для слива охлаждающей жидкости из блока; 11 — пробка для слива охлаждающей жидкости из радиатора;
12 — вентилятор
- Элементами системы охлаждения являются:
- рубашки охлаждения блока и головки блока цилиндров,
- центробежного насоса,
- термостата,
- радиатора с расширительным бачком,
- вентилятора,
- соединительных патрубков и шлангов.
Под руководством термостата выполняют свои функции 2 круга циркуляции (рисунок 7.1). Малый круг выполняет функцию подогрева двигателя. После нагревания жидкость начинает циркулировать по большому кругу и охлаждается в радиаторе. Нормальная температура охлаждающей жидкости равна 80-90оС.
Рубашка охлаждения двигателя – это каналы в блоке и головке блока цилиндров. По этим каналам циркулирует охлаждающая жидкость.
Насос центробежного типа способствует перемещению жидкости по рубашке и по всей системе двигателя. заставляет жидкость перемещаться по рубашке охлаждения двигателя и всей системе.
Термостат является механизмов, поддерживающим оптимальный тепловой режим двигателя. Когда запускается холодный двигатель, термостат закрыт и жидкость перемещается по малому кругу. Когда температура жидкости превышает 80-85оС, то термостат открывается, жидкость начинает циркулировать по большому кругу, попадая в радиатор и охлаждаясь.
Радиатор представляет собой множество трубок, образующих большую поверхность охлаждения. Здесь и охлаждается жидкость.
Расширительный бачок. С его помощью происходит компенсация объема жидкости, когда она нагревается и охлаждается.
Вентилятор увеличивает поток воздуха в радиатор, при помощи которого и охла
ждается жидкость.
Патрубки и шланги являются соединительным механизмом рубашки охлаждения с термостатом, насосом, радиатором и расширительным бачком.
Основные неисправности системы охлаждения.
Течь охлаждающей жидкости. Причина: повреждения радиатора, шлангов, уплотнительных прокладок и сальников. Способы устранения: подтянуть хомуты крепления шлангов и трубок, поврежденные детали заменить на новые.
Перегрев двигателя. Причина: недостаточный уровень охлаждающей жидкости, слабое натяжения ремня вентилятора, засорение трубок радиатора, неисправность термостата. Способы устранения: восстановить уровень жидкости в системе охлаждения, отрегулировать натяжение ремня вентилятора, промыть радиатор, заменить термостат.
Замена жидкости и промывка
Если не пришлось заменять какой-либо узел в системе охлаждения раньше, то инструкции рекомендуют менять антифриз не реже чем в 5–10 лет. Если вам не приходилось доливать в систему воду из канистры, а еще хуже — из придорожной канавы, то при замене жидкости систему можно не промывать.
А вот если автомобиль многое повидал на своем веку, то при замене жидкости полезно произвести промывку системы охлаждения. Разомкнув в нескольких местах систему можно струей воды из шланга тщательно ее прополоскать. Либо просто слить старую жидкость и залить чистую, кипяченую воду. Запустить двигатель и прогреть до рабочей температуры. Выждав, пока система остынет, чтобы не обжечься, слить воду. Затем продуть воздухом систему и залить свежий антифриз.
Промывку системы охлаждения обычно затевают в двух случаях: когда перегревается двигатель (проявляется это прежде всего в летний период) и когда перестает греть печка зимой. В первом случае причина кроется в заросших грязью снаружи и засоренных изнутри трубках радиатора. Во втором — проблема в том, что забились отложениями трубки радиатора отопителя. Поэтому при плановой смене жидкости и при замене компонентов системы охлаждения не упускайте возможности хорошенько промыть все узлы.
Расскажите, с какими неисправностями системы охлаждения сталкивались вы. И желаю вам жаркого отопителя зимой и хорошего охлаждения летом.
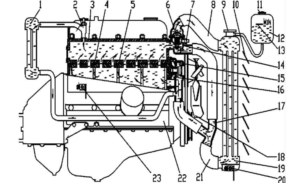
Схема охлаждения Хантера

Рис.1. Система охлаждения двигателей УМЗ-421, УМЗ-4218 для автомобилей автомобилей УАЗ-Хантер, УАЗ-31512, УАЗ-3303, 2206
- 1 – радиатор отопителя;
- 2 – кран отопителя;
- 3 – головка цилиндров;
- 4 – прокладка;
- 5 – межцилиндровые каналы для прохода охлаждающей жидкости;
- 6 – двух клапанный термостат;
- 7 – датчик указателя температуры охлаждающей жидкости;
- 8 – выпускной трубопровод;
- 9 – пробка радиатора;
- 10 – жалюзи;
- 11 – пробка;
- 12 – бачок расширительный;
- 13 – отметка “min”;
- 14 – корпус термостата;
- 15 – насос системы охлаждения;
- 16 – крыльчатка;
- 17 – патрубок соединительный;
- 18 – вентилятор;
- 19 – радиатор;
- 20 сливной кран радиатора;
- 21 – впускной трубопровод;
- 22 – блок цилиндров;
- 23 – сливной кран блока цилиндров.
Для нормальной работы двигателя УМЗ-421 (УАЗ-31512), УМЗ-4218 (УАЗ-Хантер, УАЗ-3303, 2206) температура охлаждающей жидкости должна поддерживаться в пределах плюс 80°- 90°С.
Допустима непродолжительная работа двигателя при температуре охлаждающей жидкости 105°С. Такой режим может возникнуть в жаркое время года при движении автомобиля с полной нагрузкой на затяжных подъемах или в городских условиях движения с частыми разгонами и остановками.
Система воздушного охлаждения
В такой системе, необходимый расход воздуха обеспечивается специальным вентилятором.
Нормальное тепловое состояние двигателя достигается увеличением площади наружной
поверхности цилиндра и головок путём их оребрения.
Для улучшения теплоотдачи поток охлаждающего воздуха должен омывать поверхности
охлаждения равномерно и с достаточно высокой скоростью. Эффективное и
равномерное охлаждение достигается применением дефлекторов, представляющих собой
направляющие устройства для подачи воздуха. Поток охлаждающего воздуха в первую
очередь подаётся к наиболее горячим местам головки цилиндров (перемычкам между
сёдлами клапанов, свечам зажигания и форсункам). Регулирование температурного
режима двигателя обеспечивается автоматически за счёт регулировки расхода масла
через гидромуфту.
Основными преимуществами системы воздушного охлаждения являются:
— уменьшение
времени прогрева;
— стабильность теплоотвода;
— большая надёжность системы в
следствии отсутствия жидкости;
— меньшая вероятность переохлаждения двигателя;
—
более удобная эксплуатация двигателя в зонах с недостатком воды.
К основным минусам подобных систем можно отнести не значительное, но все же, увеличение габаритов
двигателя, повышенные требования к смазочным маслам и топливу.
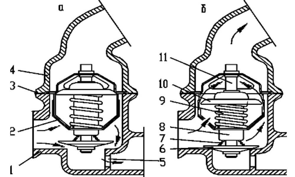
Схема работы термостата УМЗ-421, УМЗ-4218

Рис. 2.
- а – положение клапанов термостата и направление потока охлаждающей жидкости при прогреве двигателя
- б – после прогрева.
- 1 – корпус термостата;
- 2 – термостат;
- 3 – прокладка;
- 4 – крышка патрубка термостата;
- 5 – дроссельное отверстие;
- 6 – нижний клапан;
- 7 – пружина нижнего клапана;
- 8 – баллон;
- 9 – пружина верхнего клапана;
- 10 – верхний клапан;
- 11 – шток.
Поддержание нормальной температуры охлаждающей жидкости в системе охлаждения двигателя УМЗ-421, УМЗ-4218 осуществляется при помощи двух клапанного термостата с твердым наполнителем ТС-107-01, установленного в корпус.
Принцип работы термостата
При прогреве двигателя, когда температура охлаждающей жидкости ниже 80°С, действует малый круг циркуляции охлаждающей жидкости. Верхний клапан термостата закрыт, нижний клапан открыт.
Охлаждающая жидкость водяным насосом УМЗ-421, УМЗ-4218 нагнетается в рубашку охлаждения блока цилиндров, откуда через отверстия в верхней плите блока и нижней плоскости головки цилиндров жидкость попадает в рубашку охлаждения головки, далее в корпус термостата и через нижний клапан термостата и патрубок соединительный (поток охлаждающей жидкости показан пунктирными стрелками) – на вход водяного насоса.
Радиатор УМЗ-421, УМЗ-4218 при этом отключен от основного потока охлаждающей жидкости. Для более эффективного действия системы отопления салона при циркуляции жидкости по малому кругу (такая ситуация может поддерживаться достаточно долго при низких отрицательных температурах окружающего воздуха) в канале выхода жидкости через нижний клапан термостата имеется дроссельное отверстие диаметром 9 мм.
Такое дросселирование приводит к повышению перепада давления на входе и выходе радиатора отопления и более интенсивной циркуляции жидкости через этот радиатор.
Кроме того, дросселирование клапана на выходе жидкости через нижний клапан термостата уменьшает вероятность аварийного перегрева двигателя УМЗ-421, УМЗ-4218 в случае отсутствия термостата, т.к. шунтирующее действие малого круга циркуляции жидкости при этом существенно ослабляется, поэтому значительная часть жидкости пойдет через радиатор охлаждения.
Дополнительно для поддержания нормальной рабочей температуры охлаждающей жидкости в холодное время года на автомобилях УАЗ-Хантер, УАЗ-31512, УАЗ-3303, 2206 перед радиатором имеются жалюзи, с помощью которых можно регулировать количество воздуха, проходящего через радиатор.
При повышении температуры жидкости до 80°С и более открывается верхний клапан термостата, а нижний клапан закрывается. Циркуляция охлаждающей жидкости идет по большому кругу.
Потоки жидкости через насос, корпус термостата, радиатор показаны сплошными стрелками. Для нормального функционирования система охлаждения УМЗ-421, УМЗ-4218 должна быть полностью заполнена жидкостью.
При прогреве двигателя объем жидкости увеличивается, избыток ее выталкивается за счет повышения давления из замкнутого объема циркуляции в расширительный бачок. При снижении температуры жидкости (например, после прекращения работы двигателя) жидкость из расширительного бачка под действием возникающего разрежения возвращается в замкнутый объем.
Жидкостная система охлаждения двигателя
В системе жидкостного охлаждения теплота от горячих стенок
цилиндра и их головок передаётся в охлаждающую жидкость, которая циркулируя в
системе, переносит теплоту в охладитель (в радиатор или к вентилятору).
К основным преимуществам жидкостной системы охлаждения можно отнести:
— меньшую среднюю температуру деталей, благодаря чему увеличивается массовое
наполнение цилиндров (в карбюраторных двигателях снижаются требования к
октановому числу);
— меньший шум при работе двигателей;
— уменьшение габаритных размеров двигателя;
— более лёгкий пуск двигателя при низких температурах.
К основным недостаткам жидкостной системы охлаждения можно отнести:
— возможность подтекания жидкости;
— большую вероятность переохлаждения двигателя;
— возможность замерзания системы зимой при использовании воды.
Жидкостная система охлаждения бывает 3 видов:
— термосифонная;
— с принудительной циркуляцией;
— смешанная.
Термосифонная циркуляция осуществляется за счёт разности плотности холодной и
горячей жидкости. Она имеет хороший теплоотвод при большой
вместимости системы, но малоэффективна при перепаде температур.
Система с принудительной циркуляцией подразумевает, что жидкость
в ней перемещается принудительно при
помощи насоса. Основным недостатком является то, что стенки камеры сгорания
охлаждаются уже подогретой жидкостью.
Смешанная система жидкостного охлаждения характеризуется тем, что жидкость подаётся насосом в верхнюю зону
рубашки охлаждения цилиндров, непосредственно в плоскость рубашки блока.
Назначение и классификация систем охлаждения
Температура газов в цилиндрах работающего двигателя достигает 1800-2000 градусов. Только часть выделенного при этом тепла преобразуется в полезную работу. Оставшаяся часть отводится в окружающую среду системой охлаждения, системой смазки и наружными поверхностями двигателя.
Чрезмерное повышение температуры двигателя приводит к выгоранию смазки, нарушению нормальных зазоров между его деталями следствием чего является резкое возрастание их износа. Возникает опасность заедания и заклинивания. Перегрев двигателя вызывает уменьшение коэффициента наполнения цилиндров, а в бензиновых двигателях еще и детонационное сгорание рабочей смеси.
Большое снижение температуры работающего двигателя также нежелательно. В переохлажденном двигателе мощность снижается из-за потерь тепла; вязкость смазки увеличивается, что повышает трение; часть горючей смеси конденсируется, смывая смазку со стенок цилиндра, повышая тем самым износ деталей. В результате образования серных и сернистых соединений стенки цилиндров подвергаются коррозии.
Система охлаждения предназначена для поддержания наивыгоднейшего теплового режима. Системы охлаждения подразделяются на воздушные и жидкостные. Воздушные в настоящее время на автомобилях встречаются крайне редко. Системы жидкостного охлаждения могут быть открытыми и закрытыми. Открытые системы – системы, сообщающиеся с окружающей средой через пароотводную трубку. Закрытые системы разобщены от окружающей среды, а поэтому давление охлаждающей жидкости в них выше. Как известно, чем выше давление, тем выше температура закипания жидкости. Поэтому закрытые системы допускают нагрев ОЖ до более высоких температур (до 110-120 градусов).
По способу циркуляции жидкости системы охлаждения могут быть:
- принудительными, в которых циркуляция обеспечивается насосом, расположенным на двигателе;
- термосифонными, в которых циркуляция жидкости происходит за счет разницы плотности жидкости, нагретой деталями двигателя и охлажденной в радиаторе. Во время работы двигателя жидкость в рубашке охлаждения нагревается и поднимается в верхнюю ее часть, откуда через патрубок поступает в верхний бачок радиатора. В радиаторе жидкость отдает теплоту воздуху, плотность ее повышается, она опускается вниз и через нижний бачок вновь возвращается в систему охлаждения.
- комбинированными, в которых наиболее нагретые детали (головки блоков цилиндров) охлаждаются принудительно, а блоки цилиндров – по термосифонному принципу.
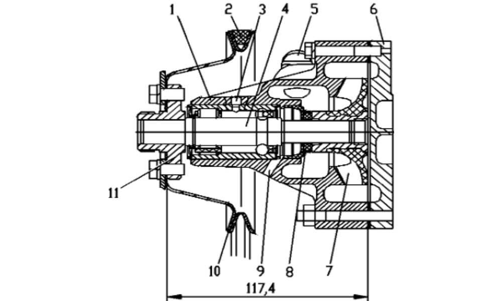
Водяной насос системы охлаждения УМЗ-421, УМЗ-4218
Водяной насос двигателя УМЗ-421, УМЗ-4218 (рис. 4) – центробежного типа, приводится в действие клиновым ремнем от шкива коленчатого вала. Размеры ремня 10,7х8 мм (на автомобилях УАЗ длина ремня 1030мм).
Схема

Рис. 4. Водяной насос УМЗ-421, УМЗ-4218
- 1 – корпус насоса;
- 2 – ремень;
- 3 – фиксатор;
- 4 – подшипник;
- 5 – штуцер подачи охлаждающей жидкости в систему отопления;
- 6 – корпус;
- 7 – крыльчатка;
- 8 – сальник;
- 9 – контрольное отверстие;
- 10 – шкив;
- 11 – ступица;
- Корпус и крышка водяного насоса УМЗ-421, УМЗ-4218 выполнены из алюминиевого сплава.
В конструкции насоса применен специальный двухрядный шарикороликовый подшипник с двухсторонним уплотнением, с валиком вместо внутренних колец.
Диаметр длинного конца валика, на который насаживается крыльчатка 16-0,018 мм, диаметр короткого конца для напрессовки ступицы – 17-0,018 мм. Двухстороннее уплотнение обеспечивает сохранение заложенной в него специальной смазки в течение всего срока службы подшипника.
Наружный диаметр подшипника 38-0,009 мм. Диаметр гнезда под подшипник в корпусе водяного насоса 38 мм. Установка подшипника в корпус водяного насоса осуществляется после нагрева корпуса до температуры 90-100°С с последующей фиксацией в корпусе специальным винтом с резьбой М6.
Уплотнение по торцу крыльчатки водяного насоса УМЗ-421 (УАЗ-31512), УМЗ-4218 (УАЗ-Хантер, УАЗ-3303, 2206) осуществляется сальником 2108-1307013-03, изготовленного из высококачественной резины марки на основе фторкаучука. Кольцо скольжения изготовлено из специального антифрикционного материала на основе графита.
Сальник легко устанавливается в корпус насоса УМЗ-421, УМЗ-4218 и легко демонтируется из посадочного гнезда. Перед установкой наружная поверхность сальника смазывается герметиком. Натяг сальника в месте контакта кольца скольжения с торцем крыльчатки составляет около 0,8 мм.
На передний конец вала водяного насоса УМЗ-421, УМЗ-4218 напрессовывается ступица, на которую крепится шкив привода, либо вентилятор непосредственно к фланцу ступицы на четыре отверстия с резьбой М8, либо муфта вязкостного трения в сборе с вентилятором через специальную гайку с левой резьбой М27х1,5 к переднему концу ступицы.
Ступица посажена на вал подшипника с натягом 0,032-0,077 мм (внутренний диаметр ступицы 17 мм). Размер от переднего торца фланца ступицы до заднего торца корпуса водяного насоса без крышки после напрессовки ступицы на вал составляет 117,4 мм.
Основы эксплуатации и обслуживания системы
Контроль за состоянием системы охлаждения – это необходимое условие комфортного движения на транспортном средстве. Несмотря на то, что неисправности указанной системы не запрещают эксплуатации автомобиля, водитель должен понимать опасность перспективы выхода ее из строя. Перегрев двигателя, более чем возможный в теплое время года, и недостаточный обогрев салона автомобиля в зимнюю пору приводит к необходимости ремонта, порой весьма дорогостоящего.
Соблюдение элементарных правил эксплуатации системы охлаждения двигателя позволит избежать, вовремя предупредить или минимизировать воздействие неисправностей на нормальную работу автомобиля.
Постоянный контроль уровня охлаждающей жидкости
Расширительный бачок служит для визуального контроля за уровнем жидкости в системе охлаждения. Дело в том, что объем системы охлаждения постоянен, а вот объем жидкости изменяется в зависимости от условий эксплуатации. При понижении или повышении уровня охлаждающей жидкости (указанного на расширительном бачке) необходимо корректировать ее количество в системе.
Диагностика негерметичности системы
Постоянное понижение уровня охлаждающей жидкости чаще всего связано с ее протеканием. Многочисленные соединения патрубков с элементами системы охлаждения, коррозия основного радиатора или радиатора «печки» приводят к постоянному уменьшению уровня жидкости в расширительном бачке. Диагностирование проблемы связано с обнаружением темных пятен на узлах и агрегатах, расположенных в моторном отсеке, мокрым следам на проезжей части, а также по характерному сладковато-приторному запаха тосола. Более серьезный характер носит обнаружение следов тосола на масляном щупе, что приводит к дорогостоящему ремонту двигателя.
Симптомы перегрева или недостаточного нагрева двигателя
Перегрев может быть связан с несколькими причинами:
- заклиниванием термостата в положении «закрыто»;
- засорением каналов системы;
- недостаточным уровнем жидкости в системе.
А вот недостаточный нагрев двигателя автомобиля свидетельствует исключительно о заклинивании термостата, который работает только в положении «открыто».
Подведем итог. Система охлаждения двигателя выполняет функции отвода излишнего тепла от силового агрегата, образовавшегося в процессе работы, и поддержания нормального (рабочего) режима его эксплуатации.
Мне нравится1Не нравится
Влияние температурных параметров на работу мотора
За один рабочий цикл температура в цилиндрах ДВС изменяется от 80…120 градусов Цельсия во время впуска горючей смеси до 2000…2200 градусов Цельсия в процессе ее сгорания. При этом силовой агрегат достаточно сильно нагревается.
Если мотор во время работы охлаждается недостаточно интенсивно, то его детали сильно нагреваются и изменяются в размерах. Значительно уменьшается (из-за выгорания) и объем моторного масла, залитого в картер. В итоге увеличивается трение между взаимодействующими деталями, что приводит к их быстрому износу или даже заклиниванию.
Однако и переохлаждение ДВС отрицательно сказывается на его работе. На стенках цилиндров холодного двигателя происходит конденсация паров топлива, которые, смывая слой смазки, разжижают моторное масло, находящееся в картере.
Для исключения негативных последствий, связанных с нарушением теплового режима, системы охлаждения проектируются так, чтобы исключить перегрев и переохлаждение мотора в процессе эксплуатации.
В результате химические свойства последнего ухудшаются, что способствует:
- увеличенному расходу моторного масла;
- интенсивному износу трущихся поверхностей;
- падению мощности силового агрегата;
- увеличению расхода горючего.





























