Элементы системы охлаждения
Система охлаждения в ЯМЗ-238 (фото прилагается в статье) жидкостная, циркуляционная. Она включает в себя ряд основных элементов, таких как:
насос для перекачки жидкости;
теплообменник;
несколько термостатов, регулирующих подачу охлаждения к цилиндрам;
вентилятор, обеспечивающий подачу воздуха в кабину и на двигатель.
У двигателя ЯМЗ-238 турбо система охлаждения (фото силового агрегата есть в статье) состоит из следующих составных частей:
Насос, созданный для постоянной циркуляции воды.
Полость, где размещен блок охлаждения гильз.
Водяная полость в головке блока.
Канал для прохождения воды.
Компрессор.
Правая трубка охлаждения.
Соединительная трубка.
Впускной патрубок.
Термостат.
Тройник с трубками.
Перепускная трубка.
Заглушка.
Патрубок масляного теплообменника.
Вентилятор.
Водяной канал, расположенный поперечно.
Подвод жидкости, служащей для охлаждения двигателя, от радиатора к печке в кабине, к системе выпуска воздуха, к радиатору.
Система подачи надувочного воздуха к охладителю и радиатору.
Система для перемещения охладительного воздуха от охладителя к цилиндрам мотора.
Помимо вышеперечисленного система охлаждения агрегата ЯМЗ-238 состоит из радиатора, охладителя надувочного воздуха, а также термометра. Все это оборудование устанавливается на автомобиле.
Принцип работы охлаждения
Во время нормальной работы мотора ЯМЗ-238 от МАЗа в системе охлаждения циркуляция жидкости создается за счет работы центробежного насоса. Насос перекачивает охлаждающую жидкость в поперечный канал, а затем она проходит по продольному каналу и попадает в водяную полость цилиндров, расположенных в правом ряду. В остальные цилиндры двигателя жидкость для охлаждения попадает через впускной патрубок. Таким образом удается охладить масло сразу в двух элементах силового агрегата.
Вам будет интересно:Карбюратор К-133: технические характеристики, устройство и регулировка
Далее антифриз попадает в левый продольно расположенный канал. Чтобы охлаждающая жидкость попадала в жидкостно-масляный теплообменник, инженеры запрессовали заглушку в переднюю крышку шестерен для распределения. Затем антифриз по трубкам попадает в головки цилиндров, охлаждая наиболее нагретую поверхность, такую как выпускные каналы, стаканы форсунок. Затем жидкость сливается в несколько водосборных труб. Во время разогрева только что заведенного двигателя система охлаждения не функционирует.
Движению антифриза препятствуют клапаны термостатов. Жидкость, служащая, чтобы охладить двигатель от перегрева, циркулирует по соединительным трубкам, перепускной трубе через водяной насос. При этом она не попадает в радиатор, благодаря чему силовой агрегат нагревается до рабочей температуры. После того как антифриз нагреется до 80 градусов по Цельсию, клапаны термостатов открываются. Нагретая до нужной температуры жидкость поступает в полости водяного радиатора, где нагревает поток воздуха, поступающего благодаря работе вентилятора. Затем антифриз снова поступает к водяному насосу.
В тот момент, когда температура охлаждающей жидкости снижается, термостаты направляют ее к насосу, минуя радиатор.Таким образом, благодаря блокировкам термостатов в двигателе обеспечивается оптимальный тепловой режим.
Виды систем охлаждения
Всего на двигателях внутреннего сгорания используется два типа охлаждения – воздушное и жидкостное.
Воздушная система охлаждения, ее конструкция, недостатки

Устройство воздушной системы охлаждения двигателя
В силу ряда недостатков на автомобильном транспорте воздушная система широкого распространения не получила, хотя конструктивно она значительно проще, чем жидкостная. Основным ее элементом являются ребра охлаждения на цилиндрах.
Тепло, выделяемое от цилиндров, распространялось на эти ребра, а проходящий через них поток воздуха осуществлял его отвод. Для создания потока дополнительно конструкция системы могла включать турбину – специальную крыльчатку, с приводом от коленчатого вала и рукав, которым создаваемый поток воздуха направлялся на цилиндры. Это вся конструкция воздушной системы.
На автотранспорте воздушная система практически не используется потому, что:
- невозможна регулировка температурного режима (зимой мотор не выходил на необходимую температуру, а летом – очень быстро перегревался);
- чтобы обеспечить равномерное распределение потока воздуха, каждый цилиндр стоял отдельно;
- во время стоянки с заведенным мотором даже при наличии турбины поток воздуха очень слабый, что приводит к быстрому перегреву;
- невозможно организовать обогрев салона.
Из-за этих недостатков воздушная система на автомобилях не применяется, хотя единичные случаи все же были – ЗАЗ-968 «Запорожец» как раз и имел такую систему охлаждения. Зато она широко используется на мототранспорте и технике, оснащенной 2-тактными моторами (бензопилы, мотокосы, мотоблоки и т. д.).
Сцепление
Вам будет интересно:Грузоподъемность ЗИЛа «Бычок» — технические характеристики и особенности
Вам будет интересно:МТЛБУ: технические характеристики, функции вездехода, описание двигателя, фото
Механизм для переключения передач состоит из четырех штампованных оттяжных рычага, которые установлены на игольчатых подшипниках. Между рычагами придаточное отношение идет 1 к 5,4. Также в конструкции есть 28 нажимных пружин в форме цилиндров. Их делают из стальной проволоки. Чугунный средний ведущий диск связан с маховиком крупными шипами, которые расположены на поверхности детали.
Влияние температурных параметров на работу мотора
За один рабочий цикл температура в цилиндрах ДВС изменяется от 80…120 градусов Цельсия во время впуска горючей смеси до 2000…2200 градусов Цельсия в процессе ее сгорания. При этом силовой агрегат достаточно сильно нагревается.
Если мотор во время работы охлаждается недостаточно интенсивно, то его детали сильно нагреваются и изменяются в размерах. Значительно уменьшается (из-за выгорания) и объем моторного масла, залитого в картер. В итоге увеличивается трение между взаимодействующими деталями, что приводит к их быстрому износу или даже заклиниванию.
Однако и переохлаждение ДВС отрицательно сказывается на его работе. На стенках цилиндров холодного двигателя происходит конденсация паров топлива, которые, смывая слой смазки, разжижают моторное масло, находящееся в картере.
Для исключения негативных последствий, связанных с нарушением теплового режима, системы охлаждения проектируются так, чтобы исключить перегрев и переохлаждение мотора в процессе эксплуатации.
В результате химические свойства последнего ухудшаются, что способствует:
- увеличенному расходу моторного масла;
- интенсивному износу трущихся поверхностей;
- падению мощности силового агрегата;
- увеличению расхода горючего.
Основы эксплуатации и обслуживания системы
Контроль за состоянием системы охлаждения – это необходимое условие комфортного движения на транспортном средстве. Несмотря на то, что неисправности указанной системы не запрещают эксплуатации автомобиля, водитель должен понимать опасность перспективы выхода ее из строя. Перегрев двигателя, более чем возможный в теплое время года, и недостаточный обогрев салона автомобиля в зимнюю пору приводит к необходимости ремонта, порой весьма дорогостоящего.
Соблюдение элементарных правил эксплуатации системы охлаждения двигателя позволит избежать, вовремя предупредить или минимизировать воздействие неисправностей на нормальную работу автомобиля.
Постоянный контроль уровня охлаждающей жидкости
Расширительный бачок служит для визуального контроля за уровнем жидкости в системе охлаждения. Дело в том, что объем системы охлаждения постоянен, а вот объем жидкости изменяется в зависимости от условий эксплуатации. При понижении или повышении уровня охлаждающей жидкости (указанного на расширительном бачке) необходимо корректировать ее количество в системе.
Диагностика негерметичности системы
Постоянное понижение уровня охлаждающей жидкости чаще всего связано с ее протеканием. Многочисленные соединения патрубков с элементами системы охлаждения, коррозия основного радиатора или радиатора «печки» приводят к постоянному уменьшению уровня жидкости в расширительном бачке. Диагностирование проблемы связано с обнаружением темных пятен на узлах и агрегатах, расположенных в моторном отсеке, мокрым следам на проезжей части, а также по характерному сладковато-приторному запаха тосола. Более серьезный характер носит обнаружение следов тосола на масляном щупе, что приводит к дорогостоящему ремонту двигателя.
Симптомы перегрева или недостаточного нагрева двигателя
Перегрев может быть связан с несколькими причинами:
- заклиниванием термостата в положении «закрыто»;
- засорением каналов системы;
- недостаточным уровнем жидкости в системе.
А вот недостаточный нагрев двигателя автомобиля свидетельствует исключительно о заклинивании термостата, который работает только в положении «открыто».
Подведем итог. Система охлаждения двигателя выполняет функции отвода излишнего тепла от силового агрегата, образовавшегося в процессе работы, и поддержания нормального (рабочего) режима его эксплуатации.
Мне нравится1Не нравится
Воздушная система охлаждения
Моторами воздушного охлаждения оснащались транспортные средства в 50-70 годах прошлого века. Типичными представителями таких автомобилей являются «Запорожец» или FIAT 500. Сейчас моторы с воздушным охлаждением в автомобилестроении практически не встречаются.
Конструкция и принцип действия
Конструктивно система принудительного воздушного охлаждения монтируется в подкапотном пространстве транспортного средства и состоит из:
- отсасывающего или нагнетающего вентилятора;
- направляющих ребер рубашки охлаждения двигателя;
- органов управления (дроссельные заслонки, управляющие подачей воздуха или муфта, регулирующая частоту вращения вентилятора в автоматическом режиме);
- температурного датчика, установленного в силовом агрегате;
- контрольного прибора, выведенного на приборную панель в салоне автомобиля.
Охлаждение мотора осуществляется встречным холодным воздухом. Для усиления его потока чаще всего используют вентилятор нагнетающего типа. Он усиливает поток холодного плотного воздуха и обеспечивает его подачу в больших количествах при малых энергетических затратах.
Отсасывающий вентилятор требует больших затрат мощности, однако обеспечивает более равномерный отвод тепла от деталей силового агрегата.
Достоинства и недостатки
Моторы с принудительным воздушным охлаждением отличаются:
- простотой конструкции;
- низкими требованиями к изменению температуры окружающей среды;
- небольшим весом;
- несложным техническим обслуживанием.
К недостаткам системы воздушного охлаждения относят:
- большую потерю мощности мотора, которая расходуется на обеспечение работы вентилятора;
- высокий уровень шума во время работы вентилятора;
- недостаточное охлаждение отдельных элементов двигателя из-за неравномерного обдува;
- невозможность использования излишков тепла для обогрева салона.
https://youtube.com/watch?v=EK7_GSpECNo
Двигатель ЯМЗ-238: технические характеристики, схема
Срок службы двигателя зависит от своевременного и тщательного проведения смазки, а также от сорта и качества применяемых масел и смазок.
Во избежание проникновения грязи в механизмы тщательно очищать места смазки и простирать масленки.
Проверка уровня масла и доливка
Очистите заливную горловину от пыли и грязи. Выньте маслоизмерительный стержень 2 (рис. 1), вытрите его ветошью и вставьте в трубку до упора.
Затем выньте стержень вновь и определите уровень масла: он должен находиться между метками «В» и «Н», ближе к метке «В».
Если двигатель работал, проверку уровня масла следует проводить через 3… 5 мин после его остановки.

Если уровень близок к метке «Н», долейте в заливную горловину 1, расположенную в передней части двигателя, за гидромуфтой привода вентилятора, свежее масло до нормы.
При проверке уровня масла обратите внимание на его качество. Если на измерительном стержне через масляную пленку видны риски, масло пригодно для дальнейшего использования
Если на измерительном стержне через масляную пленку видны риски, масло пригодно для дальнейшего использования.
Если риски плохо различимы из-за темного цвета масла, его надо заменить.
Степень загрязненности масла можно оценить и по цвету масляного пятна на белой фильтровальной бумаге.
Если только середина пятна черная, следует заменить фильтрующие элементы масляного фильтра и промыть колпак ротора центробежного фильтра, а если все пятно черное, масло следует заменить.
Сборка после ремонта
После того как помпа полностью разобрана, неисправность выявлена, все поврежденные элементы заменены на новые, следует промыть все исправные детали, а затем тщательно просушить их. Для этого можно использовать сжатый воздух.
Далее требуется собрать изделие для дальнейшей его установки на двигатель автомобиля. Для этого необходимо выполнить ряд операций:
Запрессовать на вал подшипники и водосбрасыватель. При этом следует смазать вал маслом для дизельных двигателей. Подшипники необходимо установить таким образом, чтобы уплотнительные шайбы оказались с внешней стороны. Все усилие для запрессовки необходимо прилагать только к внутреннему кольцу подшипников.
Далее необходимо наполнить открытые полости между подшипниками, образовавшиеся после запрессовки, специальной смазкой «Литол-24.
Смазать вал ранее не использованным моторным маслом.
Во время следующей операции необходимо вал в сборе установить в корпус водяного насоса. Необходимо обеспечить неподвижный упор с противоположной стороны вала.
Далее требуется установить торцовое уплотнение из латунного корпуса.
Поставить манжету из резины в сборе с пружинкой и несколькими каркасами.
Далее следует надеть манжету на уплотнительную втулку.
Затем необходимо смазать тонким слоем расточку шкива, а также внешнюю поверхность манжеты, которая изготовлена из резины.
Установить армированную манжету и втулку для уплотнения.
Смонтировать шкив в резиновую манжету и втулку для уплотнения. Чтобы избежать различных перекосов и возникновения газов в системе охлаждения ЯМЗ-238, необходимо обхватить манжету обеими руками, а затем вставить ее в расточку шкива.
Далее требуется запрессовать шкив насоса в сборе на вал, но перед этим следует не забыть смазать обе детали в местах контакта неиспользованным ранее моторным маслом.
Зафиксировать шкив, чтобы предотвратить его вращение.
Плотно завернуть заглушку.
Смонтировать в корпус водяного насоса кольцо из резины и втулку.
В канавку патрубков поставить кольцо.
Подсоединить патрубки системы охлаждения ЯМЗ-238 к помпе.
Закрепить патрубки с помощью метизов.
На этом сборка водяного насоса завершена.
Конструкция мотора
Блоки цилиндров дизельного двигателя ЯМЗ-238 изготовлены из серого чугуна. Гильзы цилиндров также изготовлены из специального твердосплавного материала. На силовом агрегате установлены две головки (по одной в каждом ряду цилиндров). Также внутри корпуса мотора конструкторы поместили кованый коленчатый вал совместно с противовесами и опорами. Все восемь поршней двигателя созданы из алюминиевого сплава. На каждом из них надето по три компрессионных и по два маслосъемных кольца.Стопорные кольца необходимы, чтобы ограничить перемещение плавающих поршневых пальцев. Также в блоке цилиндров помещены кованые шатуны из стали с косым разъемом на нижней головке. Чтобы запустить двигатель, используется стартер, в корпусе которого находится маховик с зубчатым венцом.
Как циркулирует ОЖ в системе охлаждения
Схема циркуляции жидкости в системе охлаждения двигателя
Схема циркуляции охлаждающей жидкости состоит из большого и маленького круга. К малому относятся только рубашка охлаждения и радиатор, там требуется меньшее количество жидкости.
При холодном моторе циркуляция охлаждающей жидкости в двигателе происходит по малому кругу. Когда мотор нагревается, открывается термостат и пускает антифриз по большому кругу.
Вот как циркулирует охлаждающая жидкость в двигателе:
- Двигатель заводится, и антифриз начинает ходить по малому кругу. Этим процессом руководит насос.
- Проходя по цилиндрам, ОЖ нагревается от них, затем возвращается к насосу и повторяет круг.
- Когда хладагент достигает определенной температуры, термостат перекрывает малый круг и открывает большой, по которому жидкость и направляется далее.
- Насос закачивает жидкость в двигатель, она забирает тепло и попадает в радиатор, где охлаждается за счет окружающей среды и воздушной системы.
- Оставленное антифризом тепло используется для обогрева салона, если включена печка.
- Остывшая охлаждающая жидкость отправляется насосом на следующий круг.
- Если радиатора недостаточно для охлаждения антифриза до нужной температуры, включаются вентиляторы. Отключаются они по достижении ОЖ нужной температуры.
- Если же антифриз, наоборот, слишком остывает, то термостат закрывает большой круг и вновь пускает жидкость по малому.
Таким образом, антифриз нужен автомобилю для того, чтобы поддерживать внутри мотора нормальную рабочую температуру. Она должна быть одинаковой, постоянной и составляет в среднем 90 градусов Цельсия. Благодаря этому мотор способен выдавать хорошую скорость и экономно расходовать горючее.
Плохая циркуляция ОЖ: из-за чего бывает, чем опасна и как ее избежать
Если не циркулирует охлаждающая жидкость вообще или же плохо циркулирует, то у этого могут быть разные причины:
- Проблемы с насосом циркуляции охлаждающей жидкости. Поломки этого агрегата приводят к тому, что он перестает закачивать антифриз в двигатель или начинает делать это хуже.
- Забитая система. В процессе эксплуатации антифриза в системе охлаждения могут скапливаться различные отложения, осадки. Особенно, если антифриз – низкого качества. Это могут быть и примеси из самого антифриза, и частички коррозии, и частички разрушившегося в результате кавитации металла, изношенных уплотнителей и шлангов и т.д. Эти взвеси оседают везде, забивая протоки и узлы. В результате жидкость с трудом «протискивается».
- Утечки антифриза. Течь может возникнуть по причине коррозии, трещин, разрывов в расширительном бачке, шлангах и патрубках, в других элементах системы. При постоянной течи оставшегося объема ОЖ недостаточно для того, чтобы нормально циркулировать.
Нарушения движения охлаждающей жидкости в двигателе приводят к тому, что он перегревается, антифриз – тоже. Без должного остывания агрегат уже не может нормально работать, ломается и выходит из строя.
Чтобы такого не случилось, нужно придерживаться простых правил. Во-первых, использовать только качественный антифриз. Не стоит гнаться за дешевизной, лучше купить подороже, но проверенного, надежного производителя. Здесь есть другая опасность – под видом брендовых часто встречаются подделки. Поэтому покупать нужно еще и внимательно, и только при наличии у продавца необходимых сертификатов.
Во-вторых, необходимо внимательно следить за системой. Регулярно осматривать ее на предмет утечек и других неполадок. При первых же подозрения на неисправность провести более тщательный осмотр и исправлять ситуацию – самостоятельно или обратившись в автосервис.
Заключение
От системы охлаждения двигателя зависит многое. Она, как кровеносная система человека, заботится о работоспособности мотора и «здоровья» машины в целом. Поэтому внимательное к ней отношение и тщательный подбор антифриза – это гарант исправности этой системы, а значит – корректной и бесперебойной работы двигателя.
История модели
Первый серийный седельный тягач серии «МАЗ-5432» был собран на главном конвейере Минского автомобильного завода 19 мая 1981 года. Этот день принято считать точкой отсчёта в истории белорусских магистральных грузовиков третьего поколения. Грузоподъёмность этого тягача достигла 21 тонны, а полная масса – 34 тонн. Кроме того, данное семейство отличалось кабиной качественно нового образца с двойным спальным местом большого объёма, более современным оснащением и наличием поперечного стабилизатора в конструкции передней подвески.

Запущенные в серийное производство в 1985 году «МАЗ-54322», с дизелем «ЯМЗ-238Ф2», и в 1988 году «МАЗ-54323», с мотором «ЯМЗ-238Б», отличались ещё более комфортабельной кабиной и изменённым оформлением передней части. В разработке модели «МАЗ-54323»приняли участие специалисты . В частности, оснащение кабины было выполнено с использованием технологических решений «МАН»овских кабин серии «F-2000». И в том же 1988 году «МАН»овские 360-ти сильные дизельные двигатели впервые были поставлены на «МАЗ»ы (в модификации «МАЗ-54326»).
В 2000 году у этих грузовых автомобилей, которые к тому времени вошли в число лидеров по объёму производства, ведущие мосты были обеспечены блокировкой межколёсного дифференциала, а новая передняя ось стала выдерживать нагрузку до семи тонн, и обеспечивать угол поворота управляемых колёс до 45-ти градусов.
Производство «МАЗ-54323» и других грузовых автомобилей серии 5432 было окончательно завершено к 2008 году, когда на смену им пришли более новые и современные «МАЗ-5440». Не стоить путать двух- и трёхосные минские магистральные тягачи: у трёхосников .
Промывка системы охлаждения
С целью удаления накипи, ржавчины и осадков систему охлаждения необходимо промывать. Когда отложения накипи незначительны, для промывки можно использовать промывочный пистолет.
Двигатель и радиатор промывают отдельно. Чтобы ржавчина, накипь и осадок из рубашки охлаждения двигателя не засоряли радиатор, термостаты перед промывкой с двигателя снимают. Направление струи должно быть обратным направлению движения воды при нормальной циркуляции.
Перед промывкой радиатора следует убедиться в том, что он не засорен, так как в противном случае сильная струя воды может вызвать повреждение радиатора.
При промывке шланги радиатора отсоединяют от двигателя и при закрытой пробке подводят воду сначала к верхнему патрубку радиатора, чтобы удалить грязь, скопившуюся в нижнем бачке, а затем изменяют направление потока воды на обратное и промывают до тех пор, пока выходящая из верхнего бачка вода не будет совершенно чистой.
Накипь из системы охлаждения удаляют раствором технического трилона Б (ТУ 6431-71) в воде (20 г трилона на 1 л воды).
Трилон — порошок белого цвета, не ядовит, легко растворяется в воде, не вызывает вспенивания воды при ее нагревании и кипении. Излишнее количество трилона не вредит деталям системы охлаждения.
Раствор трилона заливают в систему охлаждения.
После 1 дня работы двигателя (не менее 6 — 7 ч) отработавший раствор сливают и заливают свежий. Промывка продолжается 4 — 5 дней.
При отсутствии трилона Б накипь из системы охлаждения допускается удалять раствором, состоящим из кальцинированной (стиральной) соды в количестве 0,5 кг на 10 л воды и керосина 1,0 кг на 10 л воды.
Раствор залейте в систему охлаждения на 24 часа, из которых двигатель не менее 8 часов должен работать на эксплуатационном режиме, после чего слейте раствор в горячем состоянии, а после охлаждения двигателя промойте систему охлаждения чистой водой.
-
Как проверить стартер bmw e34
-
Схема грм форд фокус
-
Ауди вариатор ошибка p178f
-
Опель корса д температура двигателя
- 135 ошибка чери амулет
Последовательность регулировки угла опережения впрыскивания топлива
Для качественной регулировки выполняется:
- проверка плотности посадки полумуфты на приводном валу и затягивание болта клеммового;
- отворот двух болтов и поворотного зажимного устройства опережения с помощью овальных отверстий, на фланце демпферной муфты совместить метки «А» и «Б»;
- зажимание болтов на приводе;
- выполнение измерений вблизи мест крепления пластин (допустимое выделение пакета пластин от уровня плоскости равно ±1 мм);
- поворот коленвала и проверка правильности выставить УОВТ (допустимое расхождение отметок равно одному делению или 1° поворота коленвала);
- проверка уровня масла в зажимном устройстве ОВТ;
- проверка правильности установки УОВТ.

Чтобы это проконтролировать, следует поставить зажимное устройство отверстиями в верхнее положение и выкрутить пробки. Если медленно повернуть зажимное устройство на 70°, из одного отверстия должна начать течь смазка. После добавки масла надо закрутить пробки.
Двс ямз 238 объем масла в двигателе. Сколько масла в двигателе ямз
распределительного вала, втулки коромысел, в гулки толкателей, наконечники штанг толкателем, подшипники масляного насоса и его привода; разбрызгиванием смазываются зеркало гильз цилиндров, кулачки распределительного вала, шестерни приводов агрегатов и подшипники качения.
Рис. 14. Схема системы смазки
Масляный насос двигателей ЯМЗ-238ПМ и ЯМЗ-238ФМ
(рис. 15). Шестеренного типа, установлен на передней крышке коренного подшипника и приводится во вращение от шестерни коленчатого вала через промежуточную шестерню; состоит из двух секций — основной и радиаторной.
Основная (нагнетательная) секция насоса подает масло в основную масляную магистраль через последовательно включенный фильтр грубой очистки 14 (см. рис. 14). В корпусе фильтра грубой очистки установлен перепускной клапан 12 (рис. 16), который при разности давлений до и после фильтра, равной 1,8- 2,3 кгс/см2 (при загрязнении элемента фильтра), открывается и часть неочищенного масла, минуя фильтр, поступает в масляную магистраль. К моменту начала открытия перепускного клапана 12 произойдет замыкание контактов сигнализатора; в этот момент в кабинете загорается сигнальная лампочка. После фильтра масло поступает в центральный масляный канал, а оттуда по каналам в блоке цилиндров к подшипникам коленчатого и распределительного валов. От подшипников коленчатого вала через систему каналов в коленчатом валу и шатунах масло подается к подшипникам верхних головок шатунов. От распределительного вала масло пульсирующим потоком направляется в канал оси толкателей и оттуда по каналам в толкателях, по полым штангам и сверлениям коромысел — ко всем трущимся парам привода клапанов Из центрального масляного канала по наружной трубке масло поступает к подшипникам турбокомпрессора через дополнительный фильтр тонкой очистки (рис. 17).
После фильтра грубой очистки параллельно основной масляной магистрали включен центробежный фильтр тонкой очистки масла 1 (см. рис. 14), который пропускает до 10% масла, проходящего через систему смазки. Очищенное масло сливается в поддон.
Нагнетательная секция масляного насоса снабжена редукционным клапаном 10 (см. рис. 14), перепускающим масло в поддон при давлении
на выходе из насоса более 7—8 кгс/см2.
В корпусе радиаторной секции насоса установлен предохранительный клапан 5, отрегулированный на давление 0,8—1,2 кгс/см°. Для стабилизации давления в систему смазки включен дифференциальный клапан 6. отрегулированный на начало открытия при 5,2—5,4 кгс/см2.
Рис. 15. Масляный насос
содержание .. 10
Система охлаждения компрессора ямз 238 схема подключения
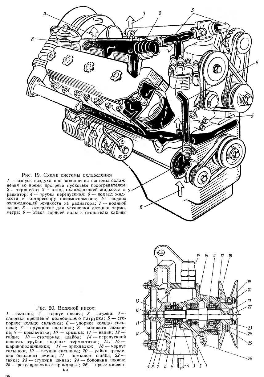
СИСТЕМА ОХЛАЖДЕНИЯ двигателей ЯМЗ-238ПМ и ЯМЗ-238ФМ
Система охлаждения двигателя (рис. 19) жидкостная, закрытого типа, с принудительной циркуляцией охлаждающей жидкости. Она состоит из следующих основных элементов; радиатора, расширительного бачка, водяного насоса
7, вентилятора, термостатов 2 и дистанционного термометра.
При работающем двигателе циркуляция охлаждающей жидкости в системе охлаждения создается центробежным насосом. Насос забирает жидкость из нижнего бачка радиатора и нагнетает ее через каналы в крышке шестеро! распределения в правую и левую водяные рубашки блока цилиндров. Здесь жидкость омывает наружную поверхность гильз цилиндров и, поглощая тепло, нагревается, затем из блока цилиндров поступает в водяные рубашки головок цилиндров и в первую очередь к наиболее нагревающимся местам — выпускным клала нам и стаканам форсунок. Из рубашки охлаждения головок цилиндров жидкость поступает в водосборные трубопроводы, а из них через проходы в термостатах в радиатор, где отдает тепло потоку воздуха, создаваемому вентилятором. Охлажденная в радиаторе жидкость вновь поступает к водяному насосу.
Водяной насос (рис. 20). Лопастный, центробежного типа. Для предотвращения попадании жидкости в полость со смазкой устанавливают манжету 8 из маслобензостойкой резины, которая обоймами прижимается к валу, а пружиной к текстолитовому упорному кольцу 6.
Радиатор. Трубчато-ленточный (змейковый) с трубками овального сечения, трехрядный, устанавливается на раму через резиновые подушки. На расширительном бачке установлена пробка с паровоздушным клапаном. Выпускной клапан пробки открывается при избыточном давлении 0,5 кгс/см2, что соответствует закипанию воды около 119°С. Впускной клапан пробки открывается при падении давления в системе до 0,01 0,13 кгс/см2.
Термостаты. Служат для ускорения прогрева холодного двигателя и предохранения его от переохлаждения в пути. Когда температура жидкости системы охлаждения снижается до 70 3С, термостаты автоматически направляют весь ее поток непосредственно к водяному насосу по так называемому малому кругу циркуляции, минуя радиатор, и тем самым создают благоприятные условия для ее быстрого прогрева.
Шторка радиатора может фиксироваться в любом промежуточном положении и управляется из кабины водителя.
Вентилятор. Шестилопастный, с шестеренным приводом, вращается в кожухе радиатора.

Рис. 19. Схема системы охлаждения 1 — выпуск воздуха при заполнении системы охлаждения во время прогрева пусковым подогревателем; 2 — термостат; 3 — отвод охлаждающей жидкости в 7 радиатор; 4 — трубка перепускная; 5 — подвод жидкости к компрессору пневмотормозов; 6 — подвод охлаждающей жидкости из радиатора; 7 — водяной насос; 8 -отверстие для установки датчика термометра; 9 — отвод горячей воды к отопителю кабины
Рис. 20. Водяной насос: 1 — сальник; 2 — корпус насоса; 3 — втулка; 4 — шпилька крепления подводящего патрубка; 5 — стопорное кольцо сальника: 6 — упорное кольцо сальника; 7 — пружина сальника; 8 — манжета сальника; 9 — крыльчатка; 10 — крышка; 11 — валик; 12 — гайка; 13 — стопорная шайба; 14 — перепускной ниппель трубки водяных термостатов; 15, 16 — шарикоподшипники; 17 — прокладки; 18 — корпус сальника; 19 — втулка сальника; 20 — гайка крепления боковины шкива; 21 — замковая шайба; 22 — гайка; 23 — ступица шкива; 24 — боковина шкива; 25 — регулировочные прокладки; 26 — пресс-масленка
Источник


























