Аналоги фильтра Лады Веста
Если нужна замена всего блока, то сэкономить у владельца Lada Vesta шанса нет. Однако отдельные элементы системы можно заменить на более дешевые аналоги. Например, можно установить бензонасос японской фирмы AISIN, который будет стоить примерно 3000 рублей. Монтаж электробензонасоса от автомобиля Kia Rio цена на который 4000 рублей.
Насколько стоит такая работа сниженной цены – автовладелец должен судить сам. Считается что пока нет официальных аналогов, лучше заменять модуль топлива в проверенном сервисном центре и на оригинальный. Возможно в будущем эта процедура упростится, или сама деталь станет дешевле.
Регулировка форсунок
Итак, если жидкость подается плохо или проблемы с направлением этой жидкости, то необходимо заняться регулировкой. Это не так уж сложно и это без проблем можно сделать своими руками, понадобится булавка или иголка.
Делать все необходимо очень аккуратно, так как можно повредить пластиковый корпус. Для начала нужно вставить иглу в отверстие форсунки и после начать регулировок. Нужно аккуратными движениями добиться правильного положения, чтобы струя имела правильное направление.
Если у вас иномарка, то здесь нужно быть более внимательным. Дело в том, что форсунка подает несколько струй в разные направления и при регулировке это следует учитывать. Причина в том, что если вы это не учтете, то три или четыре струи будут подаваться в одном направлении и будет затронута меньшая поверхность лобового стекла.
В конце концов, вам необходимо проверить, что в итоге получилось. Хорошо ли омывается стекло, будет ли обзорность безопасной в плохую погоду, если ответы «да», то вы сделали все правильно.
7.7
Lada Vesta. Рампа форсунок двигателя (снятие и установка)
Снятие
Для автомобилей с двигателем 11189: установить автомобиль на рабочее место и за-тормозить стояночным тормозом.
Для автомобилей с двигателем 21129: установить автомобиль на двухстоечный подъ-емник и затормозить стояночным тормозом (подъемник электрогидравлический типа П-3,2Ггрузоподъемностью 3,2 т).
Для автомобилей всех комплектаций Откинуть вперед подушку заднего сиденья. Снять крышку 1, рисунок 7-2, люка бензонасоса.
Отсоединить колодку 3, рисунок 7-3, жгута проводов заднего от МЭБН 1.
Запустить двигатель и дать ему поработать на оборотах холостого хода до полной оста-новки для сброса давления в топливной системе, обеспечив отвод выхлопных газов (катушка вытяжная с вентилятором типа SERF/SP ф. «СовПлим»). Выключить зажигание.
Отсоединить клемму провода «массы» от аккумуляторной батареи (ключ гаечный 10).Снять модуль впуска в соответствии с требованиями раздела 7.6 настоящей технологиче-
ской инструкции.
Нажать на пружинные фиксаторы и движением вдоль оси штуцера отсоединить наконеч-ник трубки 1, рисунок 7-30, передней топливного трубопровода от рампы 2 форсунок.

Рисунок 7-30 – Трубка передняя топливного трубопровода двигателя21129:
1 – трубка передняя топливного трубопровода;
2 – рампа форсунок;
3 – скоба крепления топливного трубопровода;
4 – головка цилиндров
Для автомобилей с двигателем 21129 дополнительно отсоединить скобу 3 крепления и отвести в сторону трубку переднюю топливного трубопровода (отвертка плоская).
Отсоединить колодки жгута 1, рисунок 7-31, проводов от топливных форсунок 2, разрезать два хомута 3 (для автомобилей с двигателем 21129) крепления и отвести жгут в сторону(нож технологический).

Рисунок 7-31 – Жгут проводов фор-сунок двигателя 21129:
1 – жгут проводов форсунок;2 – топливная форсунка;
3 – хомут крепления жгутапроводов форсунок
Отвернуть два болта 1, рисунок 7-17, снять рампу 2 с форсунками в сборе (ключ 5 длявнутреннего шестигранника).

Рисунок 7-32 – Рампа форсунок:
1 – болт крепления рампы форсунок;2 – рампа форсунок
Установка
Перед установкой рампы 2, рисунок 7-32, уплотнительные кольца форсунок смазать моторным маслом (масло моторное согласно действующему «Кодификатору основных и вспомо-гательных материалов, применяемых при ТО и ремонте автомобилей LADA» К 3100.25100.00018).
Установить рампу 2 с форсунками в сборе на двигатель. Завернуть и затянуть болты 1.Момент затяжки болтов 9…14 Н.м (0,9…1,4 кгс.м) (ключ 5 для внутреннего шестигранника, насадка для внутреннего шестигранника, ключ моментный).
Присоединить колодки жгута 1, рисунок 7-31, проводов к топливным форсункам 2 и за-крепить жгут двумя новыми хомутами 3 к рампе форсунок (для автомобилей с двигателем21129).
Присоединить трубку 1, рисунок 7-30, переднюю топливного трубопровода к штуцеру рампы 2. При установке наконечник трубки присоединить к штуцеру до
щелчка пружинного фиксатора. После установки проверить надежность фиксации трубки.
Для автомобилей с двигателем 21129: присоединить скобу 3 крепления топливного трубопровода к рампе форсунок.
Установить модуль впуска в сборе на головку цилиндров в соответствии с требованиями раздела 7.6 настоящей технологической инструкции
Присоединить колодку 3, рисунок 7-3, жгута проводов заднего к МЭБН 1.Установить крышку 1, рисунок 7-2, люка бензонасоса.
Опустить подушку заднего сиденья.
Присоединить клемму провода «массы» к аккумуляторной батарее в соответствии с тре-бованиями ТИ 3100.25100.20587.
Предъявить автомобиль ОТК. ОТК проверить автомобиль на соответствие требованиям ТУ 017200-254-00232934 пп. 1.19.10, 1.19.14, 1.19.21.3 в объеме выполненных работ.
Видео по теме «Lada Vesta. Рампа форсунок двигателя (снятие и установка)»
снятие форсунок на приоре (лада2170, ваз 2112)
Веста заменили 1.8 топливная рампа, заменили у дилера, результат
Как снять и помыть форсунки на шестнадцати клапанном двигателе ВАЗ 2110.Чистка инжектора
Заводской фильтр Лада Веста
Отличительной особенностью автомобиля является совмещенность в топливном модуле деталей 2 очисток: грубой и тонкой. Грубая очистка это сеточка, которую можно менять. Тонкая очистка это бумажный фильтрующий элемент встроенный в модуль — соответственно заменитб его можно только с бензонасосом. Вместо отдельных фильтров на этой модели установлен топливный модуль. Ранее на машинах ставился 1 небольшой и дешевый фильтрующий элемент тонкой очистки, который стоял снизу возле бензобака. Сетка стояла под сидееьем в блоке топлива На Весте деталь совмещает фильтры грубой и тонкой очистки топлива и электробензонасос. Поэтому замена одного отдельного сломавшегося элемента, затруднена. Обычно специалисты производят замену всего узла целиком, что существенно повышает стоимость операции.
Характеристики детали — Заводской модуль Лада Веста это электробензонасос турбинного типа с бессливной топливной рампой. Форсунки, осуществляющие подачу топлива, расположены во впускной трубе. Срок службы узла выше, чем у более старых комплектаций автомобилей этой марки, но в условиях российских реалий его замена требуется примерно каждые 180 тысяч километров пробега. На заводе правда говорят что рассчитан он на всю службу автомобиля
Vesta и резинки от Соляриса
Начиная
изучать систематические поломки, которые время от времени появлялись у
владельцев модели, почти сразу стало понятно, что чуда не произошло – слабых
мест у Весты хватает. В первую очередь хочется поговорить о резинотехнических
изделиях, которые изнашиваются, рвутся, царапают и нарушают тишину настолько
активно, что пришлось выделить под эту тему целый раздел.
Кратко о качестве резины совсем ещё нового автомобиля
Штатные щетки
стеклоочистителей рекомендуют менять на что-то более кошерное сразу после
покупки нового авто, иначе в дождливую погоду придётся смотреть на дорогу
сквозь дугообразные полоски. Мелочи, конечно, особенно, если учесть, что
нормальные резинки можно купить по 150 руб за штуку, но, как Вы уже догадались,
это только начало. Беспокоят владельцев Vesta и уплотнители боковых стёкол,
которые по мере опускания и поднимания покрываются россыпью «вечных» царапин и
для того, чтобы подобное не происходило столь интенсивно, места трения
приходится частенько чистить от пыли и грязи и для надежности смазывать всеми
любимой «сороковкой» (WD-40).
Что-то похожее мы уже видели у подержанного Kia Ceed JD.
И,
конечно, звуки. Пусть для Lada
Vesta
это далеко не
единственный источник шума, но всё же именно втулки стабилизатора начинают
скрипеть раньше, чем что-либо, так как происходит это на самых первых сроках
жизни полуотечественной красотки. Смазывать и менять на оригинал бесполезно.
Лучшее что, можно сделать – преступить в верности Автовазу и поставить резинки
главных конкурентов, с которыми Vesta так кровожадно «воевала» на рекламных плакатах – братья
Hyundai
Solaris
и Kia Rio. Кто-то пристраивает детали от Kia Soul и в бою за тишину это тоже работает.
Втулки порой приходится менять каждые 30 000 км, либо наконец подогнать резинки от конкурента по имени Solaris
На что-то
импортное порой приходится менять и задние сайлентблоки передних рычагов,
резина которых привыкла не трескаться и рваться, а сразу отслаиваться от
обоймы. Причем, нестабильность качества привела к тому, что у кого-то подобное
происходит уже через 50 ткм, а кто-то проезжает без замены солидные 100 тысяч.
На свалку возле гаражей также улетают трубки вакуумного усилителя тормозов и системы изменения длины впускного коллектора. Понять о случившемся в первом случае поможет «шипение» из-под капота, во втором – плавающие обороты и плохой пуск.
Этот шланг уже сдался, нарушив работу мотора
Заканчивая тему тотальной профнепригодности, используемой в Lada Vesta резины, нельзя пройти мимо системы отвода отработавших газов, то бишь глушитель, который спустя первый год эксплуатации на пару сантиметров «сползает» вниз, навевая автолюбителям ностальгические чувства по тем временам, когда трубу подвешивали на воздушный фильтр. При этом старый элемент идеально заменял провисшие резинки навсегда, но у Vesta, увы, круглых фильтров нет и придётся либо надёжно «колхозить» другим способом, либо просто каждый год патриотично ставить оригинал
При этом особое внимание стоит уделить состоянию промежуточной гофры, которая стала одним из лидеров по замене на ранних пробегах авто:
Разодранная гофра
Причины возможных неисправностей
Недостаточное давление омывателя
Если форсунка омывателя Лада Веста не работает должным образом, то одной из основных причин может быть недостаточное давление омывателя. Как правило, это происходит из-за засорения фильтра. Убедитесь, что фильтр чист, иначе замените его на новый. Кроме того, недостаточное давление может быть связано с низким уровнем жидкости в бачке омывателя. Проверьте уровень жидкости и долейте, если необходимо.
Неравномерное распределение жидкости
Если на стекло попадает жидкость неравномерно, то можно предположить, что одна или несколько форсунок омывателя засорены. Обычно это происходит из-за того, что в бачке хранились неправильные жидкости, которые образовали отложения в системе омывателя. Для решения этой проблемы рекомендуется ополоснуть систему омывателя с помощью специализированного растворителя и заменить неправильную жидкость на правильную.
Повреждение форсунки
Иногда форсунки омывателя могут повреждаться из-за механических к задач или из-за низкого качества материала, из которого они изготовлены. Если форсунка повреждена, то для её замены требуется обращаться к специалистам сервисного центра, где Вам предложат аналогичные запчасти высокого качества и выполнить все необходимые работы по их замене.
Основные проблемы проводки форсунок Лада Веста
Проводка форсунок является одной из ключевых систем в автомобиле Лада Веста. В этой системе происходит подача топлива в двигатель для его работы. Однако, проводка форсунок может подвергаться различным проблемам, которые могут привести к неправильной работе двигателя или поломке автомобиля в целом.
Основные проблемы проводки форсунок Лада Веста:
- Коррозия проводов. Из-за воздействия влаги, соли или других агрессивных веществ провода могут окисляться и возникать коррозия. Это может привести к потере контакта или полному обрыву проводов, что приведет к поломке системы подачи топлива.
- Механические повреждения проводов. Провода проводки форсунок могут быть повреждены при монтаже или ремонте других систем автомобиля. Это может привести к обрыву проводов или потери изоляции, что повлечет за собой возникновение короткого замыкания или неправильную работу форсунок.
- Износ контактов. Постоянное подключение и отключение проводов, а также вибрация и воздействие температурных изменений могут привести к износу контактов разъемов провода. Это может привести к потере контакта или плохому качеству контакта, что приведет к неправильной работе форсунок и ухудшению работы двигателя.
- Ошибка в подключении проводов. В процессе монтажа или ремонта автомобиля могут быть допущены ошибки при подключении проводов форсунок. Это может привести к перекрестному подключению проводов или неправильному подключению к соответствующим контактам системы. В таком случае, форсунки могут работать неправильно или вообще не работать.
Важно отметить:
При возникновении проблем с проводкой форсунок Лада Веста рекомендуется обратиться к специалисту для диагностики и решения проблемы.
Важно своевременно проводить техническое обслуживание автомобиля и проверку проводки форсунок, чтобы выявить проблемы на ранних стадиях и избежать серьезных поломок.
Некорректная работа форсунок может привести к ухудшению экономичности двигателя, увеличению расхода топлива и некачественной работе всей системы подачи топлива.
Основные проблемы проводки форсунок Лада Веста
Проблема
Причина
Решение
Коррозия проводов
Воздействие влаги, соли или агрессивных веществ
Замена поврежденных проводов или очистка от окислов
Механические повреждения проводов
Неправильный монтаж или ремонт других систем автомобиля
Замена поврежденных проводов или устранение повреждений
Износ контактов
Постоянное подключение и отключение проводов, вибрация, воздействие температуры
Замена изношенных контактов или разъемов провода
Ошибка в подключении проводов
Неправильный монтаж или ремонт автомобиля
Проверка правильности подключения проводов и исправление ошибок
Немного про форсунки ВАЗ-2110, их взаимозаменяемость и промывку топливной системы
Форсунки для автомобилей марки ВАЗ-2110 производятся несколькими производителями. Стоковая комплектация автомобилей оснащается изделиями от Bosch, также свой аналог для «десятки» предлагает Siemens
Если вы решили именно заменить изделие и не заморачиваться с его очисткой — обязательно обратите внимание на производительность новой форсунки и ее взаимозаменяемость для конкретного двигателя.
Покупаются форсунки поштучно. За одну штуку придется отдать примерно от 1000 до 1500 рублей в зависимости от ее типа, производителя и региона нашей страны. По причине весьма приличной цены часто изделие не меняется, а чистится. Сегодня всю топливную систему инжектора ВАЗ-2110 можно промыть даже без ее демонтажа на специальном стенде в автосервисе.
За процедуру комплексной очистки в автосервисе ВАЗ с вас попросят что-то около 1600-2000 рублей. В дополнение к этому необходимо будет заменить масло в двигателе и свечи (допускается работа на старых свечах). Общая калькуляция расходов будет соизмерима с покупкой новых форсунок. Потому рассуждать о том, что выгоднее и лучше — весьма спорно. С одной стороны, чистится полностью весь инжектор топливной системы ВАЗ, но кто гарантирует, что промытые форсунки будут работать как новые?
Если вы решили изначально попробовать промыть форсунки — делается это весьма просто. Снятое с топливной рампы изделие подключается к аккумулятору для открывания электромагнитного клапана. Далее самым обычным медицинским шприцем в форсунку впрыскивается жидкость для очистки карбюратора. Процесс весьма простой и нетривиальный. Как же все таки снять форсунки с ВАЗовской «десятки» мы рассмотрим в следующем разделе данной статьи.
Демонтаж старых форсунок ВАЗ-2110 из-под капота автомобиля
Мы действительно в большей или меньшей мере уже рассмотрели все, что касается самих форсунок ВАЗ 2110 и проблем с ними. Осталось только понять, как же их снять с двигателя для дальнейшей замены или очистки. Инструкция достаточно простая, а сам процесс займет у вас не более получаса.
Для начала давайте сбросим давление в топливной системе, дабы не забрызгать бензином все подкапотное пространство в процессе демонтажа форсунок, для чего:
- снимаем заднее сидение автомобиля, открываем крышку бензонасоса и отключаем его электрические контакты;
- теперь садимся за руль автомобиля и пытаемся завести двигатель на остаточном давлении;
- процедуру повторяем пока машина полностью не заглохнет. Это значит, что в топливной системе больше не осталось остаточного давления и можно смело ее разбирать.
Теперь можно перейти к процессу демонтажа топливной рампы, предварительно откинув отрицательную клемму аккумуляторной батареи. Отключаем полностью все питающие системы, подключенные к рампе, и извлекаем ее из под капота авто. Топливная рампа с четырьмя форсунками крепится к двигателю двумя болтами под шестигранный ключ.
Обратите внимание, что все резиновые прокладки для топливной системы ВАЗ являются одноразовыми и требую обязательной замены после каждой процедуры ремонта. Благо, стоят они копейки и покупаются в любом автомобильном магазине. Это же касается непосредственно и прокладок для самих форсунок ВАЗ 2110, если вы решили, все-же, их чистить, а не менять.
Это же касается непосредственно и прокладок для самих форсунок ВАЗ 2110, если вы решили, все-же, их чистить, а не менять.
Теперь отсоединяем форсунки непосредственно от топливной рампы. Сняв специальную фиксирующую скобу, они с легкостью извлекаются из посадочного места и точно также заменяются на новые. Процесс обратной сборки не отличается особой сложностью и выполняется в обратной последовательности. После окончания работ не забудьте также вернуть электрическое подключение топливного насоса и можно снова отправляться в путь.
Источники
- http://vestaxray.ru/model/lada-vesta/dvigatel-hr-16-de.html
- http://vashalada.ru/mashiny/vaz-2110/ochistka-forsunok-vaz-2110.html
Достоинства и недостатки HR16DE
Рассматриваемый двигатель знаком российскому потребителю не первый год. По результатам множества тест-драйвов, проведённых на укомплектованных этим мотором автомобилях, в реальных условиях российских дорог можно уверенно перечислить достоинства и проблемы этого силового агрегата.
Достоинства
- Надёжность двигателя независимо от режима эксплуатации.
- Умеренные требования к потребляемому бензину (Аи-92 и выше).
- Экономичность.
- Экологичность (Euro 4, Euro 5).
- Приёмистость двигателя (уверенная работа на низких оборотах без включения пониженной передачи).
- Возможность тюнинга, от лёгкого путём перепрошивки программного обеспечения ДВС до глубокого с заменой форсунок и установкой турбины.
Недостатки HR16DE
- Отсутствие гидрокомпенсаторов (необходимость периодической регулировки клапанов путём замены толкателей, цена которых не радует).
- Относительно высокая стоимость цепей привода ГРМ и масляного насоса.
- Модульная конструкция топливного насоса в бензобаке (в комплекте с фильтром, датчиками давления и уровня) — выход из строя одной комплектующей чреват заменой всего узла.
Неисправность проводки форсунок
Неисправность проводки форсунок является одной из самых распространенных проблем, с которыми сталкиваются владельцы Лада Веста. Если форсунки не работают должным образом, это может привести к неправильной подаче топлива, что в свою очередь может вызвать проблемы с запуском двигателя, плохим расходом топлива и повышенным выбросом вредных веществ. В этом разделе мы рассмотрим основные неисправности проводки форсунок и возможные способы их устранения.
1. Обрыв провода
Один из наиболее распространенных дефектов проводки форсунок — обрыв провода. Это может произойти из-за старения проводки, повреждения изоляции или неправильной установки. При обрыве провода, сигнал от управляющего блока двигателем не может достигнуть форсунки, что приводит к ее неработоспособности. Для решения этой проблемы необходимо провести осмотр проводки, обнаружить место обрыва и заменить поврежденный участок.
2. Загрязнение контактов
Еще одна распространенная проблема — загрязнение контактов проводки форсунок. При накоплении грязи и окислов на контактах может возникать плохой контакт или сопротивление, что приводит к неработоспособности форсунки. Для решения этой проблемы рекомендуется регулярно очищать контакты проводки и устранять загрязнения.
3. Повреждение разъемов
Еще одной возможной причиной неисправности проводки форсунок является повреждение разъемов. При несоответствии или неправильной установке разъемов, сигнал от управляющего блока двигателем может искажаться или не доходить до форсунки. Для устранения этой проблемы рекомендуется проверить состояние и правильность установки разъемов, а при необходимости заменить их.
4. Нарушение целостности проводки
Нарушение целостности проводки — еще одна причина неисправности форсунок. Это может произойти при повреждении проводки в результате неправильной установки или при небрежном обращении. При нарушении целостности проводки может произойти замыкание или кратковременное размыкание, что приведет к неработоспособности форсунки. Для решения этой проблемы рекомендуется провести осмотр проводки и заменить поврежденные участки.
5. Проблемы с управляющим блоком двигателем
В редких случаях, неисправность проводки форсунок может быть связана с проблемами управляющего блока двигателем. В таком случае, необходимо провести компьютерную диагностику и проверить работу блока на наличие ошибок. Если обнаружены неисправности в работе управляющего блока, рекомендуется обратиться к специалисту для профессионального ремонта или замены блока.
Заключение
Неисправность проводки форсунок — серьезная проблема, которая может негативно сказаться на работе двигателя и эксплуатационных характеристиках автомобиля. При возникновении подозрений в неисправности проводки форсунок, рекомендуется обратиться к специалисту для проведения диагностики и устранения проблемы. Раннее обнаружение и решение проблемы поможет избежать более серьезных последствий и повысить надежность работы форсунок.
Схемы отдельных блоков ВАЗ-2180
Схема соединений переднего жгута проводов

1 – блок-фара правая; 2 – противотуманная фара (ПТФ) правая; 3 – звуковой сигнал; 4 – электровентилятор системы охлаждения двигателя; 5 – звуковой сигнал тревожной сигнализации; 6 – датчик давления системы кондиционирования; 7 – блок управления электровентилятором системы охлаждения; 8 – противотуманная фара (ПТФ) левая; 9 – блок-фара левая; 10 – соединение проводов; 11 – датчик температуры наружного воздуха; 12 – соединительная колодка; 13 – датчик скорости правого переднего колеса; 14 – электронный блок управления двигателем; 15 – блок управления АБС; 16 – клапан продувки адсорбера; 17 – выключатель охранной сигнализации; 18 – датчик скорости левого переднего колеса; 19 – мотор-редуктор переднего стеклоочистителя; 20 – насос стеклоомывателя; 21, 25 и 27 – соединительная колодка для подключения к жгуту проводов панели приборов; 22 – датчик уровня тормозной жидкости; 23 – соединительная колодка для подключения к жгуту ЭСУД; 24 – блок предохранителей и реле в моторном отсеке; 26 – элемент обогрева ветрового стекла.
Схема соединения заднего дополнительного жгута проводов

1 – наружная секция заднего левого фонаря; 2 – внутренняя секция заднего левого фонаря; 3 – внутренняя секция заднего правого фонаря; 4 – наружная секция заднего правого фонаря; 5 – соединения проводов; 6 – замок багажника; 7 – плафон освещения номерного знака; 8 – обогрев заднего стекла; 9 – плафон освещения багажника; 10 – дополнительный стоп-сигнал; 11 – камера заднего вида; 12 – блок управления парктроником; 13 – колодка для подключения к жгуту заднего бампера; 14 и 15 – колодка для подключения к заднему жгуту.
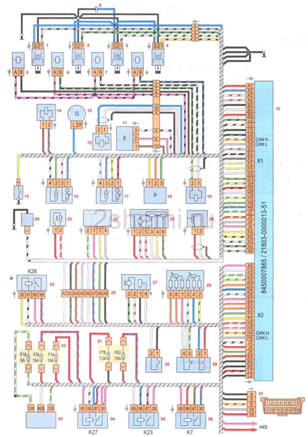
Схема системы управления двигателем

1 – катушка зажигания первого цилиндра; 2 – катушка зажигания второго цилиндра; 3 – катушка зажигания третьего цилиндра; 4 – катушка зажигания четвертого цилиндра; 5 – форсунка первого цилиндра; 6 – форсунка второго цилиндра; 7 – форсунка третьего цилиндра; 8 – форсунка четвертого цилиндра; 9 – конденсатор; 10 – электронный блок управления двигателем; 11 – датчик положения распределительного вала; 12 – датчик детонации (ДД); 13 – генератор; 14 – электромагнитный клапан системы впуска воздуха; 15 – датчик аварийного давления масла; 16 – датчик концентрации кислорода (ДК диагностический); 17 – датчик концентрации кислорода (ДК управляющий); 18 – датчик давления компрессора кондиционера; 19 – клапан продувки адсорбера; 20 – датчик положения коленчатого вала (ДПКВ); 21 – дроссельный узел (ДУ); 22 – датчик массового расхода воздуха (ДМРВ); 23 – датчик температуры охлаждающей жидкости (ДТОЖ); 24 – муфта компрессора кондиционера; 25 – реле муфты компрессора кондиционера (К28); 26 – соединительная колодка; 27 – топливный модуль (бензонасос); 28 – электронная педаль газа; 29 – датчик положения педали тормоза; 30 – датчик положения педали сцепления; 31 – блок предохранителей и реле в моторном отсеке; 32 – монтажный блок в салоне; 33 – блок управления электрооборудованием; 34 – главное реле системы управления двигателем (К27); 35 – реле стартера (К23); 36 – реле топливного насоса (К7); 37 – колодка диагностического разъема.
Схема соединений жгута проводов передней левой двери

1 – замок двери; 2 – плафон подсветки порога; 3 – мотор-редуктор стеклоподъемника; 4 – блок управления стеклоподъемниками, приводом зеркал и центральным замком; 5 – соединения проводов; 6 – динамик Lada Vesta; 7 – высокочастотный динамик (твитер); 8 – боковое зеркало; 9 – колодка для подключения к колодке заднего жгута проводов.
Схема соединений жгута проводов передней правой двери

1 – замок двери; 2 – плафон подсветки порога; 3 – мотор-редуктор стеклоподъемника; 4 – колодка для подключения к колодке заднего жгута проводов; 5 – высокочастотный динамик (твитер); 6 – динамик; 7 – боковое зеркало; 8 – кнопка стеклоподъемника.
Схема соединений жгута проводов задней двери

1 – колодка для подключения к колодке заднего жгута проводов; 2 – мотор-редуктор стеклоподъемника; 3 – соединение проводов; 4 – кнопка стеклоподъемника; 5 – замок двери; 6 – динамик.
Схема электровентилятора системы охлаждения двигателя

1 – электровентилятор; 2 – блок предохранителей и реле в моторном отсеке; 3 – электронный блок управления двигателем; 4 – блок управления электровентилятором.
Схема заряда аккумуляторной батареи

1 – аккумулятор; 2 – монтажный блок в монтажном отсеке; 3 – генератор; 4 – электронный блок управления двигателем.
Схема системы запуска двигателя

1 – аккумулятор; 2 – монтажный блок в моторном отсеке; 3 – замок зажигания; 4 – блок предохранителей в салоне; 5 – стартер; 6 – реле стартера (К23); 7 – блок управления электрооборудованием.






























