Поломки системы
По каким причинам происходят сбои в работе устройства:
Поломки коммутатора, который либо ломается, либо очень греется. Такая поломка считается «болезнью» для данных машин, об этом пишут водители в своих отзывах. Из-за перегрева перестает подаваться искра, а это приводит к тому, что мотор завести не получается. Только когда коммутатор остынет, мотор можно будет завести.
Пробивающиеся высоковольтники. В том случае, если кабель плохо установленный в крышке, силовой агрегат может функционировать некорректно. Если осмотреть ДВС в темноте, можно увидеть пробивающий кабель за счет появления искр.
Проблемы в функционировании прерывателя-распределителя, в частности, речь идет о подгорании его крышки. Следует отметить, что этот компонент конструкции иногда подгорает в том месте, где установлен уголь с пружиной
При проверке желательно обратить внимание состояние крышки 0 любые трещины и повреждения должны отсутствовать.
Еще одной проблемой является подгорание контактов бегунка на трамблере.
Проблемы в работе диафрагмы на вакуумном регуляторе — она может пропускать. Из-за этого мощность двигателя будет снижена, а если вы нажмете резко на газ, то машина как бы начнет «захлебываться».
Перегревается непосредственно катушки
Такой тип поломки, как правило, свидетельствует о неработоспособностью катушки, иногда это может быть связано с коммутатором.
Выход из строя свечей.

1.5 Технологический процесс сборки
Учитывая значительную производственную программу 4800 двигателей в год и
малой трудоёмкости рационально проводить сборку на универсальном посту. В
условиях такой организации работы на посту выполняется ремонт одного узла или
совокупность заранее определенных технологических операций. Применение
специализированных постов позволяет повышать производительность труда, снизить
требования к уровню квалификации рабочих и уменьшить за счёт этого стоимость
ремонта. Так как при сборке агрегата используются регулировочные работы, по
установке зазора в контактах прерывателя, сборка производится методом
регулирования.
1.4 Технические условия на сборку прерывателя-распределителя Р-133
Все трущиеся поверхности перед сборкой должны быть смазаны смазкой
ЦИАТИМ-201 (ГОСТ 6267-59).
Грузики центробежного регулятора должны свободно проворачиваться на своих
осях. На оси и кронштейны пружин грузиков центробежного регулятора должны быть
надеты две пружины. Характеристики пружин приведены в таблице 1.1.
Таблица 1.1
Характеристики пружин
|
Диаметр, мм |
Длина пружин с усиками, мм |
Шаг витка, мм |
Число витков |
Нагрузка для растяжения на 4 мм, г |
|
|
Пружины |
Проволоки |
||||
|
5…5,2 |
0,4 |
16…17 |
0,4 |
15 |
90…100 |
|
6…6,2 |
0,7 |
20…21 |
1 |
8 |
700…900 |
Биение шейки валика под втулку кулачка относительно шейки под втулку в
корпусе не должно превышать 0,03 мм.
Перед завёртыванием винта крепления втулки кулачка резьба должна быть
смазана натуральной олифой (ГОСТ 7931-56). Под головку винта должна быть
положена пружинная шайба. Продольный люфт втулки не должен превышать 0,75…1,0
мм.
Вращение шарикового подшипника должно быть свободным, без заеданий. Люфт
наружной обоймы относительно внутренней допускается не более 0,05мм. Шариковый
подшипник должен быть заполнен смазкой ЦИАТИМ-201.
Фильц должен быть изготовлен из фетра и пропитан машинным маслом.
Количество смазки в фильце должно быть в пределах ~ 0,18…0,22 г.
Ось рычага прерывателя-распределителя не должна иметь качки в месте
крепления к пластине. Рычаг прерывателя-распределителя не должен иметь качки на
оси. Подбором текстолитовых шайб должно быть обеспечено совпадение осей
контактов с точность до 0,25 мм.
Контакты прерывателя должны иметь гладкие шлифованные поверхности,
параллельные между собой. Толщина слоя вольфрама контактов должна быть не менее
0,5 мм.
Длина гибкого проводника «на массу» должна обеспечивать свободный ход
пластины без натяжения. Длина проводника должна составлять 93…97 мм (расстояние
между центрами отверстий наконечников).
В кольцевую канавку крышки распределителя должна быть установлена на клею
пробковая прокладка.
Конденсатор должен иметь ёмкость 0,15…25 мкФ. Допускаются незначительные
вмятины корпуса конденсатора, не вызывающие нарушения герметичности и
повреждения диэлектрика.
Штуцер вакуумного регулятора должен быть плотно затянут, и иметь
уплотнительную шайбу.
Валик прерывателя-распределителя должен свободно вращаться во втулках
корпуса. Перед установкой в корпус валик должен быть смазан консистентной
смазкой ЦИАТИМ-201. Этой же смазкой должна быть заполнена маслёнка
прерывателя-распределителя.
Соединительный проводник одним концом должен быть соединён с
изолированной пластиной прерывателя-распределителя, а другим — с выводной
изолированной клеммой на корпусе.
Таблица 1.2
Технические условия на сборку
|
№ детали |
Наименование сопряженных деталей |
Размеры |
Зазоры-натяги в сопряжениях, Нм |
||
|
Номинальный |
Допустимый |
Номинальный |
Допустимый |
||
|
Р133-3706101-В |
Корпус прерывателя-распределителя — диаметр под втулку |
15,9-0,030 |
15,93 |
-200_-0,090 |
-200_-0,020 |
|
I-ИГ-579-А |
Втулка валика наружный диаметр |
+0, 070 16 -0, 050 |
-200_-0,050 |
-200_-0,020 |
|
|
I-ИГ-579-А |
Втулка валика внутренний диаметр |
+0, 012 12,7 -0, 006 |
12,73 |
||
|
Р4-3706210 |
Валик прерывателя-распределителя диаметр шейки под втулку |
||||
|
Р4-3706230-В |
Втулка кулачка прерывателя-распределителя внутренний |
8-0,022 |
+0,003 +0,037 |
+0,003 +0,050 |
|
|
Р4-3706211 |
Валик прерывателя диаметр под втулку кулочка прерывателя |
-0, 030 8 -0, 015 |
7,98 |
+0,003 +0,037 |
+0,003 +0,050 |
.9 Выбор организационной формы сборки
В машиностроении применяют следующие организационные формы сборки машин:
стационарную, осуществляемую без пооперационного расчленения сборочного
процесса и при неподвижном собираемом объекте, и поточную, характеризующуюся
расчленением технологического процесса на операции и осуществляемую как при
неподвижном собираемом объекте, так и с его перемещением. Выбор организационной
формы сборки обусловлен главным образом количеством собираемых машин.
В автомобильной и тракторной промышленности узловая и общая сборка
осуществляется поточным методом с перемещением собираемого объекта (сборка на
конвейере). Собираемый объект при поточной сборке передается от одного
сборочного места к другому при помощи транспортирующих устройств, которые
предназначены только для межоперационного перемещения объекта. В некоторых
случаях при узловой сборке передача объекта от одного сборочного места к
другому осуществляется посредством рольганга.
Для организации сборочного процесса возможны формы без пооперационного
расчленения сборочного процесса (стационарная сборка) и с расчленением сборочного
процесса на операции(поточная сборка).
Вопрос о выборе той или иной формы сборки решается после определения
требуемого количества рабочих мест:
Хрм = N x Tc / (Фрм х У х М),
где Tc — трудоемкость сборки принимается согласно нормативам
или расчетам (принимаем Tc = 0,5 ч/ч на 1 изделие);- годовая
производственная программа сборки изделий в год.ед;
Фрм — годовой фонд времени рабочего места;
У — число смен;- число работающих на одном месте;
Хрм = = 9,5 (ед.).
При Хрм > 2 принимаем поточный метод производства со
специализацией исполнителей по видам работ.
Корпус — прерывателя-распределитель
Корпус прерывателя-распределителя закрыт карболитовой крышкой 5, имеющей высоковольтные выводы к свечам по числу цилиндров двигателя, и в центре ввод для крепления провода высокого напряжения от катушки зажигания. Через контактный уголек 8 и пластину ротора ток высокого напряжения подается к свечам в соответствии с порядком работы цилиндров двигателя Между контактной пластиной на роторе и боковыми электродами в крышке распределителя имеется зазор 0 25 — 0 8 мм.
Снимают корпус прерывателя-распределителя и ротор.
К корпусу прерывателя-распределителя прикреплен вакуумный регулятор 32 опережения зажигания.
В корпусе прерывателя-распределителя неподвижно установлена опорная пластина 2 прерывателя, в которой закреплена наружная обойма шарикоподшипника. На внутреннюю обойму подшипника напрессована пластина, на которой смонтированы прерыватель и устройство для регулирования зазора между контактами прерывателя. Контакты выполнены из вольфрама, Пластина может поворачиваться вокруг оси кулачка при перемещении тяги вакуумного регулятора 11, Мягким канатиком пластина электрически связана с корпусом прерывателя-распределителя для предохранения шарикоподшипника от прохождения через него тока на массу. На пластине установлен фильц 16 для смазывания кулачка.
Осторожно провернуть корпус прерывателя-распределителя до момента размыкания контактов прерывателя ( до зажигания контрольной лампы) и затянуть гайку крепления его корпуса. При этом ротор распределителя для выборки зазоров необходимо прижать в сторону, противоположную направлению его вращения.
. После этого корпус прерывателя-распределителя поворачивают в обратную сторону до положения, соответствующего началу размыкания контактов ( о чем сигнализирует загоревшаяся контрольная лампа), и в этом положении закрепляют.
После этого корпус прерывателя-распределителя поворачивают в обратную сторону до положения, соответствующего началу размыкания контактов ( о чем сигнализирует загоревшаяся контрольная лампа), и в этом положении закрепляют.
Осторожно поворачивая корпус прерывателя-распределителя против часовой стрелки, установить контакты прерывателя на начало размыкания. Момент размыкания можно определить по зажиганию контрольной лампы, присоединенной параллельно контактам, или по проскакиванию искры между концом провода, идущего от центрального зажима катушки зажигания, и массой.
|
Установка поршня первого цилиндра двигателя ЗИЛ-130 в верхнюю мертвую точку. |
Осторожно поворачивая корпус прерывателя-распределителя против часовой стрелки, установить контакты прерывателя на начало размыкания. Момент замыкания можно определить по зажиганию контрольной лампы, присоединенной параллельно контактам прерывателя, или по проскакиванию искры между концом провода, идущего от центрального зажима катушки зажигания, и массой.
. Конденсаторы, устанавливаемые внутри корпуса прерывателя-распределителя, имеют меньшие размеры и обладают свойством самовосстановления при пробое
Они изготовлены из конденсаторной бумаги, на которую наносится тонкий слой сплава олова и цинка.
Конденсаторы, устанавливаемые внутри корпуса прерывателя-распределителя, имеют меньшие размеры и обладают свойством самовосстановления при пробое. Они изготовлены из конденсаторной бумаги, на которую наносится тонкий слой сплава олова и цинка.
|
Прерыватель-распределитель Р4 — В, устанавливаемый на автобусах ЛАЗ-695Е и ЛАЗ-697Е. |
Конденсатор 22 установлен внутри корпуса прерывателя-распределителя.
Включив зажигание, осторожно поворачивают корпус прерывателя-распределителя по часовой стрелке до момента загорания лампы.
Теперь остается немногое: удерживая корпус прерывателя-распределителя от проворачивания, затянуть болт хомута крепления корпуса, поставить крышку и центральный провод на место. После этого проверить момент установки зажигания, проворачивая заводной рукояткой коленчатый вал двигателя, и убедиться, что провода от свечей соединены с крышкой прерывателя-распределителя правильно — в порядке работы двигателя ( 1 — 2 — 4 — 3), считая их против часовой стрелки.
|
Стандартный прерыватель-распределитель с установленным в нем фотодиодным датчиком. |
1.12 Определение состава последовательности операций сборки
Запрессовать бронзовые втулки (3) в корпус прерывателя-распределителя
(4). Вставить в корпус валик (1) в сборе с центробежным регулятором (5), и
закрепить вал с муфтой (2) при помощи штифта (9). Установить в корпус
прерывателя-распределителя подвижный и неподвижный диски в сборе с подшипником.
Прикрутить к корпусу конденсатор, подсоединив провод. Подсоединить провод
массы. Закрепить винты крепления дисков. Вставить в корпус винт-клемму с
наружным изолятором, вставить внутренний изолятор и закрутить гайку.
Установить вакуумный регулятор, установить тягу к оси подвижного диска,
подсоединить один конец провода массы и завинтить винты крепления оси.
Закрутить винты вакуумного регулятора.
Установить ротор (6), соединив установочные пазы на валике и роторе.
Установить крышку распределителя (7), застегнув двумя пружинными защёлками
(10). Установить пластины октан-корректора (8) с регулировочными гайками,
затянув их к корпусу болтом.
2.
Конструкторский раздел
2.1 Расчет потребного количества оборудования
Таблица 2.1
Оборудование
|
Наименование |
Модель, тип |
Габариты |
|
Прибор для проверки прерывателей-распределителей |
Э 213 |
260 × 150 |
|
Прибор для проверки конденсаторов |
РК-3 |
|
|
Верстачный пресс, реечный, усилие до 1т |
KR-8005А |
800 × 600 |
|
Диагностический стенд |
270 × 600 |
Таблица 2.2
Приспособления
|
Наименование |
Модель, тип |
Габариты |
Площадь, м2 |
|
Верстак электромонтажный |
КО-389А |
1800 × 700 |
1,26 |
|
Верстак электромонтажный |
101910200 |
1200 × 500 |
0,6 |
|
Стеллаж для деталей |
ИП-58 |
2600 × 600 |
1,56 |
|
Тумбочка для инструмента |
КО-379 |
830 × 560 |
0,46 |
|
Ванна для мойки деталей |
2031 |
648 × 520 |
0,34 |
|
Ларь для обтирочных материалов |
2249 |
600 × 280 |
0,16 |
Технологический процесс сборки прерывателя-распределителя Р-133 двигателя внутреннего сгорания автомобиля ЗИЛ-130
Оглавление
Введение
. Технологический раздел
.1 Обоснование размера
производственной партии
.2 Разработка
технологического процесса
.3 Характеристика собираемого
изделия
.4 Технические условия на
сборку прерывателя-распределителя Р-133
.5 Технологический процесс
сборки
.6 Определение способов
подбора деталей при комплектовании соединений и сборочных единиц
.7 Технологические инструкции
.8 Схема технологического
процесса сборки прерывателя-распределителя Р-133
.9 Выбор организационной
формы сборки
.10 Метод организации
производства на объекте проектирования
.11 Определение норм времени
.12 Определение состава
последовательности операций сборки
. Конструкторский раздел
.1 Расчет потребного
количества оборудования
.2 Расчёт числа работающих
.2.1 Расчёт норм трудоёмкости
.2.2 Расчёт годового объёма
работ
.2.3 Определение количества
явочных и списочных рабочих
.3 Расчёт производственных
площадей и планировки участка
Заключение
Список использованной
литературы
Введение
Автомобильный транспорт имеет большое значение в общей транспортной
системе РФ, на его долю приходится свыше 2/3 всех грузовых перевозок в народном
хозяйстве.
Транспорт важнейший элемент инфраструктуры, под который понимают отрасли
народного хозяйства, создающие общие его функционирования. Транспорт оказывает
активное влияние на процесс расширенного воспроизводства, величину запасов,
сырья, топлива и промышленной продукции, производственную мощность складов,
т.е. на эффективность функционирования различных отраслей народного хозяйства.
Значение ремонта автомобилей
В процессе эксплуатации автомобиля его надежность и другие свойства
постепенно снижаются вследствие изнашивания деталей, в также коррозии и
усталости материала из которого они изготовлены. В автомобиле появляются
различные неисправности, которые подлежат устранению при ТО и ремонте.
Ремонт автомобилей, как область человеческой деятельности возник с
появлением автомобилестроения. Какой бы совершенной конструкция автомобиля не
была, в процессе эксплуатации обнаруживаются недостатки, которые приходится
исправлять дополнительными усилиями. Только благодаря ремонту возможно
поддерживать автомобиль в технически исправном состоянии.
Теоретически и экспериментально доказано, что с улучшением качества
ремонта ресурс автомобиля увеличивается в большей степени, что стоимость
ремонта, а при этом затраты на последующую эксплуатацию существенно
уменьшается.
Установлено, что наибольший эффект при решении этой проблемы можно
ожидать при систематическом осуществлении комплексных мероприятий с применением
передовых методов управления качеством выпускаемой продукции.
Индустриальный метод капитального ремонта автомобилей отвечают
возрастающим потребностям автопарка. В наиболее сложном виде ремонта под силу
лишь крупным специализированным современным заводам, имеющим современное
оборудование и применяющим передовую технологию. Эффективность капитального
ремонта определяется наличием у большинства деталей остаточных ресурсов
долговечности.
Классификация деталей по срокам службы от начала эксплуатации до момента
возникновения предельного состояния по прочности дает возможность наиболее
полно реализовать остаточную долговечность деталей.
Создание научно-обоснованных технических условий и их соблюдение при
капитальном ремонте дают возможность при наименьших затратах на ремонт и
эксплуатационные издержки получить максимальную наработку агрегатов и
автомобиля после капитального ремонта.
В развитии техники и технологии капитального ремонта большая роль
принадлежит дальнейшему укреплению связей науки и практики. В настоящее время
возникли и развиваются различные формы их взаимодействия.
Цели и задачи курсового проекта
Курсовой проект дает возможность установить степень усвоения учебного
материала, проверить способность студента к самостоятельной творческой работе и
закрепить навыки в выполнении разработки и оформлении технологической
документации и чертежей.
В данном курсовом проекте необходимо разработать рациональный
технологический процесс сборки прерывателя-распределителя Р-133 двигателя
внутреннего сгорания (ДВС) автомобиля ЗИЛ-130, спроектировать структурную схему
сборки а так же выполнить планировку участка.
1.
Технологический раздел
Элементы системы зажигания 3307
Аккумуляторная батарея
В качестве аккумуляторной батареи производителем предусмотрена 6СТ-75, модификации которой имеются у многих отечественных производителей. Данный аккумулятор имеет разность потенциалов между полюсами 12 Вольт, что и определяет напряжение работы бортовой сети.
Шесть последовательно соединенных элементов (банок) по 2 вольта дают суммарное напряжение 12 вольт. Номинальная емкость аккумулятора 75 ампер-часов. Пусковой ток может быть от 640 до 750 Ампер в зависимости от модели.
Стоимость нового аккумулятора зависит от производителя и составляет 3-5 тысяч рублей, б/у можно приобрести гораздо дешевле.
Стартер
Кроме АКБ, в состав системы зажигания входят и другие агрегаты. Непосредственно в появлении первой искры участвуют стартер 230-А1, использующийся в очень большом количестве техники на базе автомобилей ГАЗ.
Замок зажигания
Замок зажигания ГАЗ 3307 предназначен для включения и выключения цепи зажигания, а также других энергетических потребителей. Он имеет четыре положения, пять контактов. Рассчитан на номинальный ток 15 (7,5) ампер и напряжение 12 (24) вольт. Этот замок также применяется на автомобилях КАМАЗ и автобусах ПАЗ.
Катушка зажигания
Для генерации высоковольтного импульса используется катушка зажигания Б114-Б (либо на более новых моделях может использоваться Б116), после чего импульс от катушки распределяется через коммутатор зажиганий ТК102А (либо могут использоваться универсальные 13.3734 или его модификация 13.3734-01).
Катушка зажигания 3307 цилиндрического типа, в более старых системах зажигания применялась модель Б114-Б.
Пример катушки зажигания для газ 3307
В современных системах используется катушка Б116 в различных модификациях (Б116-01, Б116-02, Б116-03). Сопротивление первичной обмотки составляет около 0,6 ом, максимальное напряжение на вторичной обмотке 18 киловольт.
Трамблер
Прерыватель-распределитель для бесконтактной системы ГАЗ 3307 работает с 8-цилиндровым двигателем, чередование искры происходит равномерно через каждые 45 градусов. Трамблер состоит из корпуса, валика (ротора) с центробежным регулятором и магнитом, статора, вакуумного регулятора, бегунка и крышки. Вал приводится в движение от распределительного вала через привод прерывателя-распределителя. Распределение по цилиндрам идет в порядке 1-5-4-2-6-3-7-8.
Коммутатор
Коммутатор призван обеспечивать мощный импульс вне зависимости от оборотов коленчатого вала двигателя, облегчая тем самым воспламенение топливной смеси. На ГАЗ 3307 различается два вида коммутаторов. Модель 13.3734-01 применяется на системах с вариатором, более поздних схемах зажигания без вариатора устанавливается коммутатор 131.3734-11. Коммутаторы не взаимозаменяемы между собой.
Вариатор
Вариатор (или добавочное сопротивление) предназначен ограничивать ток в первичной цепи катушки зажигания на малых оборотах двигателя, этим самым предохраняя катушку от перегрева. При запуске двигателя вариатор шунтируется и не ограничивает силу тока. На больших оборотах сопротивление вариатора уменьшается, и ослабление тока не происходит, что позволяет поддерживать высокое напряжение во вторичной цепи.
Пример установленного вариатора на кузов грузовика
В более современных системах зажигания функции вариатора встроены в коммутатор.
Высоковольтные провода и наконечники
Высоковольтные провода и наконечники служат для передачи высоковольтных импульсов от распределителя к свечам зажигания. При этом не должно быть потерь – элементы не должны иметь пробоев изоляционного слоя. Напряжение, которое должны выдерживать в/в провода и наконечники, находится в пределах 40 тысяч вольт.
Другие элементы
Так же используется резистор СЭ107 или универсальный 14.3729. Для распределения импульса на каждый из цилиндров используется трамблер Р133-Б (или универсальный 24.3706), ну и непосредственно поджигают топливную смесь свечи А11-30. Для поддержания работы двигателя в движении используется генератор Г250-Г2 и для защиты электрооборудования — регулятор напряжения 222.3702.
2.2 Расчёт числа работающих
.2.1
Расчёт норм трудоёмкости
Годовая производственная программа предприятия рассчитывается по
следующей формуле
Тг = t ∙ N, (2.1)
Где Тг — годовой объём работ, чел.-ч;
t — трудоёмкость ремонта, чел.-ч, t = 4,72;- годовая производственная
программа, шт.
Тг = 4,72 ∙ 4800 = 22656 (чел.-ч).
Вычислим производственную программу в приведённых единицах по следующей
формуле
пр = N ∙ Кпр,(2.2)
Где Nпр — приведенная производственная программа, шт;
N — годовая производственная программа;
Кпр — коэффициент приведения, характеризующий
конструктивно-технологические особенности объектов ремонта, Кпр =
1,13;
пр = 4800 ∙ 1,13 = 5424 (шт.).
.2.2
Расчёт годового объёма работ
Тг = Nпр ∙ tм ∙ Км
∙ Ка, (2.3)
Где tм — трудоёмкость по видам работ, чел.-ч, tм =
4,72;
Км — коэффициент механизации, Км = 0,70;
Ка — коэффициент автоматизации, Ка = 0,5;
Тг = 5424 ∙ 4,72 ∙ 0,7 ∙ 0,5 = 8960
(чел.-ч). (2.4)
Рассчитаем годовую трудоёмкость по видам работ по следующему выражению
Твр = Тг ∙ tк, (2.5)
где tк — комплектование, слесарно-подгоночные работы и
селективный подбор tк = 8,4%;
Твр = 8960 ∙ 0,084 = 753 (чел.-ч).
Определим трудоёмкость на сборку одного прерывателя-распределителя по
следующей формуле
Твр = Твр / Nпр, (2.6)
Где Твр — годовая трудоёмкость по видам работ;
Nпр — годовая программа предприятия;
Твр = 753 / 5424 = 0,14 (чел.-ч).
Рассчитаем действительный и номинальный фонды рабочего времени:
номинальный рабочий фонд
Фн = [365 — (104 + dn) ∙ tсм — tc
∙ nп], (2.7)
Где dn — количество праздничных дней в году;
tсм — продолжительность рабочей смены;c —
количество предпраздничных дней;п — количество праздников в году;
Фн = = 1989
(чел.-ч);
действительный рабочий фонд
Фд = {[365 — (104 + dn + dо) ∙ tсм
— tc ∙ nп]} ∙ Кр, (2.8)
Где dо — число рабочих дней отпуска, принимаем dо =
28 дней;
Кр — коэффициент потерь рабочего времени, Кр =
0,97;
.2.3
Определение количества явочных и списочных рабочих
Списочный состав рабочих определим по формуле:
Рсп = Тг / Фд,(2.9)
Рсп = 8960 / 1712 = 5,2.
Принимаем Рсп = 5 человек.
Явочный состав рабочих определяем по следующему выражению:
Ря = Тг / Фн, (2.10)
Ря = 8960 / 1989 = 4,5.
Принимаем Ря = 4 человека
12.1. ГАЗ. Эксплуатация, обслуживание и ремонт автомобилей ГАЗ-53А и ГАЗ-66. Схемы электрооборудования
СХЕМЫ ЭЛЕКТРООБОРУДОВАНИЯ
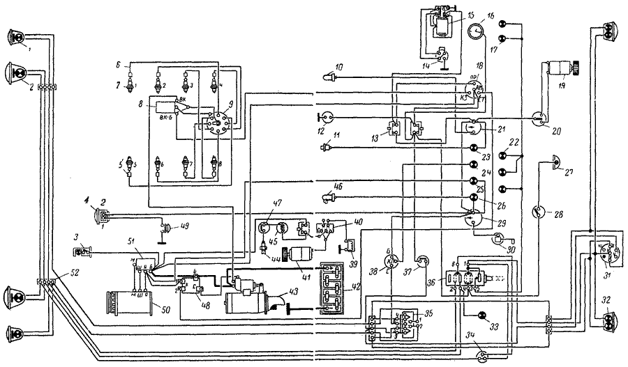
Электрооборудование автомобилей выполнено по однопроводной схеме. Вторым проводом являются металлические части автомобиля (масса). С массой соединены все минусовые клеммы всего электрооборудования. Номинальное напряжение 12 в. На рис. 122, 123 и 124 показаны принципиальные схемы электрооборудования автомобилей.

рис. 122. Схема электрооборудования автомобиля ГАЗ-53А: 1— подфарник; 2 — фара; 3 — подкапотная лампа; 4 — сигнал; 5 — гасящее сопротивление; 6 — провод высокого напряжения; 7 — свеча зажигания; 8 — катушка зажигания; 9 — распределитель; 10 — датчик температуры охлаждающей жидкости; 11 — датчик давления масла; 12 — штепсельная розетка переносной лампы; 13 — биметаллический предохранитель; 14 — переключатель стеклоочистителя; 15 — стеклоочиститель; 16 — часы; 17 — лампа освещения часов; 18 — включатель зажигания и стартера; 19 — электродвигатель отопителя; 20 — переключатель электродвигателя; 21 — указатель температуры охлаждающей жидкости; 22 — лампа освещения приборов; 23 — контрольная лампа давления масла; 24 — контрольная лампа указателя поворотов; 25 — контрольная лампа зарядки; 26 — контрольная лампа температуры охлаждающей жидкости в радиаторе; 27 — плафон; 28 — включатель плафона; 29 — указатель уровня топлива; 30 — датчик указателя уровня топлива ; 31 — штепсельная розетка прицепа; 32 — задний фонарь; 33 — контрольная лампа дальнего света; 34 — ножной переключатель света; 35 — переключатель указателей поворотов; 36 — центральный переключатель света; 37 — включатель света «Стоп»; 38 — прерыватель указателей поворота; 39 — электромагнитный клапан предпуского подогревателя; 40 — переключатель режимов работы предпускового подогревателя; 41 — электродвигатель вентилятора предпускового подогревателя; 42 — аккумуляторная батарея; 43 — стартер; 44 — запальная свеча предпускового подогревателя; 45 — дополнительное сопротивление; 46 — датчик контрольной лампы температуры охлаждающей жидкости в радиаторе; 47 — включатель запальной свечи; 48 — дополнительное реле стартера; 49 — включатель звукового сигнала; 50 — генератор; 51 — реле-регулятор; 52 — соединительная панель.

рис. 123. Схема электрооборудования автомобиля ГАЗ-66: 1— подфарник; 2 — фара; 3 — соединительная панель; 4 — сигнал; 5 — включатель сигнал; 6 — генератор; 7 — реле-регулятор; 8 — датчик температуры охлаждающей жидкости; 9 — контрольная лампа температуры охлаждающей жидкости в радиаторе; 10 — контрольная лампа зарядка; 11 — контрольная лампа указателей поворота; 12 — контрольная лампа давления масла; 13 — указатель температуры охлаждающей жидкости; 14 — включатель электродвигателя отопителя; 15 — электродвигатель отопителя; 16 — лампа освещения щитка приборов; 17 — включатель плафона кабины; 18 — плафон кабины; 19 — датчик давления масла; 20 — датчик температуры охлаждающей жидкости; 21 — свеча подогревателя; 22 — катушка зажигания; 23 — свеча зажигания; 24 — гасящее сопротивление; 25 — распределитель; 26 — датчик правого топливного бака; 27 — задний фонарь; 28 — включателя зуммера; 29 — включатель плафона кузова; 30 — плафон кузова; 31 — соединитель проводов; 32 — штепсельная розетка прицепа; 33 — датчик левого топливного бака; 34 — выключатель массы; 35 — аккумуляторная батарея; 36 — электромагнитный клапан; 37 — кнопочный предохранитель подогревателя; 38 — контрольная спираль; 39 — включатель свечи; 40 — переключатель электродвигателя подогревателя; 41 — электродвигатель подогревателя; 42 — стартер; 43 — зуммер; 44 — ножной переключатель света; 45 — контрольная лампа дальнего света; 46 — центральный переключатель света; 47 — переключатель датчиков топливных баков; 48 — включатель поворотной фары; 49 — включатель зажигания и стартера; 50 — включатель света «Стоп»; 51 — переключатель указателей поворота; 52 — прерыватель; 53 — штепсельная розетка переносной лампы; 54 — кнопочный предохранитель; 55 — дополнительное реле стартера; 56 — поворотная фара; 57 — указатель топлива; 58 — подкапотная лампа; 59 — электродвигатель стеклоочистителя; 60 — переключатель электродвигателя стеклоочистителя.
Ремонт генератора ГАЗ-66
После локализации неисправности необходимо произвести замены, обусловленные диагностикой.
Порядок действий при разборе генератора:
Отсоединить ремень генератора и электрические провода, а затем произвести демонтаж генератора от кузова автомобиля.

- Удалить щетки, предварительно удалив защитную пленку.
- Демонтировать крышку с подшипником и гаечное крепление с обратной стороны роторного вала.
- Снять, применяя съемник, ближайшую к коллектору крышку, предварительно отвернув стяжные болты.
- Изъять ротор с крышкой из корпуса со стороны шкива.

- Снять шкив с якоря, применяя специальный съемник, затем удалить болты, закрепляющие подшипник и удалить крышку.
- Отвернуть винты крепления полюсов для удаления катушки возбуждения.

Схема электропроводки ГАЗ 66
Произведя замены неисправных частей генератора, нужно собрать детали в обратном порядке. По факту сборки произвести тестирование генератора путем измерения силы тока.
Таким образом, генератор ГАЗ-66 обладает внутренним устройством, принципиально не отличающимся от аналогичных. Поэтому его эксплуатация и основные правила ухода являются стандартными для подобных устройств.
1.3 Характеристика собираемого изделия
Прерыватель-распределитель (рис. 1.1) служит для прерывания в нужные
моменты тока в первичной обмотке катушки зажигания и распределения тока
высокого напряжения по свечам зажигания.
— кулачок; 2 — подвижный контакт; 3 — неподвижный контакт; 4 — ротор; 5 —
боковой контакт наружного гнезда; 6 — центральный угольный контакт; 7 — крышка
распределителя; 8 — вакуумный регулятор; 9 — смазочный фитиль; 10 — диск
прерывателя; 11 — октан-корректор; 12 — винт крепления неподвижного контакта;
13 — регулировочный эксцентрик; 14 — колпачковая масленка; 15 — приводной
валик; 16 — регулировочные гайки октан-корректора; 17 — конденсатор; 18 —
провод низкого напряжения
Прерыватель-распределитель состоит из корпуса, приводного валика 15,
подвижного диска 10, на котором размещены изолированный рычажок (молоточек) с
подвижным контактом и соединенный с массой неподвижный контакт 3, кулачка 1 с
выступами по числу цилиндров, центробежного и вакуумного регуляторов опережения
зажигания 8. Контакты изготовлены из тугоплавкого металла — вольфрама.
Неподвижный контакт установлен на соединенной с массой пластине,
закрепляемой на диске 10, и может при помощи эксцентрика перемещаться по
отношению к подвижному контакту, что дает возможность на разрыве установить
необходимый зазор между ними. Зазор должен быть в пределах 0,35-0,45 мм.
Рычажок с подвижным контактом соединен проводом с первичной обмоткой катушки
зажигания, шарнирно закреплен на подвижном диске 10 и с помощью пластинчатой
пружины прижимается к неподвижному контакту 3, а текстолитовым выступом
касается кулачка.
При вращении приводного валика кулачок своими выступами нажимает на
текстолитовый выступ рычажка с подвижным контактом и размыкает контакт
прерывателя за один оборот столько раз, сколько цилиндров в двигателе. При
каждом размыкании цепи первичной обмотки во вторичной индуктируется ток
высокого напряжения. При размыкании контактного прерывателя исчезающее магнитное
поле пересекает первичную обмотку и в ней индуктируется ток самоиндукции
напряжением 250-300 В. Поскольку ток самоиндукции при прекращении основного
тока имеет одинаковое с ним направление, то он замедляет исчезновение
магнитного поля и снижает э. д. с. вторичной обмотки. Кроме того, ток
самоиндукции приводит к интенсивному искрению между контактами прерывателя и их
обгоранию.
Для поглощения тока самоиндукции и уменьшения искрения между контактами
прерывателя параллельно первичной обмотке и контактам прерывателя установлен
конденсатор.

![§ 3. техническое обслуживание приборов батарейного зажигания [1969 ершов б.в., залетаев м.в., ульянецкий а.м., юрченко м.а. - техническое обслуживание автомобилей]](http://avtoexpert56.ru/wp-content/uploads/9/a/9/9a9fa82792d9600c496d413c0f1eaf0d.jpeg)






















